العربية

العربية

Get a Quote
منتجات

منتوجات جديدة

أخبار الشركة

دليل استكشاف الأخطاء وإصلاحها لاهتزاز الصمامات والضوضاء
دليل استكشاف الأخطاء وإصلاحها لاهتزاز الصمامات والضوضاء
2026-01-06

تشير هذه الأعراض عادةً إلى عدم توافق في حالة السوائل، valve selection, or system configuration. If left unaddressed over prolonged operation, they can accelerate valve wear and pose safety risks. Based on field experience, this article outlines the common causes of valve vibration and noise and provides practical guidance for troubleshooting. 1. Basic Manifestations of Valve Vibration and Noise Valve vibration usually appears as noticeable oscillations of the valve body, stem, or connected piping. Noise may present as humming, whistling, or banging sounds. These phenomena often occur simultaneously and are primarily related to the following factors: ● Abnormal flow velocity or pressure differential ● Unstable internal forces within the valve ● Mismatch between actual operating conditions and valve design 2. Common Causes Analysis 1. Excessive Flow Velocity or Pressure Differential When the fluid passes through the throttling section of a valve at high speed, strong turbulence and pressure fluctuations are likely to occur, causing periodic impact on internal components. This issue is particularly pronounced when using standard globe valve s or ball valves under regulating conditions. Typical manifestations include: ● Noise increases as the valve opening decreases ● Vibration intensifies under high-pressure-drop conditions 2. Improper Valve Selection Incorrect valve selection is a common root cause of vibration, such as: ● Using on/off valves for prolonged throttling ● Oversized valve operating at small openings for extended periods ● Insufficient pressure rating or structural rigidity of the valve These conditions can cause unstable movement of the valve plug or ball, resulting in vibration and noise. 3. Loose or Worn Internal Components After long-term operation, the following issues are commonly observed: ● Wear of valve plugs or discs ● Increased clearance between the stem and guiding parts ● Loosened fasteners Non-design clearances amplify fluid impact, leading to persistent noise. If vibration is accompanied by metallic knocking sounds, the condition of internal components should be checked as a priority. 4. Cavitation or Flashing In liquid service, cavitation or flashing occurs when local pressure drops below the saturation vapor pressure. Bubble collapse in high-pressure regions impacts internal components, often accompanied by noise and vibration. Typical signs include: ● Sand- or gravel-like scraping sounds ● Rapid wear of internal components ● Significant pressure fluctuations 5. Insufficient Piping Support or System Resonance Some vibrations are not directly caused by the valve. When upstream or downstream piping lacks adequate support, or when the piping structure resonates near the fluid pulsation frequency, system resonance may occur, amplifying existing vibrations. 3. On-Site Troubleshooting Approach It is recommended to follow the sequence below when troubleshooting: ● Verify whether the pressure, flow rate, and fluid are within th...

شرح صمامات الكرة المقاومة للحريق: متى تحتاج إليها فعلاً؟
شرح صمامات الكرة المقاومة للحريق: متى تحتاج إليها فعلاً؟
2025-12-29

في أنظمة الأنابيب الصناعية، تُعتبر السلامة دائماً أولوية قصوى. صمام كروي مقاوم للحريق صمام كروي مقاوم للحريق هو نوع متخصص من الصمامات الكروية مصمم للحفاظ على الإحكام ومنع التسرب في درجات الحرارة العالية أو ظروف الحريق. على الرغم من تشابهه ظاهريًا مع الصمام الكروي القياسي، إلا أن بنيته ووظيفته تختلفان اختلافًا كبيرًا. تقدم هذه المقالة تحليلًا مفصلًا لمبدأ عمله، والسيناريوهات التطبيقية، وإرشادات اختيار الصمامات الكروية المقاومة للحريق. 1. مقدمة عن صمامات الكرة المقاومة للحريق صُمم صمام الكرة المقاوم للحريق لتحمل ظروف الحريق أو درجات الحرارة العالية للغاية. وتتمثل ميزته الأساسية في قدرته على الحفاظ على التلامس المعدني بين الكرة والمقعد حتى في حالة صمام تتضرر المقاعد أو عناصر منع التسرب بفعل الحرارة العالية، مما يمنع تسرب المادة. سمات: ● حماية من درجات الحرارة العالية: حتى في حالة ذوبان أو احتراق مواد منع التسرب اللينة، يستمر ختم المعدن في العمل. ● الامتثال للمعايير الدولية: تشمل المعايير الشائعة API 607 و ISO 10497. ● متانة عالية: مناسبة لظروف التشغيل القاسية والوسائط القابلة للاشتعال أو الانفجار. مبدأ العمل: في درجات الحرارة العادية، يضمن مقعد الصمام المرن عدم وجود أي تسريب. وعندما ترتفع درجة الحرارة إلى نقطة فشل مانع التسريب المرن، يقوم نابض أو آلية تحميل مسبق بدفع الكرة باتجاه المقعد المعدني، مما يحقق إحكامًا معدنيًا ويمنع تسرب السوائل في درجات الحرارة العالية أو في ظروف الحريق. 2. السيناريوهات المطبقة على صمامات الكرة المقاومة للحريق ● البتروكيماويات والغاز الطبيعي: في خطوط الأنابيب التي تنقل مواد قابلة للاشتعال أو الانفجار، يجب استخدام جهاز مقاوم للحريق صمام كروي يمكن أن يمنع بشكل فعال انتشار الحريق عبر الصمام. ● أنظمة العمليات ذات درجات الحرارة العالية: في خطوط أنابيب البخار أو الزيت الساخن أو الغاز ذي درجة الحرارة العالية، حتى في حالة فشل مواد منع التسرب اللينة بسبب الحرارة، فإن مانع التسرب المعدني يضمن سلامة النظام. ● تطبيقات تتطلب معايير أمان عالية: في المنشآت مثل مصافي النفط ومصانع الكيماويات والمنصات البحرية حيث تكون معايير السلامة صارمة، فإن استخدام صمامات الكرة المقاومة للحريق يساعد في تقليل خطر التسرب. 3. الاختلافات بين صمامات الكرة المقاومة للحريق وصمامات الكرة القياسية ● مواد منع التسرب: تستخدم صمامات الكرة القياسية عادةً مادة PTFE أو مواد مرنة أخرى لمنع التسرب، والتي قد تتلف عند درجات الحرارة العالية. أما صمامات الكرة المقاومة للحريق، فتعتمد على منع تسرب معدني عند تلف مانع التسرب المرن. ● معايير التصميم: يجب أن تتوافق صمامات الكرة المقاومة للحريق مع معايير اختبار الحريق، مثل API 607، في حين أن صمامات الكرة القياسية لا تخضع لهذا الشرط. ● ظروف التشغيل المناسبة: تُستخدم صمامات الكرة المقاومة للحريق بشكل أساسي مع الوسائط ذات درجات الحرارة والضغوط العالية، أو مع الوسائط القابلة للاشتعال/الانفجار. أما صمامات الكرة القياسية فهي مناسبة للوسائط التقليدية ذات الضغط المنخفض إلى المتوسط ودرجة حرارة الغرفة. 4. توصيات الاختيار بناءً على خصائص الوسيط: ● بالنسبة للوسائط القابلة للاشتعال أو المتفجرة أو ذات درجات الحرارة العالية، يجب إعطاء الأولوية لصمامات الكرة المقاومة للحريق. ● بالنسبة للوسائط منخفضة الخطورة مثل الماء أو الهواء أو الزيت في درجة حرارة الغرفة، فإن صمامات الكرة القياسية كافية. بناءً على درجة حرارة العملية: ● إذا كانت درجات حرارة النظ...

لماذا يتفاجأ العديد من العملاء عند استلامهم صمامات DERVOS؟
لماذا يتفاجأ العديد من العملاء عند استلامهم صمامات DERVOS؟
2025-12-18

في تصدير الصمامات الصناعية، يُنظر إلى التغليف غالبًا على أنه مجرد الخطوة الأخيرة قبل التسليم. ومع ذلك، أثناء النقل الفعلي، يؤثر التغليف بشكل مباشر على الحالة العامة للصمام أثناء النقل والمناولة، وحتى لحظة فتح العميل له. ل صمام صناعي نظراً لأن الصمامات تخضع لعمليات نقل لمسافات طويلة وشحنات متعددة، فإن التغليف نفسه يُعد جزءاً لا يتجزأ من جودة المنتج. واستناداً إلى خبرة تصديرية واسعة، وضعت شركة ديرفوس معياراً واضحاً وثابتاً وقابلاً للتكرار لتغليف الصمامات، لضمان وصولها إلى العملاء بأمان وفي حالة ممتازة. 1. التحضير قبل التعبئة والتحقق من المنتج قبل بدء عملية التعبئة والتغليف، تخضع جميع الصمامات للتنظيف والفحص والتحقق من معلومات المنتج. تضمن هذه المرحلة أن يكون كل صمام في حالة مستقرة وخاضعة للتحكم الكامل قبل التعبئة والتغليف. ● إزالة الزيوت والشحوم من صمام سطح الجسم ● افحص أسطح منع التسرب للشفة وتجويف الصمام للتأكد من خلوهما من أي مواد غريبة ● قم بتركيب لوحة الاسم وتثبيتها بإحكام لضمان وضوح معلومات المنتج وسهولة التعرف عليها. توفر هذه العملية أساسًا موثوقًا به للحماية والنقل اللاحقين. 2. معالجة داخلية مضادة للتآكل وحماية سطحية مانعة للتسرب ولمعالجة الظروف التي عادة ما يتم مواجهتها أثناء النقل للتصدير، تخضع الصمامات لمعالجة وقائية محددة قبل التعبئة والتغليف: ● يتم طلاء تجويف الصمام بالتساوي بزيت مضاد للصدأ لتقليل خطر التآكل في البيئات الرطبة أو المحملة بالملح ● يتم تركيب أغطية واقية على جميع أسطح الفلنجات لمنع تلف الصدمات أو التلوث أثناء المناولة والنقل تضمن هذه الإجراءات أن تظل كل من المكونات الداخلية وأسطح منع التسرب في حالة جيدة حتى وصول الصمامات إلى موقع العميل. 3. تغليف داخلي متعدد الطبقات وحماية فردية للصمام خلال مرحلة التغليف الداخلي، تستخدم شركة DERVOS هيكل تبطين متعدد الطبقات لتوفير حماية شاملة لكل صمام: ● يتم وضع قطن اللؤلؤ المقاوم للصدمات حول جميع جوانب وقاع الكرتون الداخلي ● يتم تركيب فواصل بين الصمامات لمنع التلامس المباشر ● يتم تغليف كل صمام على حدة بمادة تبطين واقية، مع إيلاء اهتمام خاص للطلاءات والأسطح المصنعة آلياً يقلل هيكل التغليف هذا بشكل فعال من خطر تلف الطلاء والتآكل وعيوب السطح أثناء النقل. 4. تثبيت التقسيمات المخصصة والتصميم سهل الاستخدام عند تعبئة عدة صمامات في نفس الصندوق، يتم استخدام فواصل خشبية مصممة خصيصًا لتأمين كل وحدة: ● يتم وضع الصمامات بدقة وفقًا لأبعادها لمنع الحركة داخل الصندوق ● تتميز الفواصل بحواف مشطوفة، مما يسهل على العملاء فتح الصندوق وإزالة الصمامات ● يتم تحقيق التوازن بين استقرار النقل وسهولة المناولة في الموقع غالباً ما تكون هذه التفاصيل من بين أول الأشياء التي يلاحظها العملاء عند استلام البضائع، مما يعكس اهتمام المورد بكل من الحماية وتجربة المستخدم. 5. تعزيز الصندوق الخارجي والتغليف من الدرجة التصديرية في المرحلة النهائية، يتم تغليف الصمامات بالكامل في صناديق خارجية متينة: ● يتميز الصندوق الخارجي بهيكل ثابت مصمم لتلبية متطلبات النقل التصديري والتداول المتكرر. ● يضمن إحكام إغلاق الصناديق ملاءمتها للنقل لمسافات طويلة والتخزين في المستودعات. ● تسهل العبوة تحميل الحاويات والشحن والاستلام في الموقع. تنعكس القدرة على التصنيع والتسليم من خلال تفاصيل التغليف. 6. اختبار التعليق المقلوب لضمان موثوقية التغليف للتحقق من استقرار وموثوقية التغليف في ظل ظروف النقل والمناولة الحقيقية، تجري شركة ديرفوس اختبارات التعليق المقل...

خمسة آلاف ومائتان واحد
加载中...

صمام مزدوج الإغلاق والتفريغ 2 بوصة 300 رطل LF2 RF ASME B16.34

  • دفع:

    30% when order confirmed, 70% before shipment
  • أصل المنتج:

    china
  • اللون:

    Customization
  • ميناء الشحن:

    Shanghai, China
  • المهلة:

    30~60 days Ex Works after order confirmation
  • Material:

    ASTM A350 LF2
  • Method of Operation:

    Hand Wheel
الاستفسار الآن
تفاصيل المنتج

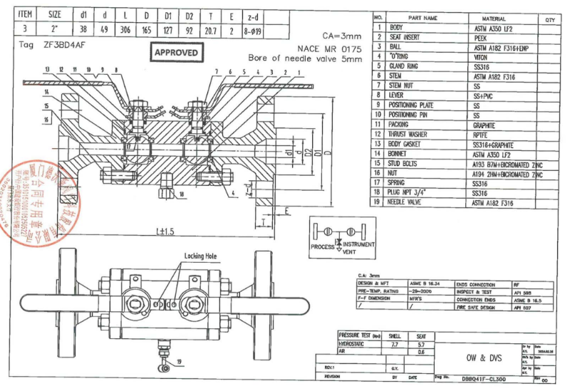
صمام مزدوج الإغلاق والتفريغ بقطر 2 بوصة وسعة 300 رطل، مصنوع وفقًا لمعيار ASME B16.34. جسم الصمام مصنوع من الفولاذ LF2. يتميز بخصائص هيكلية تشمل مدخل ومخرج بقطر 2 بوصة من الفولاذ المقاوم للصدأ CL300 RF، ووصلة تهوية بقطر 3/4 بوصة NPT، ومزود بصمامين كرويين وصمام إبرة واحد، وتصميم مقاوم للحريق، ويعمل في كلا الاتجاهين. طريقة توصيله هي RF، ويحتوي على عجلة يدوية. operation mode.

Product Parameters

Type

Double block and bleed valve

Size

2”

Pressure

300LB

Connection

RF

Operation

Hand Wheel

Body Material

ASTM A350 LF2

Design Norm

ASME B 16.34

Face to Face

MFR’S

End connection

RF

Test & Inspection Code

API 598

Temperature

-29 ~ 200°C

Applicable Medium

Water, Oil and Gas

Features

1.Manufactured from LF2 carbon steel, offering excellent low-temperature toughness and reliable performance for 300LB pressure class service.

2.Double block and bleed design with RF flange, compliant with ASME B16.34, ensures safe isolation and effective pressure relief.

Technical Drawing

double block and bleed valve

Double block and bleed valve

Dimension Checking

double block and bleed valve

Pressure Testing

double block and bleed valve

Spectrum

double block and bleed valve

Nameplate & Packing

double block and bleed valve

Inspection Report

double block and bleed valve double block and bleed valve double block and bleed valve double block and bleed valve

اترك رسالة

إذا كنت مهتما في منتجاتنا و تريد أن تعرف المزيد من التفاصيل,يرجى ترك رسالة هنا وسوف نقوم بالرد عليك بأسرع ما يمكن.

منتجات ذات صله
شفة صمام الكرة jis
صمام الكرة البحرية البرونزية البحرية dn32 5f وما يليها شفة

صمام الكرة الأرضية dn32 jis 5k مناسب للتطبيقات البحرية. يتم تشغيل الصمام الكروي البرونزي بعجلة يدوية باستخدام شفة ff. تفاصيل سريعة نوع البحرية   صمام العالم بحجم د   32 ضغط التصميم 5 ك نوع الاتصال وما يليها   شفة كود التصميم jis   f7301 وجها لوجه jis   b2002 مواد الجسم برونز تقليم المواد برونز تطبيق ماء،   النفط والغاز نظام الشراء أصبح وقت التسليم المتأخر مشكلة شائعة في 2018. ومع ذلك ، يحتفظ Dervos بأكثر من 90 ٪ في الوقت المحدد ، فكيف نحقق ذلك؟ تمتلك قسم المشتريات لدينا. كيف نرد على أزمة التأخير؟ -زيارة المصنع كل يوم والإشراف على الموقع -تأهيل الموارد ذات الصلة ، مثل ورش العمل والعمال المهرة للمساعدة في تسريع الإنتاج ما الفوائد التي يمكن أن نقدمها لك من خلال الحفاظ على التسليم في الوقت المحدد؟ -تجنب العقوبة من المستخدم النهائي تراكم السمعة - كسب ثقة العميل التعليمات 1. هل لديك مسبك أو متجر فورج الخاص بك؟ لا ، ولكن لدينا قائمة معتمدة من المسابك على مدار العقد الماضي من عمليات فحص الصب ، والتي يمكن أن تتأكد من أن مصبوباتنا ذات نوعية جيدة وجميع المواد الخام يمكن تتبعها. 2. يمكنك القيام التصوير الشعاعي القدرة nde ، mt ، ut ، lp؟ بالطبع ، يمكننا إجراء جميع هذه الاختبارات على عملائنا ، ولكن ستكون هناك رسوم إضافية لهذه الاختبارات. 3. ما هو نوع الاختبار الذي ستقوم به لكل طلب؟ بعد تجميع الصمامات ، سنقوم باختبار هيدروليكي للغلاف & أمبير ؛ اختبار الختم والهواء. بالإضافة إلى ذلك ، سنقوم بفحص البعد (البعد وجها لوجه ، البعد شفة) حسب رسم التجميع والمعايير.

1/2 بوصة صمام إبرة npt
صمام إبرة الفولاذ المقاوم للصدأ 1/2 بوصة 6000 رطل لكل بوصة مربعة npt

صمام إبرة الضغط العالي 6000 رطل / بوصة مربعة مصنوع من الفولاذ المقاوم للصدأ f316 وفقًا لـ asme b16.34. يتم استخدام إبرة 1/2 بوصة npt لتنظيم تدفق السوائل ومناسبة للاستخدام مع الضغط العالي والتدفق الصغير. تفاصيل سريعة نوع إبرة   صمام بحجم 0.5   بوصة ضغط التصميم 6000   psi نوع الاتصال أنثى   fnpt الموضوع كود التصميم اسمى   ب 16.34 نهاية الاتصال اسمى   ب 1.20.1 وجها لوجه اسمى   ب 16.10 اختبار & أمبير ؛ تفتيش واجهة برمجة تطبيقات   598 مواد الجسم SS 316 مواد تقليم SS 316 تطبيق ماء،   النفط والغاز شهادة ديرفوسالشهادات هي أحد العوامل التي يهتم بها عملاؤنا. بناء على طلب العملاء ، يمكننا تقديم api 5l و api 6a و api 6d و api 607 و api 5ct و iso 9001 و ped ce وما إلى ذلك. لماذا تختار dervos كشريك لك؟خدمة محطة واحدةهنا في dervos ، يمكننا أن نقدم لك خدمة محطة واحدة من خلال قائمة منتجاتنا الكاملة ، وهذا يعني أنك لست بحاجة إلى البحث عن موردين مختلفين لأنواع مختلفة من الصمامات ، ومن المؤكد أنه سيوفر وقتك وطاقتك. كل ما عليك فعله هو اختيار dervos وسنقدم لك حلولاً كاملة. التسليم في الوقت المحدديحافظ Dervos على نسبة عالية من التسليم في الوقت المحدد. لماذا نحقق ذلك؟ يتبع فريق الشراء لدينا الطلب عن كثب. بالإضافة إلى ذلك ، سيقوم موظف مراقبة الجودة والمبيعات لدينا بمهمة المراقبة في كل طلب. رقابة صارمة على الجودة جميع أعضاء فريق مراقبة الجودة من ذوي الخبرة والمهنية. لكل طلب ، سيقومون بفحص المواد الخام ، وعملية التصنيع ، وإجراء اختبار الضغط على الغلاف والختم ، والتحقق من أبعاد الصمام لكل رسم تجميع. وأخيرًا ، سيفحصون اللوحة والتعبئة والتغليف.

WCB صمام التحكم في العالم
صمام التحكم الكهربائي العالم wcb pn40 dn200 rf

صمام التحكم الكهربائي مصنوع من الفولاذ الكربوني المصمم للتحكم الدقيق في التدفق والتنظيم. لدى شركة Dervos العديد من الموردين لأنواع مختلفة من صمامات التحكم. تفاصيل سريعة نوع كره ارضيه   صمام التحكم بحجم د   200 ضغط التصميم ص   40 نوع الاتصال الترددات اللاسلكية   شفة كود التصميم اسمى   ب 16.34 نهاية الاتصال اسمى   ب 16.5 وجها لوجه اسمى   ب 16.10 اختبار & أمبير ؛ تفتيش واجهة برمجة تطبيقات   598 مواد الجسم أ 216   WCB مواد تقليم غير القابل للصدأ   صلب تطبيق ماء،   النفط والغاز ملف الشركة تأسست في عام 2008 ، شركة dervos valves industry. ltd هي بائع محترف ومصدر ومورد للصمامات الصناعية والأنابيب والتجهيزات. قامت شركة Dervos بتوسيع أعمالها إلى خمس قارات حول العالم ، بما في ذلك أوروبا وأوقيانوسيا وأفريقيا وأمريكا وآسيا. التزامنا هو العثور على أنسب المنتجات لعملائنا بطريقة فعالة. نعتمد المهارات الإدارية الحديثة للتأكد من الكفاءة في نظام الإنتاج والبيع. كيف نتعامل مع الشكاوى عندما تأتي الشكاوى ، كيف نتعامل معها؟ سنقوم بالرد خلال 24 ساعة ونطلب المزيد من الأدلة من العملاء. ثم نناقش مع مراقبة الجودة والمصانع لتحديد السبب. في اليوم الثالث ، سوف نقدم حل للعملاء.

خمسة آلاف ومائتان واحد
عقارب صمام التحول wcb

يتم دمج صمام التحويل بصمامين مختلفين عن القطر الاسمي - أحدهما هو dn100 ، والآخر هو dn150. يتم وضع عجلة يدوية على الجانب الأيمن من الصمام للمساعدة في التحكم في جهاز WCB الكبير المصنوع. تم تصميم الصمام وفقًا لدينار 3356 ، وعادة ما يتم وضع الصمام في صناعة النفط. تفاصيل سريعة نوع صمام التحويل القطر الاسمي dn100 * 150 الضغط الاسمي pn40 اعمال بناء غطاء محرك السيارة اندفع الإتصال الترددات اللاسلكية عملية عقارب تصميم & أمبير ؛ صناعة الدين 3356 من النهاية إلى النهاية إلى الأمراض المنقولة جنسيًا بعد نهاية شفة en 1092-1 b1 اختبار & أمبير ؛ تفتيش en 12266-1 نطاق درجة حرارة -29 ℃ ~ + 425 ℃ مواد الجسم astm a216 wcb قرص كبير astm a105 + 13cr وسائل الإعلام w.o.g.etc رسم تقنى _ رسم عن طريق الكمبيوتر نظام فحص جودة dervos في dervos ، نتحكم في الجودة طوال عملية التصنيع بأكملها. فحص الصب: يمكننا معرفة مشكلة المواد الخام ، مثل الصب الرديء ، وسمك الجدار غير المؤهل ، والتركيب الكيميائي ، وما إلى ذلك ، مما يضمن عدم تعرضك للغش. التفتيش بالقطع: من ناحية ، يمكننا ضمان دقة المعالجة من خلال هذه العملية. من ناحية أخرى ، يمكننا اكتشاف خطأ بالقطع في أقرب وقت ممكن ، لكسب المزيد من الوقت للإصلاح وإعادة التشكيل الفحص النهائي: تشمل أنشطة الفحص النهائي مراجعة الوثائق والمستندات ومراقبة الجودة والفحص البصري وفحص الأبعاد واختبار الضغط والطلاء وفحص التعبئة. لست بحاجة إلى الحضور والتفتيش شخصيًا ويمكن تقديم جميع المستندات كإثبات.

خمسة آلاف ومائتان واحد
JIS F7308 الحديد الزهر زاوية صمام الكرة الأرضية 10K 150A

على 150A JIS 5K صمام الكرة الأرضية مناسبة للتطبيقات البحرية. الحديد الزهر صمام الكرة الأرضية يتم عقارب تعمل مع FF شفة.

خمسة آلاف ومائتان واحد
DN20 PN40 مصيدة بخار دلو مقلوب من الحديد الصلب WCB

ال تُعرف مصيدة البخار من نوع الجرافة المقلوبة بأنها مصيدة البخار الأكثر موثوقية ال DN20 WCB تُستخدم مصائد البخار الدلو المقلوبة في أنظمة التسخين بالبخار لإيقاف البخار من ، لذا فإن اختيار المصيدة المناسبة يمكن أن يساعد معدات التسخين بالبخار على العمل بكفاءة.

خمسة آلاف ومائتان واحد
DN100 PN16 A41H-16C صمام أمان بزنبرك rf WCB

العامل DN100 صمام أمان من WCB ووفقًا لـ GB / T12241-2005 ، تعمل عادةً بمثابة الضغط الزائد جهاز حماية يعمل تحت البخار أو الهواء أو الماء أو غيره غير قابل للتآكل متوسط.

ثقب الابرة
1/2 "6000PSI إبرة صمام FNPT رافعة SS316 ASME

صمام إبرة 1/2 "6000PSI مصنوع وفقًا لمعيار ASME B16.34. جسم الصمام مصنوع من SS316. له الخصائص الهيكلية من خلال مستقيم. وضع الاتصال هو FNPT. وله وضع تشغيل الرافعة.

صمام فخ
DN20 PN40 صمام البخار المصبوب المصبوب DIN RF WCB

تم تصنيع صمام فخ البخار DN20 PN40 وفقًا لمعيار GB / T22654-2008. جسم الصمام مصنوع من WCB. تتميز بالخصائص الهيكلية لمصيدة البخار ذات الجرافة المقلوبة والطراز L881F. وضع الاتصال الخاص به هو RF.

صمام فخ البخار
DN15 PN40 صمام فخ البخار ثنائي المعدن A105 RF GB / T22654

تم تصنيع صمام فخ البخار DN15 PN40 وفقًا لمعيار GB / T22654-2008 °. جسم الصمام مصنوع من A105. لها الخصائص الهيكلية للنوع ثنائي المعدن ونموذج BK47-Y. وضع الاتصال الخاص به هو RF.

صمام التحكم
6 "1500LB صمام الخانق RTJ vonnection body LF2 API598

تم تصنيع صمام الخانق 6 "1500LB وفقًا لمعيار ASME B16.34. جسم الصمام مصنوع من LF2. يتميز بالخصائص الهيكلية للزاوية ، التدفق الكامل وغطاء الجسم المثبت بمسامير. وضع التوصيل هو RTJ. ولديه تشغيل عجلة اليد وضع.

صمام فحص الكرة الأرضية
DN150 JIS10K Globe Check Valve FF الحديد الزهر JIS F7400

تم تصنيع صمام فحص الكرة الأرضية DN150 JIS10K وفقًا لمعيار JIS F7400. جسم الصمام مصنوع من الحديد الزهر. لها الخصائص الهيكلية لغطاء الترباس و F7375. وضع الاتصال الخاص به هو FF.

اترك رسالة

    إذا كنت مهتما في منتجاتنا و تريد أن تعرف المزيد من التفاصيل,يرجى ترك رسالة هنا وسوف نقوم بالرد عليك بأسرع ما يمكن.

الصفحة الرئيسية

منتجات

حول

اتصل