العربية

العربية

Get a Quote
منتجات

منتوجات جديدة

أخبار الشركة

هل صمامات البوابة ذات منفذ كامل؟
هل صمامات البوابة ذات منفذ كامل؟
2026-03-13

في أنظمة الأنابيب الصناعية، تُعتبر صمامات البوابة عمومًا صمامات عزل منخفضة المقاومة. عندما يكون الصمام مفتوحًا بالكامل، تُسحب البوابة تمامًا من مسار التدفق، مما يسمح للسائل بالمرور بأقل قدر من العوائق. ومع ذلك، من منظور هندسي دقيق، لا تُصنف جميع صمامات البوابة على أنها صمامات كاملة الفتح. إذا كان قطر فتحة المقعد مساويًا أو قريبًا جدًا من القطر الداخلي للأنبوب، فإن التدفق لا يواجه مقاومة تُذكر. في هذه الحالة، يمكن اعتبار الصمام مفتوحًا بالكامل (أو شبه مفتوح بالكامل). يُستخدم هذا التصميم عادةً في أنابيب النفط والغاز، وأنظمة نقل المياه، وغيرها من التطبيقات التي تتطلب انخفاضًا طفيفًا في الضغط. إذا كان قطر فتحة المقعد أصغر قليلاً من القطر الداخلي للأنبوب، فسيحدث تقييد طفيف في التدفق داخل الصمام. في مثل هذه الحالات، يُوصف الصمام بدقة أكبر بأنه ذو فتحة مخفضة. هذا التصميم أكثر شيوعًا في الأحجام الصغيرة أو لتحقيق التكلفة المثلى. صمام تصاميم. في الممارسة الهندسية، يمكن تطبيق منطق اختيار بسيط: ● إذا كان النظام يتطلب الحد الأدنى من مقاومة التدفق أو تنظيف الأنابيب، فيجب أن يتطابق قطر فتحة الصمام مع قطر خط الأنابيب. ● إذا تم استخدام الصمام لأغراض العزل العامة، فإن معظم صمامات البوابة القياسية يمكنها بالفعل تلبية سعة التدفق المطلوبة. لذلك، يمكن استخلاص استنتاج موجز: عادة ما تكون صمامات البوابة قريبة من تصميمات الفتحة الكاملة، ولكن ما إذا كانت ذات فتحة كاملة حقًا يعتمد على ما إذا كانت فتحة المقعد تساوي القطر الداخلي لخط الأنابيب. ضمان الجودة س1: هل صمامات البوابة مفتوحة بالكامل دائمًا؟ ليس بالضرورة. إذا كان قطر فتحة المقعد مساوياً للقطر الداخلي للأنبوب، فيمكن اعتبار الصمام كامل الفتحة. أما إذا كان أصغر قليلاً، فيُصنف على أنه ذو فتحة مخفضة. س2: لماذا تفعل صمام بوابة هل تتمتع بمقاومة تدفق منخفضة نسبيًا؟ عندما يكون الصمام مفتوحًا بالكامل، تت

تركيب صمامات كروية ذات قطر كبير
تركيب صمامات كروية ذات قطر كبير
2026-03-09

قطر كبير صمام كروي تُستخدم هذه الأنظمة على نطاق واسع في صناعات مثل معالجة البترول والمواد الكيميائية، وتوليد الطاقة، ونقل المياه عبر خطوط الأنابيب لمسافات طويلة، وأنظمة معالجة المياه واسعة النطاق. وإذا لم يتم تركيبها بشكل صحيح، فقد يؤدي ذلك إلى تسرب في نظام منع التسرب، أو تعطل الصمامات، أو تلف في الهيكل نتيجة الإجهاد. لذا، فإن اتباع ممارسات التركيب السليمة ضروري لضمان التشغيل المستقر على المدى الطويل. 1. فحص ما قبل التركيب إذا لم يكن فحص ما قبل التركيب كافيًا، فمن المرجح حدوث أعطال تشغيلية أثناء الاستخدام. أولًا، افحص جسم الصمام بحثًا عن أي تلف ناتج عن النقل. في حال وجود خدوش أو علامات صدمات أو تشوهات على جسم الصمام أو أسطح منع التسرب، يجب إيقاف التركيب والتواصل مع المورد. بعد ذلك، تحقق من طراز الصمام، وتصنيف الضغط، ومعايير التوصيل. إذا لم يتطابق ضغط تصميم النظام مع فئة ضغط الصمام، فقد تحدث مخاطر تتعلق بالسلامة التشغيلية. على سبيل المثال، إذا تم استخدام صمام منخفض الضغط عن طريق الخطأ في نظام خط أنابيب عالي الضغط، فقد يتعرض جسم الصمام لتشوه لدن نتيجة تأثير المطرقة المائية. من الضروري أيضاً فحص حالة سطح الكرة وحلقات منع التسرب. فإذا وُجدت خدوش على سطح الكرة، سيقل أداء منع التسرب. وهذا أمر بالغ الأهمية، خاصةً في أنظمة نقل الغاز حيث يكون التسرب الدقيق أكثر احتمالاً. 2. تعليمات التركيب تحتوي صمامات الكرة ذات القطر الكبير عادةً على علامة توضح اتجاه التدفق. في حال كان اتجاه التركيب غير صحيح، فقد تحدث المشاكل التالية: إذا تطابق اتجاه تدفق السائل مع اتجاه التصميم، فسيكون عزم التشغيل أكثر استقرارًا. أما إذا تم تركيب الصمام بشكل عكسي، فقد يتعرض ساق الصمام لحمل ميكانيكي متزايد، مما يُسرّع من تآكله أثناء التشغيل طويل الأمد. لختم مزدوج ثنائي الاتجاه صمام كروي على الرغم من السماح بالتدفق ثنائي الاتجاه، إلا أنه لا يزال يوصى بالتركيب وفقًا لاتجاه التدفق المحدد لضمان توزيع أكثر تجانسًا لإجهاد الختم. في الأنظمة ذات درجات الحرارة العالية أو أنظمة البخار، إذا كان اتجاه التركيب غير صحيح، فقد يؤدي التمدد الحراري إلى تسريع شيخوخة حلقة منع التسرب. 3. التحكم في إجهاد خطوط الأنابيب صمامات الكرة ذات القطر الكبير ثقيلة الوزن. إذا تم تركيبها بدون دعامة مناسبة، فقد تنتقل عزوم انحناء إضافية إلى وصلات الشفة. في حال تعرض أنظمة الأنابيب لإزاحة محورية، يجب تركيب دعامات لتثبيتها بشكل مجزأ. في حال عدم توفير هذه الدعامات، قد يتعرض جسم الصمام لحمل شد جاذبي طويل الأمد، مما قد يؤدي في النهاية إلى تلف مانع التسرب في الشفة. يُنصح عمومًا بتركيب دعامات مستقلة على جانبي صمامات الكرة ذات القطر الكبير. إذا كان نظام الأنابيب عرضة للتمدد والانكماش الحراري، فيجب تركيب أجهزة تعويض التمدد؛ وإلا فقد تتلف أسطح منع التسرب تدريجيًا. 4. عملية شد البراغي تتطلب وصلات الفلنجات لصمامات الكرة ذات القطر الكبير عادةً شد البراغي تدريجياً. إذا تم إحكام ربط البراغي بالكامل دفعة واحدة، فقد يحدث توزيع غير متساوٍ للإجهاد على الحافة، مما يؤدي إلى تلف الحشية نتيجة الضغط. يُنصح باستخدام تسلسل ربط متقاطع وتطبيق عزم الدوران على مرحلتين أو ثلاث مراحل من الربط التدريجي. في حالة استخدام الحشيات الملفوفة حلزونياً، يجب التحكم في توحيد عزم الدوران؛ وإلا فقد يحدث تسرب دقيق أولي. يُعدّ تزييت أسنان البراغي أمرًا بالغ الأهمية. فإذا لم يتم تزييت الأسنان، فقد يزداد فقدان عزم الدوران وقد لا تكون قوة التحميل المسبق الفعلية كافية. 5. ال...

توحيد الجهود، وصنع المستقبل معًا - اختُتم الحدث السنوي الكبير لديرفوس بنجاح
توحيد الجهود، وصنع المستقبل معًا - اختُتم الحدث السنوي الكبير لديرفوس بنجاح
2026-03-02

كان مؤتمر ديرفوس السنوي هذا العام أكثر فخامة وتنظيماً بشكل ملحوظ مقارنة بالسنوات السابقة. في الجلسة الصباحية، قدم كل قسم ملخص أعماله السنوي، واستعرض المشاريع الرئيسية. و الإنجازات على مدار العام الماضي. كما شاركت الفرق بصراحة التحديات التي واجهتها أثناء التنفيذ والخبرة العملية المكتسبة على طول الطريق من خلال هذا التبادل بين الأقسام، طور الجميع فهمًا أوضح لبعضهم البعض. المسؤوليات وسير العمل، مما يرسخ أساساً أقوى للتعاون والتواصل في المستقبل. وفي جلسة ما بعد الظهر، تم تقديم جوائز الموظف المتميز. كل مرشح تبادلوا إنجازاتهم في العمل والخبرة العملية، مما يدل على إحساس قوي بـ المسؤولية والتنفيذ عبر مختلف الأدوار. إن هذه العقلية الاستباقية، وروح التعاون، ونهج العمل الواقعي هي تحديداً ما يميزنا. من موظفي ديرفوس الذين يدفعون الفريق بثبات نحو أهدافه المشتركة الحضور في الموعد المحدد كل يوم طوال العام - هذا إنجاز عظيم. إيان لديه حصل الآن على جائزة الحضور الكامل لسنتين متتاليتين. خلال المؤتمر السنوي، قدم ديرفوس أيضًا ميداليات وهدايا تذكارية حصرية هدايا إلى الموظفين الذين أكملوا خمس سنوات من الخدمة. ديرفوس تُقدّر الشركة التفاني طويل الأمد والالتزام المستمر لأعضاء فريقها، و يُعرب عن تقديره العميق للثقة والمساهمات التي قدموها على مر السنين. بالنسبة للكثيرين في ديرفوس، لا تقتصر الشركة على كونها منصة للنمو المهني فحسب، بل هي أيضاً مسرح لتحقيق الأهداف المشتركة وتتجسد الجهود الجماعية. وفي المساء، انتقل المؤتمر السنوي إلى فقرة المأدبة. وقدّمت عروض فنية و... تم دمج الألعاب التفاعلية بسلاسة، مما خلق جواً مريحاً ومنظماً في الوقت نفسه. ترددت أصداء الضحكات والهتافات في أرجاء المكان، وفي تلك اللحظة التقطت الكاميرا بمجرد الضغط على زر الكاميرا، تم التقاط الإثارة والفرح في إطار واحد. قال إريك: "دعونا نحلم معًا، حلم ديرفوس. حلم نلعب فيه جميعًا دورًا.

خمسة آلاف ومائتان واحد
加载中...

صمام فحص مزدوج اللوحة من نوع ويف، 2 بوصة، 600 رطل، WCB RF

  • دفع:

    30% when order confirmed, 70% before shipment
  • أصل المنتج:

    china
  • اللون:

    Customization
  • ميناء الشحن:

    Shanghai, China
  • المهلة:

    30~60 days Ex Works after order confirmation
  • Material:

    A216 WCB+SS316
  • Method of Operation:

    no
الاستفسار الآن
تفاصيل المنتج

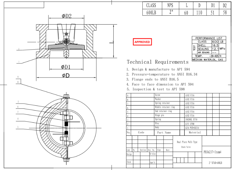
صمام فحص ثنائي اللوحة من نوع الرقاقة، مقاس 2 بوصة، يتحمل ضغط 600 رطل، مصنوع وفقًا لمعيار API 594. جسم الصمام مصنوع من الفولاذ المقاوم للصدأ A216 WCB+SS316. يتميز بخصائص هيكلية ثنائية اللوحة من نوع الرقاقة. طريقة توصيله هي الترددات اللاسلكية (RF).

.

معايير المنتج

يكتب

صمام فحص مزدوج الألواح من نوع الموجة

مقاس

2 بوصة

ضغط

600 رطل

اتصال

الترددات اللاسلكية

مادة الجسم

A216 WCB+SS316

معيار التصميم

API 594

وجهاً لوجه

API 594

نهايات الفلنجة

ANSI B16.5

قانون الاختبار والتفتيش

API 598

درجة حرارة

-29 ~ 425 درجة مئوية

الوسيلة المناسبة

الماء والنفط والغاز

سمات

1. يوفر التصميم ذو الصفيحتين المدعوم بنابض إغلاقًا سريعًا لتقليل ظاهرة الطرق المائي والتدفق العكسي.

2. جسم WCB مصنف بوزن 600 رطل مع سطح تثبيت RF يضمن مقاومة ضغط قوية وأداء إحكام موثوق به.

الرسم الفني

Dual Plate Wafe Type Check Valve

فحص الأبعاد

Dual Plate Wafe Type Check Valve

اختبار الضغط

Dual Plate Wafe Type Check Valve

لوحة الاسم والتغليف

Dual Plate Wafe Type Check Valve

تقرير التفتيش

Dual Plate Wafe Type Check Valve Dual Plate Wafe Type Check Valve Dual Plate Wafe Type Check Valve Dual Plate Wafe Type Check Valve

اترك رسالة

إذا كنت مهتما في منتجاتنا و تريد أن تعرف المزيد من التفاصيل,يرجى ترك رسالة هنا وسوف نقوم بالرد عليك بأسرع ما يمكن.

منتجات ذات صله
صمام فحص العروة مزدوج القرص 150 رطل
ss دوبلكس تحقق صمام نوع العروة لوحة مزدوجة 8 بوصة فئة 150

صمام 8 بوصة 150 رطل مزدوج القرص عدم الرجوع ، مصمم لكل واجهة برمجة تطبيقات 594 ، لديه لوحة مزدوجة ووصلة العروة. يتكون صمام الاختيار المزدوج بدون لوحة من الفولاذ المقاوم للصدأ المزدوجة 4a كجسمه ومواده. تفاصيل سريعة نوع التحقق من   صمام بحجم 8 " ضغط التصميم صف دراسي   150 اعمال بناء مزدوج   نوع اللوحة ، بدون حافظة الإتصال نوع العروة تصميم & أمبير ؛ صناعة واجهة برمجة تطبيقات   594 من النهاية إلى النهاية اسمى   ب 16.10 الإتصال اسمى   ب 16.5 الضغط & أمبير ؛   مؤقت اسمى   ب 16.34 اختبار & أمبير ؛   تفتيش واجهة برمجة تطبيقات   598 مواد الجسم الازدواج   الفولاذ المقاوم للصدأ 4a تقليم المواد الازدواج   الفولاذ المقاوم للصدأ وسائل الإعلام w.o.g. ميزة التصميم 1. البؤرة وجها لوجه 2. صغيرة الحجم وخفيفة الوزن 3.قريب من القرص مع مطرقة المياه الصغيرة 4. مثبتة عموديا أو أفقيا 5. ممر تدفق سلس مع مقاومة تدفق صغيرة 6. دورة حياة طويلة وموثوقية عالية

6 بوصة صمام الاختيار المزدوج
صمام الاختيار ويفر البرونزية c95800 قرص مزدوج 6 بوصة

تم تصميم صمام فحص الرقاقة المزدوجة وفقًا لـ api 594 واختبارها لكل api 598. صمام عدم الرجوع البرونزي ينطبق على مياه البحر. تفاصيل سريعة نوع التحقق من   صمام بحجم 6 " ضغط التصميم صف دراسي   150 اعمال بناء مزدوج   نوع اللوحة ، مع التجنيب الإتصال رقاقة   نوع تصميم & أمبير ؛ صناعة واجهة برمجة تطبيقات   594 من النهاية إلى النهاية اسمى   ب 16.10 الإتصال اسمى   ب 16.5 الضغط & أمبير ؛   مؤقت اسمى   ب 16.34 اختبار & أمبير ؛   تفتيش واجهة برمجة تطبيقات   598 مواد الجسم الألومنيوم   البرونزية c95800 تقليم المواد الألومنيوم   البرونزية c95800 وسائل الإعلام w.o.g. فحص الأوردة بعد تركيب الصمام جودة الصمام هي واحدة من وجهات النظر التي نهتم بها أكثر. في dervos ، تبدأ مراقبة الجودة من المواد الخام ، والقطع ، والتجميع إلى التفتيش قبل الشحن. بعد التجميع ، سيقوم فريق فحص الجودة بإجراء فحص بصري وفحص الأبعاد والاختبار الهيدروليكي واختبار الهواء. يجب أن يجتاز كل طلب الاختبار وفقًا لمعايير الفحص. وإلا لن يقوم فريق فحص الجودة لدينا بإطلاق الشحنة. تقارير التفتيش يمكن استخدام المستندات لإثبات كيفية التحكم في جودة الصمام. جنبا إلى جنب مع كل طلب ، سيقدم Dervos للعملاء تقرير فحص & أمبير ؛ تقرير اختبار مطحنة 3.1 مجانًا. في تقرير فحص dervos ، سترى النتائج الفعلية للتحقق من البعد واختبار الضغط إلى جانب صورة الطلاء والتعبئة. يتم عرض جميع هذه المعلومات من خلال البيانات والصور الواضحة. في تقرير اختبار المطحنة 3.1 ، سوف نعرض لك التركيب الكيميائي والخصائص الميكانيكية ورقم الحرارة لجسم الصمام وغطاء المحرك والجذع والقرص وما إلى ذلك.

صمام فحص القرص المزدوج
dn3202 صمام الاختيار المزدوج للقرص pn25 dn100 cf8

إن صمام الفحص مزدوج القرص ، المصنوع من الفولاذ المقاوم للصدأ cf8 ، يتمتع بمقاومة ممتازة للتآكل. تم تصميمه وفقًا للمعيار 3202 ، وصمام الفحص على وشك الاتصال بالمواسير باستخدام الرقاقة. تفاصيل سريعة نوع فحص الصمام القطر الاسمي dn100 الضغط الاسمي ص 25 اعمال بناء قرص مزدوج / لوحة مزدوجة الإتصال نوع الرقاقة تصميم & أمبير ؛ صناعة الدين 3202 من النهاية إلى النهاية الدين 3202 بعد نهاية شفة الدين 2401 اختبار & أمبير ؛ تفتيش api 598 نطاق درجة حرارة -29 ℃ ~ + 425 ℃ مواد الجسم a351 cf8 مادة إسفين a351 cf8 وسائل الإعلام w.o.g. تغليف ديرفوس التعبئة الجيدة تعني الانطباع الأول الجيد. تخيل فقط كيف تشعر بشكل مختلف عند رؤية صندوقين أدناه؟ وسوف تعرف السبب الذي يجعلنا نقدر التعبئة والتغليف في Dervos. في dervos ، نتأكد- 1. كل صمام نظيف وجاف. ماذا نفعل؟ تنظيف الصمام قبل التعبئة - إضافة زيت مقاوم للصدأ -إضافة غطاء شفة 2. عدم وجود صمامات داماجيتو في التسليم. كيف يمكننا تحقيق ذلك؟ -تثبيت الصمام بأسلاك الحديد - فصل الصمام بمادة ناعمة طبقة الصمام مع الخشب الرقائقي 3. مربع قوي وعلامة الشحن واضحة

خمسة آلاف ومائتان واحد
صمام فحص نوع الويفر بدون صمامات مقاس 6 بوصات 900 رطل

صمام فحص البسكويت 6 بوصات متوافق تمامًا مع api 594. مادة الجسم lcc تتأكد من أن الصمام من نوع العروة قادر على التعامل مع البيئة القاسية ، ويعد الربيع inconel-x 750 الصمام بفترة خدمة طويلة.

خمسة آلاف ومائتان واحد
dn250 10k صمام فحص بسكويت ويفر مزدوج اللوحة 594

يتميز صمام فحص القرص المزدوج ، المصنوع من a395 d1 ، بمقاومة ممتازة للتآكل. مصمم وفقًا للمواصفة api594 ، يتم توصيل صمام الفحص بالأنابيب ذات الرقاقة. هذا الصمام مؤهل ليتم وضعه في ظروف العمل البحرية.

خمسة آلاف ومائتان واحد
API594 لوحة مزدوجة صمام فحص بسكويت ويفر WCB 300 رطل

ال 10 بوصة لوحة مزدوجة صمام فحص الرقاقة مصنوع من WCB وهو مؤهل للضغط عليه حتى 30 رطل. الكل Dervos يتم اختبار صمامات الفحص لـ API 598 ويجب أن تفي أو تتجاوز كل API ، ANSI و ASTM المعايير.

خمسة آلاف ومائتان واحد
صمام فحص رقاقة ذو لوحة واحدة din DN80 PN40

ال قرص واحد صمام فحص مصنوع من CF8 يتمتع بمقاومة ممتازة للتآكل. تم تصميمه وفقًا مع API594 ، الصمام من نوع رقاقة.

فحص الصمام
صمام فحص بسكويت الويفر أحادي القرص 6 بوصة 150 رطل

صمام فحص بسكويت الويفر أحادي القرص مقاس 6 بوصات 150 رطلًا , مصمم وفقًا لمعيار API 594 , يحتوي على قرص واحد ووصلة رقاقة . سيكون لديه أفضل أداء تحت -29 إلى 350 درجة مئوية .

صمام فحص الرقاقة
3 "150LB المزدوج لوحة ويفر فحص الصمام API594 A995 5A

صمام فحص بسكويت الويفر 3 "150LB مصنوع وفقًا لمعيار API594 ، جسم الصمام مصنوع من A995 5A ، يتميز بالخصائص الهيكلية للنوع المدمج واللوحة المزدوجة ، وضع التوصيل هو نوع الرقاقة.

صمام فحص الرقاقة
CF8M 20 "150LB صمام فحص رقاقة مزدوج اللوحة API594

20 "صمام فحص بسكويت ويفر 150LB مصنوع وفقًا لمعيار API594 ، جسم الصمام مصنوع من A351 CF8M ، وله لوحة مزدوجة وميزات هيكلية من النوع المدمج ، وضع الاتصال هو Wafer RF.

صمام فحص الرقاقة
20 "300LB المزدوج لوحة ويفر فحص الصمام WCB API 594

صمام فحص بسكويت الويفر مقاس 20 "300LB مصنوع وفقًا لمعيار API 594. جسم الصمام مصنوع من WCB. يتميز بالخصائص الهيكلية للوحة المزدوجة والنوع المدمج. وضع التوصيل هو نوع رقاقة.

اترك رسالة

    إذا كنت مهتما في منتجاتنا و تريد أن تعرف المزيد من التفاصيل,يرجى ترك رسالة هنا وسوف نقوم بالرد عليك بأسرع ما يمكن.

الصفحة الرئيسية

منتجات

حول

اتصل