العربية

العربية

Get a Quote
منتجات

منتوجات جديدة

أخبار الشركة

Why Are Many Customers Surprised When They Receive DERVOS Valves?
Why Are Many Customers Surprised When They Receive DERVOS Valves?
2025-12-18

In the export of industrial valves, packaging is often regarded as merely the final step before delivery. However, during actual transportation, packaging directly affects the overall condition of the valve during transit, handling, and even at the moment the customer unpacks it.   For industrial valves that must undergo long-distance transportation and multiple transshipments, packaging itself is an integral part of product quality. Based on extensive export experience, DERVOS has established a clear, stable, and repeatable valve packaging standard to ensure that valves are delivered to customers safely and in perfect condition.   1. Pre-Packaging Preparation and Product Verification   Before entering the packaging process, all valves undergo cleaning, inspection, and product information verification. This stage ensures that each valve is in a stable and fully controlled condition before packaging.   ● Remove oil and grease from the valve body surface ● Inspect flange sealing surfaces and the valve cavity to ensure no foreign matter is present ● Install and securely fix the nameplate to ensure product information is clear and identifiable   This process provides a reliable foundation for subsequent protection and transportation.   2. Internal Anti-Corrosion Treatment and Sealing Surface Protection   To address the conditions typically encountered during export transportation, valves receive targeted protective treatment prior to packaging:   ● The valve cavity is evenly coated with anti-rust oil to reduce the risk of corrosion in humid or salt-laden environments ● Protective covers are installed on all flange faces to prevent impact damage or contamination during handling and transport   These measures ensure that both internal components and sealing surfaces remain in good condition until the valves arrive at the customer's site.   3. Multi-Layer Inner Packaging and Individual Valve Protection   During the inner packaging stage, DERVOS applies a multi-layer cushioning structure to provide comprehensive protection for each valve:   ● Impact-resistant pearl cotton is placed around all sides and at the bottom of the inner carton ● Separators are installed between valves to prevent direct contact ● Each valve is individually wrapped with protective cushioning material, with special attention given to coatings and machined surfaces   This packaging structure effectively reduces the risk of paint damage, abrasion, and surface defects during transportation.   4. Custom Partition Fixing and User-Friendly Design   When multiple valves are packed in the same crate, custom wooden partitions are used to secure each unit:   ● Valves are precisely positioned according to their dimensions to prevent movement inside the crate ● Partitions feature chamfered edges, making it easier for customers to open the crate and remove the valves ●&nb...

ما هي الاختلافات بين صمامات الكرة الأرضية وصمامات البوابة؟
ما هي الاختلافات بين صمامات الكرة الأرضية وصمامات البوابة؟
2025-12-12

في أنظمة الأنابيب الصناعية، تُعدّ صمامات الكرة الأرضية وصمامات البوابة من أكثر صمامات الإغلاق استخدامًا. ورغم أن كليهما مصمم لبدء وإيقاف تدفق السوائل، إلا أنهما يختلفان اختلافًا كبيرًا في التصميم الهيكلي، ومبادئ التشغيل، وسيناريوهات التطبيق، والأداء العام. ويساعد فهم هذه الاختلافات المهندسين على اتخاذ خيارات مدروسة تضمن كفاءة النظام وموثوقيته وفعاليته من حيث التكلفة. أولاً: الاختلافات الرئيسية في الهيكل ومبادئ التشغيل 1. آليات فتح وإغلاق مختلفة صمام كروي: يتحرك القرص لأعلى ولأسفل على طول مسار عمودي على اتجاه التدفق. يتم الإغلاق عندما تتلامس أسطح منع التسرب للقرص والمقعد بشكل كامل. صمام البوابة: تتحرك البوابة عموديًا بطريقة مشابهة لـ "البوابة" التي تكون إما مفتوحة بالكامل أو مغلقة بالكامل، ويتم تحقيق الإحكام من خلال ضغط السطح. وهذا يعني أن صمامات الكرة الأرضية مناسبة للتحكم الدقيق في التدفق، بينما تستخدم صمامات البوابة بشكل أساسي للخدمة المفتوحة بالكامل أو المغلقة بالكامل. 2. اختلافات تصميم مسار التدفق يحتوي صمام الكرة الأرضية على مسار تدفق على شكل حرف S يجبر الوسط على تغيير اتجاهه، مما يؤدي إلى مقاومة تدفق أعلى. يتميز صمام البوابة بمسار تدفق مستقيم مع مقاومة ضئيلة وانخفاض ضغط منخفض، مما يجعله أكثر ملاءمة للنقل لمسافات طويلة. ثانيًا: الاختلافات في سيناريوهات التطبيق 1. التحكم في معدل نقل البيانات مقابل تشغيل/إيقاف الخدمة يمكن استخدام صمامات الكرة الأرضية للتحكم في التدفق وتنظيمه، مما يجعلها مناسبة للتطبيقات التي تتطلب أداءً عاليًا في منع التسرب وتحكمًا دقيقًا في التدفق، مثل البخار ومياه التبريد ووسائط المعالجة المختلفة. لا تُعدّ صمامات البوابة مناسبة للتحكم في التدفق، إذ قد يؤدي تشغيلها في وضع الفتح الجزئي إلى اهتزاز البوابة، وتلف أسطح منع التسرب، وتأثيرات ناتجة عن السوائل. تُعدّ صمامات البوابة مثالية لخطوط الأنابيب ذات الأقطار الكبيرة حيث تكون مقاومة التدفق المنخفضة مطلوبة، وتردد التبديل منخفض نسبيًا، بما في ذلك أنظمة نقل النفط، وإمدادات المياه والصرف الصحي، ومحطات توليد الطاقة. 2. نطاق الحجم ومساحة التركيب تُستخدم صمامات الكرة الأرضية عمومًا في الأحجام الصغيرة والمتوسطة (أكثر شيوعًا تحت DN50). هيكلها أثقل ويتطلب مساحة تركيب أكبر. تُعدّ صمامات البوابة مناسبة للأحجام المتوسطة والكبيرة. وبفضل تصميمها البسيط، توفر ميزة من حيث التكلفة في الأحجام الكبيرة. ثالثًا: أداء منع التسرب وتصنيفات الضغط 1. اختلافات في تصميم سطح الإحكام يتميز صمام الكرة الأرضية بسطح مانع للتسرب مدبب، والذي يحقق إغلاقًا محكمًا من خلال الضغط المحوري، مما يسهل الحصول على أداء مانع للتسرب موثوق به. يستخدم صمام البوابة أسطح إحكام متوازية أو إسفينية الشكل. وتعتمد فعالية إحكامه بشكل كبير على الضغط الذي يطبقه الصمام، وتتأثر بشكل أكبر بضغط الوسط المحيط بالنظام. 2. القدرة على التكيف مع الضغط ودرجة الحرارة كلا نوعي الصمامات مناسبان للتطبيقات ذات الضغط المتوسط إلى العالي ودرجات الحرارة المرتفعة. ومع ذلك، توفر صمامات الكرة الأرضية أداءً أفضل في الأنظمة التي تتطلب تشغيلاً متكرراً أو إحكاماً عالياً للضغط، بينما تُعد صمامات البوابة أكثر ملاءمة للأنظمة ذات الضغط المستقر والتشغيل الدوري غير المتكرر. رابعاً: الاختلافات في الصيانة وعمر الخدمة 1. وتيرة الصيانة ودورة الاستبدال في تطبيقات الخنق، تتعرض أسطح منع التسرب لصمامات الكرة الأرضية للتآكل المتوسط، مما يتطلب اختيار المواد المناسبة والصيانة الدور...

المعايير الدولية الرئيسية لصمامات الفراشة: نظرة عامة مفصلة على معايير API 609 وISO 5752 وJB/T 8527
المعايير الدولية الرئيسية لصمامات الفراشة: نظرة عامة مفصلة على معايير API 609 وISO 5752 وJB/T 8527
2025-12-05

صمام الفراشة تُستخدم صمامات الفراشة على نطاق واسع في أنظمة الأنابيب الصناعية نظرًا لبنيتها المدمجة، وتصميمها خفيف الوزن، وسرعة تشغيلها. وهي شائعة الاستخدام في صناعات معالجة المياه، والكيماويات، والطاقة، والنفط، والغاز. مع ذلك، عند التعامل مع المعايير الصناعية في مختلف البلدان والمناطق، يُعد اختيار صمام الفراشة الذي يفي بالمواصفات ذات الصلة أمرًا بالغ الأهمية. تقدم هذه المقالة تحليلًا مفصلًا لمتطلبات تصميم صمامات الفراشة واختيارها استنادًا إلى ثلاثة معايير رئيسية: API 609، وISO 5752، وGB/T 12238. 1. معيار API 609 - معيار معهد البترول الأمريكي API 609 يُعدّ معيار معهد البترول الأمريكي (API) معيارًا للصمامات الفراشية ذات المقاعد المعدنية، والتي تُستخدم بشكل أساسي في صناعات النفط والغاز والكيماويات. يُحدد هذا المعيار بنية الصمام ومواده وأبعاده وتصنيفات الضغط لضمان أداء موثوق به في ظل ظروف درجات الحرارة والضغط العالية والبيئات المسببة للتآكل. تشمل النقاط الرئيسية ما يلي: ● معدلات الضغط: يغطي الفئات من 150 إلى 1500، ويستوعب ظروف الخدمة المختلفة. ● تصميم الهيكل والقرص: يتطلب منع التسرب المعدني محاذاة دقيقة بين القرص والمقعد لمنع التسرب تحت درجات الحرارة العالية أو الضغط العالي. ● الاختبار والفحص: يشمل ذلك اختبارات الغلاف، واختبارات تسرب المقعد، وفحوصات الأداء التشغيلي لضمان سلامة الصمام وموثوقيته. بالنسبة لخطوط أنابيب البخار ذات درجة الحرارة العالية أو خطوط أنابيب النفط والغاز ذات الضغط العالي، فإن اختيار صمام فراشة متوافق مع معيار API 609 يمكن أن يقلل بشكل كبير من خطر التسرب ويطيل عمر المعدات. 2. ISO 5752 — معيار المنظمة الدولية للمقاييس المعيار الدولي ISO 5752 هو معيار المنظمة الدولية للتوحيد القياسي (ISO) الذي يحدد أبعاد نهايات الصمامات وأحجام وصلات الفلنجات. ويحدد هذا المعيار أبعاد الوجه إلى الوجه، وأحجام الفلنجات، وطرق التوصيل لصمامات الفراشة، مما يوفر مواصفات واجهة متسقة للمستخدمين الصناعيين في جميع أنحاء العالم. تشمل النقاط الرئيسية ما يلي: ● الأبعاد وجهاً لوجه: يحدد أطوال الصمامات لأقطار اسمية مختلفة لضمان التوافق مع أنظمة الأنابيب. ● أبعاد الشفة: يضمن توافق الصمامات مع تركيبات الأنابيب القياسية الدولية، مثل شفة ANSI أو DIN. ● قابلية التبادل: يمكن استبدال أو صيانة صمامات الفراشة المصممة وفقًا لمعيار ISO 5752 على مستوى العالم دون إعادة تصميم واجهة خط الأنابيب. يُعد معيار ISO 5752 مناسبًا بشكل خاص للمشاريع الهندسية متعددة الجنسيات، مما يضمن عالمية صمامات الفراشة عبر مختلف المصانع والأنظمة. 3. JB/T8527 — المعيار الوطني الصيني يُعدّ معيار JB/T8527 المعيار الوطني الصيني الذي يحدد أبعاد وبنية ومتطلبات اختبار صمامات الفراشة المعدنية ذات الختم الصلب. ويُستخدم على نطاق واسع في المشاريع الصناعية المحلية، مثل مشاريع الري والطاقة والبتروكيماويات، ويُمثّل مرجعًا هامًا لعمليات الشراء والاستلام. تشمل النقاط الرئيسية ما يلي: ● القطر الاسمي ومعدل الضغط: يغطي التصنيفات الشائعة مثل PN1.0 إلى PN16، وهو مناسب للماء والبخار والسوائل الصناعية. ● الجسم والقرص: يحدد المتطلبات المادية والهيكلية لضمان أداء إحكام الصمامات وقوتها الميكانيكية. ● متطلبات الاختبار: يشمل ذلك اختبارات قوة الغلاف، وأداء الإحكام، وموثوقية التشغيل لضمان جودة المصنع. في المشاريع المحلية، تضمن صمامات الفراشة المتوافقة مع معيار JB/T8527 أداءً موثوقًا به وتسهل على الموردين تقديم خدمة ما بعد البيع وقطع ...

خمسة آلاف ومائتان واحد
加载中...

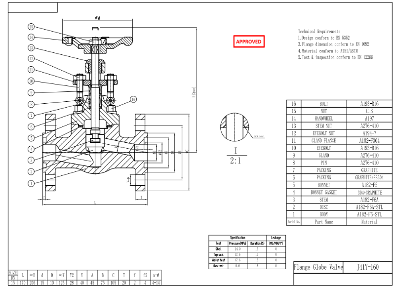
صمام كروي ذو شفة فولاذية مطروقة DN15 PN160 F5 BS 5352

صمام كروي ذو شفة فولاذية مطروقة DN15 PN160 مصنوع وفقًا لمعيار BS 5352. جسم الصمام مصنوع من مادة A182-F5+STL. يتميز بخصائص هيكلية وجهاً لوجه (L): ١٧٠ مم. وضع التوصيل EN١٠٩٢-١D. يعمل بنظام عجلة يدوية.

  • دفع:

    30% when order confirmed, 70% before shipment
  • أصل المنتج:

    china
  • اللون:

    Customization
  • ميناء الشحن:

    Shanghai, China
  • المهلة:

    30~60 days Ex Works after order confirmation
  • Material:

    A182-F5+STL
  • Method of Operation:

    A182-F5+STL
الاستفسار الآن
تفاصيل المنتج

وصف المنتج

يكتب

صمام كروي من الفولاذ المطروق

مقاس

DN15

ضغط

PN160

اتصال

EN1092-1D

مادة الجسم

A182-F5+STL

معيار التصميم

BS 5352

أبعاد الشفة

EN 1092

رمز الاختبار والتفتيش

EN 12266

درجة حرارة

-29 ~ 595 درجة مئوية

الوسيلة المناسبة

المياه والنفط والغاز

سمات

1. مصنوعة من سبائك الفولاذ F5، مما يوفر قوة ممتازة في درجات الحرارة العالية وموثوقية لأنظمة الضغط PN160.

2. تصميم صمام الكرة المتوافق مع BS 5352 يوفر تنظيمًا دقيقًا للتدفق واتصالًا آمنًا بالشفة للتطبيقات الصناعية.

الرسم الفني

Forged Steel Globe Valve

فحص الأبعاد

Forged Steel Globe Valve

اختبار الضغط

Forged Steel Globe Valve

لوحة الاسم والتغليف

Forged Steel Globe Valve

تقرير التفتيش

Forged Steel Globe Valve Forged Steel Globe Valve Forged Steel Globe Valve Forged Steel Globe Valve

اترك رسالة

إذا كنت مهتما في منتجاتنا و تريد أن تعرف المزيد من التفاصيل,يرجى ترك رسالة هنا وسوف نقوم بالرد عليك بأسرع ما يمكن.

منتجات ذات صله
صمام غلوب astm a105 الصلب مزورة
مزورة الصلب صمام العالم 1 بوصة 800lb دليل الخيوط

يحتوي الصمام الكروي الملولب الأنثى بسعة 800 رطل على قرص سدادة ، وميناء مخفض ، وتشغيل يدوي للعجلة اليدوية. يتكون الصمام من جسم 105n وتقليم 5 حسب api 602. تفاصيل سريعة نوع كره ارضيه   صمام بحجم 1 " الضغط صف دراسي   800 اعمال بناء انسحب   غطاء محرك السيارة ، منفذ مخفض ، خارج scew & amp؛ نير نوع الاتصال npt   موضوع الإناث نوع العملية عقارب   تعمل كود التصميم واجهة برمجة تطبيقات   602 من النهاية إلى النهاية   البعد اسمى   ب 16.10 الإتصال اسمى   ب 1.20.1 الضغط & أمبير ؛   مؤقت اسمى   ب 16.34 اختبار & أمبير ؛   تفتيش واجهة برمجة تطبيقات   598 مواد الجسم مزور   الصلب a105 مواد تقليم 13cr + ستلايت نطاق درجة حرارة -29 ℃ ~ + 427 ℃ تطبيق ماء،   النفط والغاز الأصل الصين حدود المنتج1.حجم يصل إلى 4 بوصة2. ضغط التصميم بين 150 رطل إلى 2500 رطل3. الاتصال: شفة ، مأخذ اللحام ، الصفحات4. العملية: عقارب ، علبة التروس ، الجذعية العارية ، مع المحركات5. الجسم المواد: الكربون الصلب والفولاذ المقاوم للصدأ وسبائك الصلب6.trim المواد: تقليم 1 ، 5 ، 8 ، 10 ، 12 ، 16 وإلخ.7.غطاء محكم ، غطاء محكم الضغط ، غطاء المحرك الملحوم ، غطاء المحرك الملولب8. التجويف المنخفض ، تتحمل الكامل تقارير التفتيشإلى جانب كل طلب ، ستقدم شركة Dervos تقارير الفحص وتقارير اختبار المواد مجانًا بعد الشحن. ستتيح لك كل هذه الشهادات الحصول على صورة واضحة لعملية الفحص والنتائج. بالإضافة إلى ذلك ، يمكن استخدام هذه التقارير للتتبع.

صمام الكرة الأرضية الصلب مزورة
صمام الكرة الأرضية الفولاذي المطروق SDNR FNPT المستقيم

صمام كروي بتصميم غير رجعي، يمنع التدفق العكسي عندما يكون في الوضع المفتوح، وهو مناسب أيضًا لواجب العزل. تعمل يدويًا، ومزودة بعجلة يدوية.

صمام الكرة الأرضية بنمط الإنطلاق
DN25 PN250 Tee Pattern Globe Valve Forging Steel API 602

تفصيل سريع نوع صمام العالمDN DN50PN PN250 بناء نمط المحملة بولت بونيه نوع الاتصال معاهدة عدم الانتشار نوع العملية عقارب كود التصميم API602 نهاية المسمار ASME / ANSI B1.20.1 اختبارالتفتيش API598 مادة الجسم A105 + STL مادة تقليم A276-420 متوسط الماء والنفط والغاز أصل الصين سمات - تتمتع الصمامات الكروية بإمكانيات خنق وإغلاق جيدة - سهولة الصيانة وإعادة الظهور للمقاعد - يمكن استخدامه كصمام فحص توقف إذا لم يكن القرص متصلًا بالساق رسم تقنى _ رسم عن طريق الكمبيوتر فحص الأبعاد اختبارات الشهود تغليف ديرفوس التعبئة الجيدة تعني الانطباع الأول الجيد. فقط تخيل كيف تشعر بشكل مختلف عند رؤية صندوقين أدناه؟ وستعرف سبب تقديرنا للتعبئة كثيرًا في Dervos. في Dervos ، نتأكد من- كل صمام نظيف وجاف. - نظف الصمام قبل التعبئة -إضافة زيت مضاد للصدأ -إضافة غطاء شفة لا ضرر للصمامات أثناء التسليم. - ثبّت الصمام بسلك حديد - افصل الصمام بمادة ناعمة - طبقة الصمام مع الخشب الرقائقي -صندوق قوي وعلامة شحن واضحة

صمام العالم
صمام الكرة الأرضية الفولاذي المزور DN15 ASA2500 NPT

مع المسمار الخارجي والنير ، وتشغيل العجلة اليدوية ، NPT ، فإن صمام الكرة الأرضية الفولاذي المطروق مصنوع من A105 ومصمم وفقًا لـ BS5352.

صمام العالم
11/2 "800LB مزورة الصلب غلوب صمام SW A105 API602

11/2 "800LB صمام الكرة الأرضية مصنوع وفقًا لمعيار API602. جسم الصمام مصنوع من A105 + STL. له الخصائص الهيكلية للغطاء الملحوم.وضع توصيله SW. ولديه وضع تشغيل عجلة اليد.

صمام العالم
3/4 "800LB مزورة الصلب الكرة صمام SW + FNPT A105N API602

3/4 "800LB صمام الكرة الأرضية مصنوع وفقًا لمعيار API 602. جسم الصمام مصنوع من A105N + STL. يتميز بالخصائص الهيكلية للقابس ، وقابس دوار القرص ، ومقعد الجسم ونظام التشغيل OS&Y. وضع الاتصال هو SW + FNPT. و لديها وضع تشغيل عجلة اليد.

صمام العالم
1/2 "800LB مزورة الصلب غلوب صمام SW F316 / 316L API602 عجلة اليد

تم صنع صمام الكرة الأرضية 1/2 "800LB وفقًا لمعيار API 602. جسم الصمام مصنوع من ASTM A182 F316 / F316L + STL. إنه يتميز بالخصائص الهيكلية لغطاء الترباس ، وقابس دوار القرص ، ومقعد الجسم ونظام التشغيل OS&Y. هو SW. ولديه وضع تشغيل عجلة اليد.

صمام العالم
DN25 PN63 صمام الكرة الأرضية الفولاذي المطروق BS5352 عقارب A105N SS304

تم تصنيع الصمام الكروي DN25 PN63 وفقًا لمعيار BS5352. جسم الصمام مصنوع من A105N+SS304. إنه يتميز بالخصائص الهيكلية لغطاء الترباس، مباشرة من خلال النوع. وضع الاتصال الخاص بها هو EN1092-1 D. ولديه وضع تشغيل عجلة اليد.

صمام العالم
DN25 PN100 صمام الكرة الأرضية الفولاذي المطروق A105N SS304 API602

تم تصنيع الصمام الكروي DN25 PN100 وفقًا لمعيار API 602. جسم الصمام مصنوع من A105N+SS304. إنه يتميز بالخصائص الهيكلية لغطاء الترباس، مباشرة من خلال النوع. وضع الاتصال الخاص بها هو EN1092-1 D. ولديه وضع تشغيل عجلة اليد.

صمام العالم
API602 1/2 "150LB صمام كروي فولاذي مزورة A105N RF عقارب

تم تصنيع الصمام الكروي 150LB مقاس 1/2 بوصة وفقًا لمعيار API 602. جسم الصمام مصنوع من ASTM A105N+STL. يتميز بالخصائص الهيكلية للنوع المار. وضع الاتصال الخاص به هو RF. ولديه وضع تشغيل عجلة اليد .

صمام العالم
صمام كروي فولاذي مُشكل، اتصال RF، 1/2 بوصة 150 رطل، الهيكل A105N، API602

تم تصنيع الصمام الكروي 150LB مقاس 1/2 بوصة وفقًا لمعيار API 602. جسم الصمام مصنوع من ASTM A105N+STL. يتميز بالخصائص الهيكلية للنوع المار. وضع الاتصال الخاص به هو RF. ولديه وضع تشغيل عجلة اليد .

صمام العالم
اتصال RF، صمام كروي فولاذي مُشكل، 1 بوصة 600 رطل، الهيكل A105N، API602

تم تصنيع الصمام الكروي 1 بوصة 600 رطل وفقًا لمعيار API 602. جسم الصمام مصنوع من ASTM A105N+STL. إنه يتميز بالخصائص الهيكلية لغطاء الترباس، من النوع المباشر. وضع الاتصال الخاص به هو RF. ولديه وضع تشغيل العجلة اليدوية .

اترك رسالة

    إذا كنت مهتما في منتجاتنا و تريد أن تعرف المزيد من التفاصيل,يرجى ترك رسالة هنا وسوف نقوم بالرد عليك بأسرع ما يمكن.

الصفحة الرئيسية

منتجات

حول

اتصل