العربية

العربية

Get a Quote
منتجات

منتوجات جديدة

أخبار الشركة

دليل استكشاف الأخطاء وإصلاحها لاهتزاز الصمامات والضوضاء
دليل استكشاف الأخطاء وإصلاحها لاهتزاز الصمامات والضوضاء
2026-01-06

تشير هذه الأعراض عادةً إلى عدم توافق في حالة السوائل، valve selection, or system configuration. If left unaddressed over prolonged operation, they can accelerate valve wear and pose safety risks. Based on field experience, this article outlines the common causes of valve vibration and noise and provides practical guidance for troubleshooting. 1. Basic Manifestations of Valve Vibration and Noise Valve vibration usually appears as noticeable oscillations of the valve body, stem, or connected piping. Noise may present as humming, whistling, or banging sounds. These phenomena often occur simultaneously and are primarily related to the following factors: ● Abnormal flow velocity or pressure differential ● Unstable internal forces within the valve ● Mismatch between actual operating conditions and valve design 2. Common Causes Analysis 1. Excessive Flow Velocity or Pressure Differential When the fluid passes through the throttling section of a valve at high speed, strong turbulence and pressure fluctuations are likely to occur, causing periodic impact on internal components. This issue is particularly pronounced when using standard globe valve s or ball valves under regulating conditions. Typical manifestations include: ● Noise increases as the valve opening decreases ● Vibration intensifies under high-pressure-drop conditions 2. Improper Valve Selection Incorrect valve selection is a common root cause of vibration, such as: ● Using on/off valves for prolonged throttling ● Oversized valve operating at small openings for extended periods ● Insufficient pressure rating or structural rigidity of the valve These conditions can cause unstable movement of the valve plug or ball, resulting in vibration and noise. 3. Loose or Worn Internal Components After long-term operation, the following issues are commonly observed: ● Wear of valve plugs or discs ● Increased clearance between the stem and guiding parts ● Loosened fasteners Non-design clearances amplify fluid impact, leading to persistent noise. If vibration is accompanied by metallic knocking sounds, the condition of internal components should be checked as a priority. 4. Cavitation or Flashing In liquid service, cavitation or flashing occurs when local pressure drops below the saturation vapor pressure. Bubble collapse in high-pressure regions impacts internal components, often accompanied by noise and vibration. Typical signs include: ● Sand- or gravel-like scraping sounds ● Rapid wear of internal components ● Significant pressure fluctuations 5. Insufficient Piping Support or System Resonance Some vibrations are not directly caused by the valve. When upstream or downstream piping lacks adequate support, or when the piping structure resonates near the fluid pulsation frequency, system resonance may occur, amplifying existing vibrations. 3. On-Site Troubleshooting Approach It is recommended to follow the sequence below when troubleshooting: ● Verify whether the pressure, flow rate, and fluid are within th...

شرح صمامات الكرة المقاومة للحريق: متى تحتاج إليها فعلاً؟
شرح صمامات الكرة المقاومة للحريق: متى تحتاج إليها فعلاً؟
2025-12-29

في أنظمة الأنابيب الصناعية، تُعتبر السلامة دائماً أولوية قصوى. صمام كروي مقاوم للحريق صمام كروي مقاوم للحريق هو نوع متخصص من الصمامات الكروية مصمم للحفاظ على الإحكام ومنع التسرب في درجات الحرارة العالية أو ظروف الحريق. على الرغم من تشابهه ظاهريًا مع الصمام الكروي القياسي، إلا أن بنيته ووظيفته تختلفان اختلافًا كبيرًا. تقدم هذه المقالة تحليلًا مفصلًا لمبدأ عمله، والسيناريوهات التطبيقية، وإرشادات اختيار الصمامات الكروية المقاومة للحريق. 1. مقدمة عن صمامات الكرة المقاومة للحريق صُمم صمام الكرة المقاوم للحريق لتحمل ظروف الحريق أو درجات الحرارة العالية للغاية. وتتمثل ميزته الأساسية في قدرته على الحفاظ على التلامس المعدني بين الكرة والمقعد حتى في حالة صمام تتضرر المقاعد أو عناصر منع التسرب بفعل الحرارة العالية، مما يمنع تسرب المادة. سمات: ● حماية من درجات الحرارة العالية: حتى في حالة ذوبان أو احتراق مواد منع التسرب اللينة، يستمر ختم المعدن في العمل. ● الامتثال للمعايير الدولية: تشمل المعايير الشائعة API 607 و ISO 10497. ● متانة عالية: مناسبة لظروف التشغيل القاسية والوسائط القابلة للاشتعال أو الانفجار. مبدأ العمل: في درجات الحرارة العادية، يضمن مقعد الصمام المرن عدم وجود أي تسريب. وعندما ترتفع درجة الحرارة إلى نقطة فشل مانع التسريب المرن، يقوم نابض أو آلية تحميل مسبق بدفع الكرة باتجاه المقعد المعدني، مما يحقق إحكامًا معدنيًا ويمنع تسرب السوائل في درجات الحرارة العالية أو في ظروف الحريق. 2. السيناريوهات المطبقة على صمامات الكرة المقاومة للحريق ● البتروكيماويات والغاز الطبيعي: في خطوط الأنابيب التي تنقل مواد قابلة للاشتعال أو الانفجار، يجب استخدام جهاز مقاوم للحريق صمام كروي يمكن أن يمنع بشكل فعال انتشار الحريق عبر الصمام. ● أنظمة العمليات ذات درجات الحرارة العالية: في خطوط أنابيب البخار أو الزيت الساخن أو الغاز ذي درجة الحرارة العالية، حتى في حالة فشل مواد منع التسرب اللينة بسبب الحرارة، فإن مانع التسرب المعدني يضمن سلامة النظام. ● تطبيقات تتطلب معايير أمان عالية: في المنشآت مثل مصافي النفط ومصانع الكيماويات والمنصات البحرية حيث تكون معايير السلامة صارمة، فإن استخدام صمامات الكرة المقاومة للحريق يساعد في تقليل خطر التسرب. 3. الاختلافات بين صمامات الكرة المقاومة للحريق وصمامات الكرة القياسية ● مواد منع التسرب: تستخدم صمامات الكرة القياسية عادةً مادة PTFE أو مواد مرنة أخرى لمنع التسرب، والتي قد تتلف عند درجات الحرارة العالية. أما صمامات الكرة المقاومة للحريق، فتعتمد على منع تسرب معدني عند تلف مانع التسرب المرن. ● معايير التصميم: يجب أن تتوافق صمامات الكرة المقاومة للحريق مع معايير اختبار الحريق، مثل API 607، في حين أن صمامات الكرة القياسية لا تخضع لهذا الشرط. ● ظروف التشغيل المناسبة: تُستخدم صمامات الكرة المقاومة للحريق بشكل أساسي مع الوسائط ذات درجات الحرارة والضغوط العالية، أو مع الوسائط القابلة للاشتعال/الانفجار. أما صمامات الكرة القياسية فهي مناسبة للوسائط التقليدية ذات الضغط المنخفض إلى المتوسط ودرجة حرارة الغرفة. 4. توصيات الاختيار بناءً على خصائص الوسيط: ● بالنسبة للوسائط القابلة للاشتعال أو المتفجرة أو ذات درجات الحرارة العالية، يجب إعطاء الأولوية لصمامات الكرة المقاومة للحريق. ● بالنسبة للوسائط منخفضة الخطورة مثل الماء أو الهواء أو الزيت في درجة حرارة الغرفة، فإن صمامات الكرة القياسية كافية. بناءً على درجة حرارة العملية: ● إذا كانت درجات حرارة النظ...

لماذا يتفاجأ العديد من العملاء عند استلامهم صمامات DERVOS؟
لماذا يتفاجأ العديد من العملاء عند استلامهم صمامات DERVOS؟
2025-12-18

في تصدير الصمامات الصناعية، يُنظر إلى التغليف غالبًا على أنه مجرد الخطوة الأخيرة قبل التسليم. ومع ذلك، أثناء النقل الفعلي، يؤثر التغليف بشكل مباشر على الحالة العامة للصمام أثناء النقل والمناولة، وحتى لحظة فتح العميل له. ل صمام صناعي نظراً لأن الصمامات تخضع لعمليات نقل لمسافات طويلة وشحنات متعددة، فإن التغليف نفسه يُعد جزءاً لا يتجزأ من جودة المنتج. واستناداً إلى خبرة تصديرية واسعة، وضعت شركة ديرفوس معياراً واضحاً وثابتاً وقابلاً للتكرار لتغليف الصمامات، لضمان وصولها إلى العملاء بأمان وفي حالة ممتازة. 1. التحضير قبل التعبئة والتحقق من المنتج قبل بدء عملية التعبئة والتغليف، تخضع جميع الصمامات للتنظيف والفحص والتحقق من معلومات المنتج. تضمن هذه المرحلة أن يكون كل صمام في حالة مستقرة وخاضعة للتحكم الكامل قبل التعبئة والتغليف. ● إزالة الزيوت والشحوم من صمام سطح الجسم ● افحص أسطح منع التسرب للشفة وتجويف الصمام للتأكد من خلوهما من أي مواد غريبة ● قم بتركيب لوحة الاسم وتثبيتها بإحكام لضمان وضوح معلومات المنتج وسهولة التعرف عليها. توفر هذه العملية أساسًا موثوقًا به للحماية والنقل اللاحقين. 2. معالجة داخلية مضادة للتآكل وحماية سطحية مانعة للتسرب ولمعالجة الظروف التي عادة ما يتم مواجهتها أثناء النقل للتصدير، تخضع الصمامات لمعالجة وقائية محددة قبل التعبئة والتغليف: ● يتم طلاء تجويف الصمام بالتساوي بزيت مضاد للصدأ لتقليل خطر التآكل في البيئات الرطبة أو المحملة بالملح ● يتم تركيب أغطية واقية على جميع أسطح الفلنجات لمنع تلف الصدمات أو التلوث أثناء المناولة والنقل تضمن هذه الإجراءات أن تظل كل من المكونات الداخلية وأسطح منع التسرب في حالة جيدة حتى وصول الصمامات إلى موقع العميل. 3. تغليف داخلي متعدد الطبقات وحماية فردية للصمام خلال مرحلة التغليف الداخلي، تستخدم شركة DERVOS هيكل تبطين متعدد الطبقات لتوفير حماية شاملة لكل صمام: ● يتم وضع قطن اللؤلؤ المقاوم للصدمات حول جميع جوانب وقاع الكرتون الداخلي ● يتم تركيب فواصل بين الصمامات لمنع التلامس المباشر ● يتم تغليف كل صمام على حدة بمادة تبطين واقية، مع إيلاء اهتمام خاص للطلاءات والأسطح المصنعة آلياً يقلل هيكل التغليف هذا بشكل فعال من خطر تلف الطلاء والتآكل وعيوب السطح أثناء النقل. 4. تثبيت التقسيمات المخصصة والتصميم سهل الاستخدام عند تعبئة عدة صمامات في نفس الصندوق، يتم استخدام فواصل خشبية مصممة خصيصًا لتأمين كل وحدة: ● يتم وضع الصمامات بدقة وفقًا لأبعادها لمنع الحركة داخل الصندوق ● تتميز الفواصل بحواف مشطوفة، مما يسهل على العملاء فتح الصندوق وإزالة الصمامات ● يتم تحقيق التوازن بين استقرار النقل وسهولة المناولة في الموقع غالباً ما تكون هذه التفاصيل من بين أول الأشياء التي يلاحظها العملاء عند استلام البضائع، مما يعكس اهتمام المورد بكل من الحماية وتجربة المستخدم. 5. تعزيز الصندوق الخارجي والتغليف من الدرجة التصديرية في المرحلة النهائية، يتم تغليف الصمامات بالكامل في صناديق خارجية متينة: ● يتميز الصندوق الخارجي بهيكل ثابت مصمم لتلبية متطلبات النقل التصديري والتداول المتكرر. ● يضمن إحكام إغلاق الصناديق ملاءمتها للنقل لمسافات طويلة والتخزين في المستودعات. ● تسهل العبوة تحميل الحاويات والشحن والاستلام في الموقع. تنعكس القدرة على التصنيع والتسليم من خلال تفاصيل التغليف. 6. اختبار التعليق المقلوب لضمان موثوقية التغليف للتحقق من استقرار وموثوقية التغليف في ظل ظروف النقل والمناولة الحقيقية، تجري شركة ديرفوس اختبارات التعليق المقل...

خمسة آلاف ومائتان واحد
加载中...

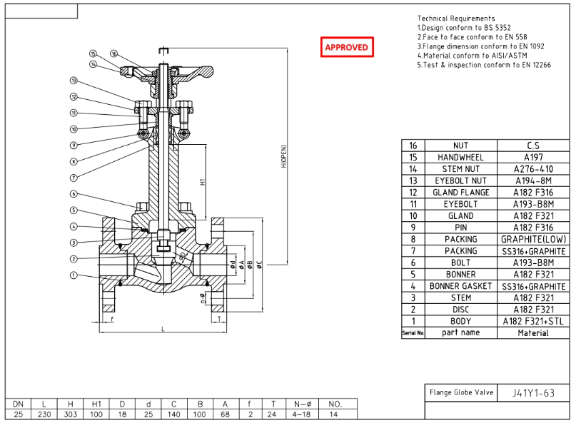
صمام كروي فولاذي مطروق DN25 PN64 بعجلة يدوية F321

  • دفع:

    30% when order confirmed, 70% before shipment
  • أصل المنتج:

    china
  • اللون:

    Customization
  • ميناء الشحن:

    Shanghai, China
  • المهلة:

    30~60 days Ex Works after order confirmation
  • Material:

    A182 F321+STL
  • Method of Operation:

    hand wheel
الاستفسار الآن
تفاصيل المنتج

صمام كروي فولاذي مطروق DN25 PN64 مصنوع وفقًا لمعيار BS 5352. جسم الصمام مصنوع من الفولاذ F321. يتميز بخصائص هيكلية تشمل غطاءً مثبتًا بمسامير، وتصميمًا مستقيمًا، وساقًا ممتدًا بطول 100 مم، وحشوة مانعة للتسرب. طريقة توصيله هي EN1092-1 B1. وهو مزود بعجلة يدوية. operation mode.

Product Parameters

Type

forged steel globe valve

Size

DN25

Pressure

PN64

Connection

EN1092-1 B1

Operation

Hand Wheel

Body Material

A182 F321+STL

Design Norm

BS 5352

Face to Face

EN 558

Flange dimension

EN 1092

Test & Inspection Code

EN 12266

Temperature

-50 ~ 150 °C

Applicable Medium

Water, Oil and Gas

Features

1.Forged from F321 stainless steel, providing excellent high-temperature resistance and corrosion durability for PN64 pressure applications.

2.Globe valve design with hand wheel operation ensures precise flow control and reliable shutoff.

Technical Drawing

High Quality forged steel globe valve

Forged Steel Globe Valve

Dimension Checking

High Quality forged steel globe valve

Pressure Testing

High Quality forged steel globe valve

Spectrum

High Quality forged steel globe valve

اترك رسالة

إذا كنت مهتما في منتجاتنا و تريد أن تعرف المزيد من التفاصيل,يرجى ترك رسالة هنا وسوف نقوم بالرد عليك بأسرع ما يمكن.

منتجات ذات صله
صمام غلوب astm a105 الصلب مزورة
مزورة الصلب صمام العالم 1 بوصة 800lb دليل الخيوط

يحتوي الصمام الكروي الملولب الأنثى بسعة 800 رطل على قرص سدادة ، وميناء مخفض ، وتشغيل يدوي للعجلة اليدوية. يتكون الصمام من جسم 105n وتقليم 5 حسب api 602. تفاصيل سريعة نوع كره ارضيه   صمام بحجم 1 " الضغط صف دراسي   800 اعمال بناء انسحب   غطاء محرك السيارة ، منفذ مخفض ، خارج scew & amp؛ نير نوع الاتصال npt   موضوع الإناث نوع العملية عقارب   تعمل كود التصميم واجهة برمجة تطبيقات   602 من النهاية إلى النهاية   البعد اسمى   ب 16.10 الإتصال اسمى   ب 1.20.1 الضغط & أمبير ؛   مؤقت اسمى   ب 16.34 اختبار & أمبير ؛   تفتيش واجهة برمجة تطبيقات   598 مواد الجسم مزور   الصلب a105 مواد تقليم 13cr + ستلايت نطاق درجة حرارة -29 ℃ ~ + 427 ℃ تطبيق ماء،   النفط والغاز الأصل الصين حدود المنتج1.حجم يصل إلى 4 بوصة2. ضغط التصميم بين 150 رطل إلى 2500 رطل3. الاتصال: شفة ، مأخذ اللحام ، الصفحات4. العملية: عقارب ، علبة التروس ، الجذعية العارية ، مع المحركات5. الجسم المواد: الكربون الصلب والفولاذ المقاوم للصدأ وسبائك الصلب6.trim المواد: تقليم 1 ، 5 ، 8 ، 10 ، 12 ، 16 وإلخ.7.غطاء محكم ، غطاء محكم الضغط ، غطاء المحرك الملحوم ، غطاء المحرك الملولب8. التجويف المنخفض ، تتحمل الكامل تقارير التفتيشإلى جانب كل طلب ، ستقدم شركة Dervos تقارير الفحص وتقارير اختبار المواد مجانًا بعد الشحن. ستتيح لك كل هذه الشهادات الحصول على صورة واضحة لعملية الفحص والنتائج. بالإضافة إلى ذلك ، يمكن استخدام هذه التقارير للتتبع.

صمام الكرة الأرضية الصلب مزورة
صمام الكرة الأرضية الفولاذي المطروق SDNR FNPT المستقيم

صمام كروي بتصميم غير رجعي، يمنع التدفق العكسي عندما يكون في الوضع المفتوح، وهو مناسب أيضًا لواجب العزل. تعمل يدويًا، ومزودة بعجلة يدوية.

صمام الكرة الأرضية بنمط الإنطلاق
DN25 PN250 Tee Pattern Globe Valve Forging Steel API 602

تفصيل سريع نوع صمام العالمDN DN50PN PN250 بناء نمط المحملة بولت بونيه نوع الاتصال معاهدة عدم الانتشار نوع العملية عقارب كود التصميم API602 نهاية المسمار ASME / ANSI B1.20.1 اختبارالتفتيش API598 مادة الجسم A105 + STL مادة تقليم A276-420 متوسط الماء والنفط والغاز أصل الصين سمات - تتمتع الصمامات الكروية بإمكانيات خنق وإغلاق جيدة - سهولة الصيانة وإعادة الظهور للمقاعد - يمكن استخدامه كصمام فحص توقف إذا لم يكن القرص متصلًا بالساق رسم تقنى _ رسم عن طريق الكمبيوتر فحص الأبعاد اختبارات الشهود تغليف ديرفوس التعبئة الجيدة تعني الانطباع الأول الجيد. فقط تخيل كيف تشعر بشكل مختلف عند رؤية صندوقين أدناه؟ وستعرف سبب تقديرنا للتعبئة كثيرًا في Dervos. في Dervos ، نتأكد من- كل صمام نظيف وجاف. - نظف الصمام قبل التعبئة -إضافة زيت مضاد للصدأ -إضافة غطاء شفة لا ضرر للصمامات أثناء التسليم. - ثبّت الصمام بسلك حديد - افصل الصمام بمادة ناعمة - طبقة الصمام مع الخشب الرقائقي -صندوق قوي وعلامة شحن واضحة

صمام العالم
صمام الكرة الأرضية الفولاذي المزور DN15 ASA2500 NPT

مع المسمار الخارجي والنير ، وتشغيل العجلة اليدوية ، NPT ، فإن صمام الكرة الأرضية الفولاذي المطروق مصنوع من A105 ومصمم وفقًا لـ BS5352.

صمام العالم
11/2 "800LB مزورة الصلب غلوب صمام SW A105 API602

11/2 "800LB صمام الكرة الأرضية مصنوع وفقًا لمعيار API602. جسم الصمام مصنوع من A105 + STL. له الخصائص الهيكلية للغطاء الملحوم.وضع توصيله SW. ولديه وضع تشغيل عجلة اليد.

صمام العالم
3/4 "800LB مزورة الصلب الكرة صمام SW + FNPT A105N API602

3/4 "800LB صمام الكرة الأرضية مصنوع وفقًا لمعيار API 602. جسم الصمام مصنوع من A105N + STL. يتميز بالخصائص الهيكلية للقابس ، وقابس دوار القرص ، ومقعد الجسم ونظام التشغيل OS&Y. وضع الاتصال هو SW + FNPT. و لديها وضع تشغيل عجلة اليد.

صمام العالم
1/2 "800LB مزورة الصلب غلوب صمام SW F316 / 316L API602 عجلة اليد

تم صنع صمام الكرة الأرضية 1/2 "800LB وفقًا لمعيار API 602. جسم الصمام مصنوع من ASTM A182 F316 / F316L + STL. إنه يتميز بالخصائص الهيكلية لغطاء الترباس ، وقابس دوار القرص ، ومقعد الجسم ونظام التشغيل OS&Y. هو SW. ولديه وضع تشغيل عجلة اليد.

صمام العالم
DN25 PN63 صمام الكرة الأرضية الفولاذي المطروق BS5352 عقارب A105N SS304

تم تصنيع الصمام الكروي DN25 PN63 وفقًا لمعيار BS5352. جسم الصمام مصنوع من A105N+SS304. إنه يتميز بالخصائص الهيكلية لغطاء الترباس، مباشرة من خلال النوع. وضع الاتصال الخاص بها هو EN1092-1 D. ولديه وضع تشغيل عجلة اليد.

صمام العالم
DN25 PN100 صمام الكرة الأرضية الفولاذي المطروق A105N SS304 API602

تم تصنيع الصمام الكروي DN25 PN100 وفقًا لمعيار API 602. جسم الصمام مصنوع من A105N+SS304. إنه يتميز بالخصائص الهيكلية لغطاء الترباس، مباشرة من خلال النوع. وضع الاتصال الخاص بها هو EN1092-1 D. ولديه وضع تشغيل عجلة اليد.

صمام العالم
API602 1/2 "150LB صمام كروي فولاذي مزورة A105N RF عقارب

تم تصنيع الصمام الكروي 150LB مقاس 1/2 بوصة وفقًا لمعيار API 602. جسم الصمام مصنوع من ASTM A105N+STL. يتميز بالخصائص الهيكلية للنوع المار. وضع الاتصال الخاص به هو RF. ولديه وضع تشغيل عجلة اليد .

صمام العالم
صمام كروي فولاذي مُشكل، اتصال RF، 1/2 بوصة 150 رطل، الهيكل A105N، API602

تم تصنيع الصمام الكروي 150LB مقاس 1/2 بوصة وفقًا لمعيار API 602. جسم الصمام مصنوع من ASTM A105N+STL. يتميز بالخصائص الهيكلية للنوع المار. وضع الاتصال الخاص به هو RF. ولديه وضع تشغيل عجلة اليد .

صمام العالم
اتصال RF، صمام كروي فولاذي مُشكل، 1 بوصة 600 رطل، الهيكل A105N، API602

تم تصنيع الصمام الكروي 1 بوصة 600 رطل وفقًا لمعيار API 602. جسم الصمام مصنوع من ASTM A105N+STL. إنه يتميز بالخصائص الهيكلية لغطاء الترباس، من النوع المباشر. وضع الاتصال الخاص به هو RF. ولديه وضع تشغيل العجلة اليدوية .

اترك رسالة

    إذا كنت مهتما في منتجاتنا و تريد أن تعرف المزيد من التفاصيل,يرجى ترك رسالة هنا وسوف نقوم بالرد عليك بأسرع ما يمكن.

الصفحة الرئيسية

منتجات

حول

اتصل