العربية

العربية

Get a Quote
منتجات

منتوجات جديدة

أخبار الشركة

شرح صمامات الكرة المقاومة للحريق: متى تحتاج إليها فعلاً؟
شرح صمامات الكرة المقاومة للحريق: متى تحتاج إليها فعلاً؟
2025-12-29

في أنظمة الأنابيب الصناعية، تُعتبر السلامة دائماً أولوية قصوى. صمام كروي مقاوم للحريق صمام كروي مقاوم للحريق هو نوع متخصص من الصمامات الكروية مصمم للحفاظ على الإحكام ومنع التسرب في درجات الحرارة العالية أو ظروف الحريق. على الرغم من تشابهه ظاهريًا مع الصمام الكروي القياسي، إلا أن بنيته ووظيفته تختلفان اختلافًا كبيرًا. تقدم هذه المقالة تحليلًا مفصلًا لمبدأ عمله، والسيناريوهات التطبيقية، وإرشادات اختيار الصمامات الكروية المقاومة للحريق. 1. مقدمة عن صمامات الكرة المقاومة للحريق صُمم صمام الكرة المقاوم للحريق لتحمل ظروف الحريق أو درجات الحرارة العالية للغاية. وتتمثل ميزته الأساسية في قدرته على الحفاظ على التلامس المعدني بين الكرة والمقعد حتى في حالة صمام تتضرر المقاعد أو عناصر منع التسرب بفعل الحرارة العالية، مما يمنع تسرب المادة. سمات: ● حماية من درجات الحرارة العالية: حتى في حالة ذوبان أو احتراق مواد منع التسرب اللينة، يستمر ختم المعدن في العمل. ● الامتثال للمعايير الدولية: تشمل المعايير الشائعة API 607 و ISO 10497. ● متانة عالية: مناسبة لظروف التشغيل القاسية والوسائط القابلة للاشتعال أو الانفجار. مبدأ العمل: في درجات الحرارة العادية، يضمن مقعد الصمام المرن عدم وجود أي تسريب. وعندما ترتفع درجة الحرارة إلى نقطة فشل مانع التسريب المرن، يقوم نابض أو آلية تحميل مسبق بدفع الكرة باتجاه المقعد المعدني، مما يحقق إحكامًا معدنيًا ويمنع تسرب السوائل في درجات الحرارة العالية أو في ظروف الحريق. 2. السيناريوهات المطبقة على صمامات الكرة المقاومة للحريق ● البتروكيماويات والغاز الطبيعي: في خطوط الأنابيب التي تنقل مواد قابلة للاشتعال أو الانفجار، يجب استخدام جهاز مقاوم للحريق صمام كروي يمكن أن يمنع بشكل فعال انتشار الحريق عبر الصمام. ● أنظمة العمليات ذات درجات الحرارة العالية: في خطوط أنابيب البخار أو الزيت الساخن أو الغاز ذي درجة الحرارة العالية، حتى في حالة فشل مواد منع التسرب اللينة بسبب الحرارة، فإن مانع التسرب المعدني يضمن سلامة النظام. ● تطبيقات تتطلب معايير أمان عالية: في المنشآت مثل مصافي النفط ومصانع الكيماويات والمنصات البحرية حيث تكون معايير السلامة صارمة، فإن استخدام صمامات الكرة المقاومة للحريق يساعد في تقليل خطر التسرب. 3. الاختلافات بين صمامات الكرة المقاومة للحريق وصمامات الكرة القياسية ● مواد منع التسرب: تستخدم صمامات الكرة القياسية عادةً مادة PTFE أو مواد مرنة أخرى لمنع التسرب، والتي قد تتلف عند درجات الحرارة العالية. أما صمامات الكرة المقاومة للحريق، فتعتمد على منع تسرب معدني عند تلف مانع التسرب المرن. ● معايير التصميم: يجب أن تتوافق صمامات الكرة المقاومة للحريق مع معايير اختبار الحريق، مثل API 607، في حين أن صمامات الكرة القياسية لا تخضع لهذا الشرط. ● ظروف التشغيل المناسبة: تُستخدم صمامات الكرة المقاومة للحريق بشكل أساسي مع الوسائط ذات درجات الحرارة والضغوط العالية، أو مع الوسائط القابلة للاشتعال/الانفجار. أما صمامات الكرة القياسية فهي مناسبة للوسائط التقليدية ذات الضغط المنخفض إلى المتوسط ودرجة حرارة الغرفة. 4. توصيات الاختيار بناءً على خصائص الوسيط: ● بالنسبة للوسائط القابلة للاشتعال أو المتفجرة أو ذات درجات الحرارة العالية، يجب إعطاء الأولوية لصمامات الكرة المقاومة للحريق. ● بالنسبة للوسائط منخفضة الخطورة مثل الماء أو الهواء أو الزيت في درجة حرارة الغرفة، فإن صمامات الكرة القياسية كافية. بناءً على درجة حرارة العملية: ● إذا كانت درجات حرارة النظ...

لماذا يتفاجأ العديد من العملاء عند استلامهم صمامات DERVOS؟
لماذا يتفاجأ العديد من العملاء عند استلامهم صمامات DERVOS؟
2025-12-18

في تصدير الصمامات الصناعية، يُنظر إلى التغليف غالبًا على أنه مجرد الخطوة الأخيرة قبل التسليم. ومع ذلك، أثناء النقل الفعلي، يؤثر التغليف بشكل مباشر على الحالة العامة للصمام أثناء النقل والمناولة، وحتى لحظة فتح العميل له. ل صمام صناعي نظراً لأن الصمامات تخضع لعمليات نقل لمسافات طويلة وشحنات متعددة، فإن التغليف نفسه يُعد جزءاً لا يتجزأ من جودة المنتج. واستناداً إلى خبرة تصديرية واسعة، وضعت شركة ديرفوس معياراً واضحاً وثابتاً وقابلاً للتكرار لتغليف الصمامات، لضمان وصولها إلى العملاء بأمان وفي حالة ممتازة. 1. التحضير قبل التعبئة والتحقق من المنتج قبل بدء عملية التعبئة والتغليف، تخضع جميع الصمامات للتنظيف والفحص والتحقق من معلومات المنتج. تضمن هذه المرحلة أن يكون كل صمام في حالة مستقرة وخاضعة للتحكم الكامل قبل التعبئة والتغليف. ● إزالة الزيوت والشحوم من صمام سطح الجسم ● افحص أسطح منع التسرب للشفة وتجويف الصمام للتأكد من خلوهما من أي مواد غريبة ● قم بتركيب لوحة الاسم وتثبيتها بإحكام لضمان وضوح معلومات المنتج وسهولة التعرف عليها. توفر هذه العملية أساسًا موثوقًا به للحماية والنقل اللاحقين. 2. معالجة داخلية مضادة للتآكل وحماية سطحية مانعة للتسرب ولمعالجة الظروف التي عادة ما يتم مواجهتها أثناء النقل للتصدير، تخضع الصمامات لمعالجة وقائية محددة قبل التعبئة والتغليف: ● يتم طلاء تجويف الصمام بالتساوي بزيت مضاد للصدأ لتقليل خطر التآكل في البيئات الرطبة أو المحملة بالملح ● يتم تركيب أغطية واقية على جميع أسطح الفلنجات لمنع تلف الصدمات أو التلوث أثناء المناولة والنقل تضمن هذه الإجراءات أن تظل كل من المكونات الداخلية وأسطح منع التسرب في حالة جيدة حتى وصول الصمامات إلى موقع العميل. 3. تغليف داخلي متعدد الطبقات وحماية فردية للصمام خلال مرحلة التغليف الداخلي، تستخدم شركة DERVOS هيكل تبطين متعدد الطبقات لتوفير حماية شاملة لكل صمام: ● يتم وضع قطن اللؤلؤ المقاوم للصدمات حول جميع جوانب وقاع الكرتون الداخلي ● يتم تركيب فواصل بين الصمامات لمنع التلامس المباشر ● يتم تغليف كل صمام على حدة بمادة تبطين واقية، مع إيلاء اهتمام خاص للطلاءات والأسطح المصنعة آلياً يقلل هيكل التغليف هذا بشكل فعال من خطر تلف الطلاء والتآكل وعيوب السطح أثناء النقل. 4. تثبيت التقسيمات المخصصة والتصميم سهل الاستخدام عند تعبئة عدة صمامات في نفس الصندوق، يتم استخدام فواصل خشبية مصممة خصيصًا لتأمين كل وحدة: ● يتم وضع الصمامات بدقة وفقًا لأبعادها لمنع الحركة داخل الصندوق ● تتميز الفواصل بحواف مشطوفة، مما يسهل على العملاء فتح الصندوق وإزالة الصمامات ● يتم تحقيق التوازن بين استقرار النقل وسهولة المناولة في الموقع غالباً ما تكون هذه التفاصيل من بين أول الأشياء التي يلاحظها العملاء عند استلام البضائع، مما يعكس اهتمام المورد بكل من الحماية وتجربة المستخدم. 5. تعزيز الصندوق الخارجي والتغليف من الدرجة التصديرية في المرحلة النهائية، يتم تغليف الصمامات بالكامل في صناديق خارجية متينة: ● يتميز الصندوق الخارجي بهيكل ثابت مصمم لتلبية متطلبات النقل التصديري والتداول المتكرر. ● يضمن إحكام إغلاق الصناديق ملاءمتها للنقل لمسافات طويلة والتخزين في المستودعات. ● تسهل العبوة تحميل الحاويات والشحن والاستلام في الموقع. تنعكس القدرة على التصنيع والتسليم من خلال تفاصيل التغليف. 6. اختبار التعليق المقلوب لضمان موثوقية التغليف للتحقق من استقرار وموثوقية التغليف في ظل ظروف النقل والمناولة الحقيقية، تجري شركة ديرفوس اختبارات التعليق المقل...

ما هي الاختلافات بين صمامات الكرة الأرضية وصمامات البوابة؟
ما هي الاختلافات بين صمامات الكرة الأرضية وصمامات البوابة؟
2025-12-12

في أنظمة الأنابيب الصناعية، تُعدّ صمامات الكرة الأرضية وصمامات البوابة من أكثر صمامات الإغلاق استخدامًا. ورغم أن كليهما مصمم لبدء وإيقاف تدفق السوائل، إلا أنهما يختلفان اختلافًا كبيرًا في التصميم الهيكلي، ومبادئ التشغيل، وسيناريوهات التطبيق، والأداء العام. ويساعد فهم هذه الاختلافات المهندسين على اتخاذ خيارات مدروسة تضمن كفاءة النظام وموثوقيته وفعاليته من حيث التكلفة. أولاً: الاختلافات الرئيسية في الهيكل ومبادئ التشغيل 1. آليات فتح وإغلاق مختلفة صمام كروي: يتحرك القرص لأعلى ولأسفل على طول مسار عمودي على اتجاه التدفق. يتم الإغلاق عندما تتلامس أسطح منع التسرب للقرص والمقعد بشكل كامل. صمام البوابة: تتحرك البوابة عموديًا بطريقة مشابهة لـ "البوابة" التي تكون إما مفتوحة بالكامل أو مغلقة بالكامل، ويتم تحقيق الإحكام من خلال ضغط السطح. وهذا يعني أن صمامات الكرة الأرضية مناسبة للتحكم الدقيق في التدفق، بينما تستخدم صمامات البوابة بشكل أساسي للخدمة المفتوحة بالكامل أو المغلقة بالكامل. 2. اختلافات تصميم مسار التدفق يحتوي صمام الكرة الأرضية على مسار تدفق على شكل حرف S يجبر الوسط على تغيير اتجاهه، مما يؤدي إلى مقاومة تدفق أعلى. يتميز صمام البوابة بمسار تدفق مستقيم مع مقاومة ضئيلة وانخفاض ضغط منخفض، مما يجعله أكثر ملاءمة للنقل لمسافات طويلة. ثانيًا: الاختلافات في سيناريوهات التطبيق 1. التحكم في معدل نقل البيانات مقابل تشغيل/إيقاف الخدمة يمكن استخدام صمامات الكرة الأرضية للتحكم في التدفق وتنظيمه، مما يجعلها مناسبة للتطبيقات التي تتطلب أداءً عاليًا في منع التسرب وتحكمًا دقيقًا في التدفق، مثل البخار ومياه التبريد ووسائط المعالجة المختلفة. لا تُعدّ صمامات البوابة مناسبة للتحكم في التدفق، إذ قد يؤدي تشغيلها في وضع الفتح الجزئي إلى اهتزاز البوابة، وتلف أسطح منع التسرب، وتأثيرات ناتجة عن السوائل. تُعدّ صمامات البوابة مثالية لخطوط الأنابيب ذات الأقطار الكبيرة حيث تكون مقاومة التدفق المنخفضة مطلوبة، وتردد التبديل منخفض نسبيًا، بما في ذلك أنظمة نقل النفط، وإمدادات المياه والصرف الصحي، ومحطات توليد الطاقة. 2. نطاق الحجم ومساحة التركيب تُستخدم صمامات الكرة الأرضية عمومًا في الأحجام الصغيرة والمتوسطة (أكثر شيوعًا تحت DN50). هيكلها أثقل ويتطلب مساحة تركيب أكبر. تُعدّ صمامات البوابة مناسبة للأحجام المتوسطة والكبيرة. وبفضل تصميمها البسيط، توفر ميزة من حيث التكلفة في الأحجام الكبيرة. ثالثًا: أداء منع التسرب وتصنيفات الضغط 1. اختلافات في تصميم سطح الإحكام يتميز صمام الكرة الأرضية بسطح مانع للتسرب مدبب، والذي يحقق إغلاقًا محكمًا من خلال الضغط المحوري، مما يسهل الحصول على أداء مانع للتسرب موثوق به. يستخدم صمام البوابة أسطح إحكام متوازية أو إسفينية الشكل. وتعتمد فعالية إحكامه بشكل كبير على الضغط الذي يطبقه الصمام، وتتأثر بشكل أكبر بضغط الوسط المحيط بالنظام. 2. القدرة على التكيف مع الضغط ودرجة الحرارة كلا نوعي الصمامات مناسبان للتطبيقات ذات الضغط المتوسط إلى العالي ودرجات الحرارة المرتفعة. ومع ذلك، توفر صمامات الكرة الأرضية أداءً أفضل في الأنظمة التي تتطلب تشغيلاً متكرراً أو إحكاماً عالياً للضغط، بينما تُعد صمامات البوابة أكثر ملاءمة للأنظمة ذات الضغط المستقر والتشغيل الدوري غير المتكرر. رابعاً: الاختلافات في الصيانة وعمر الخدمة 1. وتيرة الصيانة ودورة الاستبدال في تطبيقات الخنق، تتعرض أسطح منع التسرب لصمامات الكرة الأرضية للتآكل المتوسط، مما يتطلب اختيار المواد المناسبة والصيانة الدور...

خمسة آلاف ومائتان واحد
加载中...

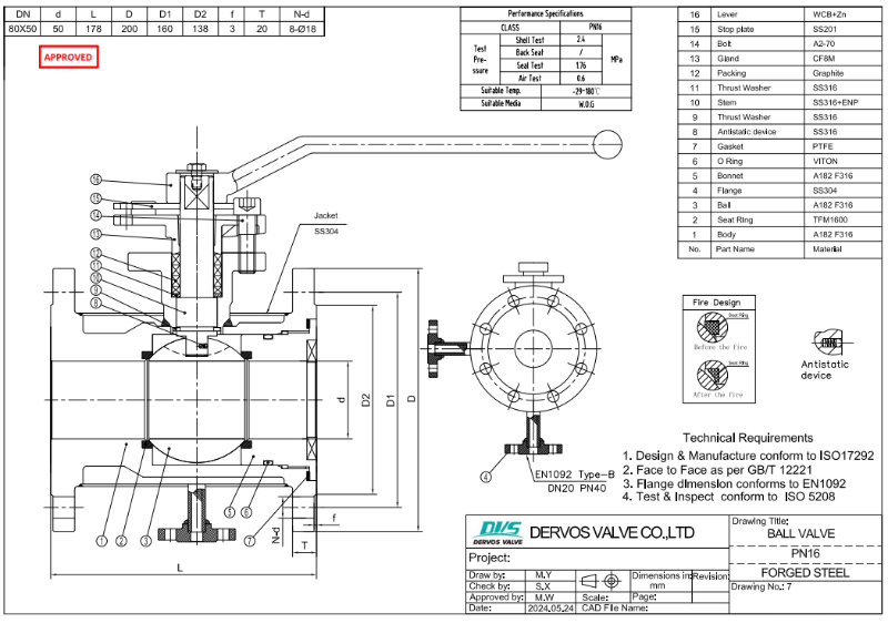
صمام كروي من الفولاذ المطروق DN80*50 PN16 F316 ISO17292 EN1092-1 B

  • دفع:

    30% when order confirmed, 70% before shipment
  • أصل المنتج:

    china
  • اللون:

    Customization
  • ميناء الشحن:

    Shanghai, China
  • المهلة:

    30~60 days Ex Works after order confirmation
  • Material:

    A182 F316
  • Method of Operation:

    hand wheel
الاستفسار الآن
تفاصيل المنتج

صمام كروي فولاذي مطروق DN80*50 PN16 مصنوع وفقًا لمعيار ISO17292. جسم الصمام مصنوع من الفولاذ A182 F316. يتميز بخصائص هيكلية تشمل تجويفًا مخفضًا، وغلافًا معزولًا، وشفتين صغيرتين DN20 PN40، ومواقع توصيل التسخين: واحدة على جانب الصمام والأخرى في الأسفل، ولا يتطلب سدادة تصريف. طريقة توصيله هي EN1092-1 B، ويعمل بعجلة يدوية.

معايير المنتج

يكتب

صمام كروي من الفولاذ المطروق

مقاس

DN80*50

ضغط

PN16

اتصال

EN1092-1 B

عملية

عجلة يدوية

مادة الجسم

A182 F316

معيار التصميم

ISO17292

وجهاً لوجه

GB/T 12221

أبعاد الشفة

EN1092

قانون الاختبار والتفتيش

ISO 5208

درجة حرارة

-29 ~ 180 درجة مئوية

الوسيلة المناسبة

الماء والنفط والغاز

سمات

1. مصنوع من الفولاذ المقاوم للصدأ F316، مما يوفر مقاومة ممتازة للتآكل وأداءً موثوقًا به لتطبيقات الضغط PN16.

2. تصميم صمام الكرة المتوافق مع معيار ISO 17292 مع شفة EN1092-1 B يضمن التحكم السلس في التدفق والتركيب الآمن.

الرسم الفني

Forged Steel Ball Valve

صمام كروي من الفولاذ المطروق

فحص الأبعاد

Forged Steel Ball Valve

اختبار الضغط

Forged Steel Ball Valve

لوحة الاسم والتغليف

Forged Steel Ball Valve

تقرير التفتيش

Forged Steel Ball Valve Forged Steel Ball Valve Forged Steel Ball Valve Forged Steel Ball Valve

اترك رسالة

إذا كنت مهتما في منتجاتنا و تريد أن تعرف المزيد من التفاصيل,يرجى ترك رسالة هنا وسوف نقوم بالرد عليك بأسرع ما يمكن.

منتجات ذات صله
فئة 150 صمام الكرة العائمة
الألومنيوم البرونزية العائمة الكرة صمام 1 بوصة 150 رطل

صمام الكرة العائمة 1 بوصة مصنوع من الألومنيوم البرونزي c95800. الصمام الكرة المجوفة المخفض لديه ذراع تشغيل ، شفة الترددات اللاسلكية ، الجسم من نوع قطعتين. تفاصيل سريعة نوع صمام الكرة بحجم 1 " الضغط انسي 150 اعمال بناء يطفو على السطح   كرة ، 2 قطعة جسم ، دخول جانبي ، تجويف مخفض الإتصال ذات حواف   النهاية عملية رافعة   عملية الجسم   مواد الألومنيوم   البرونزية astm b148 c95800 وسائل الإعلام w.o.g التعديلات المتاحة لصمام الكرة - الضغط الاسمي حجم الصمام منفذ مخفض & أمبير ؛ ميناء كامل -مادة الجسم ، الكرة ، الساق ، المقعد ، التعبئة ، الترباس والجوز - تشغيل الصمامات (رافعة ، علبة تروس ، محرك هوائي أو هيدروليكي أو كهربائي) نوع الاتصال النهائي -متوفر الجذعية الموسعة - طلاء و أمبير حسب الطلب. التعبئة والتغليف - تعديل ميناء التصريف تغليف ديرفوس التعبئة الجيدة تعني الانطباع الأول الجيد. تخيل فقط كيف تشعر بشكل مختلف عند رؤية صندوقين أدناه؟ وسوف تعرف السبب الذي يجعلنا نقدر التعبئة والتغليف في Dervos. في dervos ، نتأكد- 1. كل صمام نظيف وجاف. ماذا نفعل؟ تنظيف الصمام قبل التعبئة - إضافة زيت مقاوم للصدأ -إضافة غطاء شفة 2. أي ضرر للصمامات في التسليم. كيف يمكننا تحقيق ذلك؟ -تثبيت الصمام بأسلاك الحديد - فصل الصمام بمادة ناعمة طبقة الصمام مع الخشب الرقائقي 3. مربع قوي وعلامة الشحن واضحة

قطعتين صمام الكرة الصلب
الصب 2 قطعة الكرة صمام 4 بوصة فئة 150 وجع

نوع قطعة 2 صمام الكرة العائمة لديه منفذ كامل ، تصميم آمن من الحرائق ، جذع مضاد للانفجار ، شفة ansi 150 وعملية رافعة. تم تصميم صمام الكرة الكربونية الفولاذية مع جسم a1616 wcb ، f316 الساق والكرة ، مقعد ناعم ptfe. تفاصيل سريعة نوع صمام الكرة بحجم 4 " الضغط 150 رطل اعمال بناء نوع عائم   كرة ، قطعتين من الجسم ، تتحمل كامل الإتصال رفع   شفة الوجه عملية مفتاح الربط   عملية الجسم   مواد فولاذ صلب   WCB تقليم   مواد SS316 & أمبير ؛ ptfe معيار التصميم واجهة برمجة التطبيقات 6 د الضغط   & أمبير ؛ كود مؤقت اسمي ب 16.34 وجها لوجه Asme b16.10 النهاية   الإتصال Asme b16.5 تفتيش   الشفرة واجهة برمجة التطبيقات 6 د درجة الحرارة   نطاق -29 ℃ ~ + 125 ℃ وسائل الإعلام الماء والنفط   والغاز المواد و أمبير ؛ البعد لا جزء اسم كربون   الصلب ل astm غير القابل للصدأ   الصلب ل astm WCB lcb راجع 8 CF 8M راجع 3 CF3M 1 الجسم a216 wcb a352 lcb a351 cf8 a351 cf8m a351 cf3 a351 cf3m 2 بونيه الجوز أ 194 2 ساعة أ 194 4 أ 194 8 3 بونيه الترباس أ 193 ب 7 A320 l7 أ 193 ب 8 4 قبعة a216 wcb a352 lcb a351 cf8 a351 cf8m a351 cf3 a351 cf3m 5 طوقا ss دوامة الجرح / الجرافيت أو   ss الجرح اللولبي / ptfe 6 كرة a105 / ep.cr أو f6 a182 f6 a351 cf8 a351 cf8m a351 cf3 a351 cf3m 7 حلقة مقعد rptfe أو بوم 8 ربيع صغير الفولاذ المقاوم للصدأ 9 كرة صغيرة a182 f304 a182 f316l 10 إيقاف a182 f6 a182 f6 a182 f304 a182 f316 a182 f304l a182 f316l 11 مقعد الجذعية السليكوون 12 التعبئة الجذعية السليكوون أو الجرافيت 13 السدادة a182 f6 a182 f304 a182 f316 a182 f304l a182 f316l 14 الترباس الغدة أ 193 ب 7 أ 193 ب 8 15 شفة galnd a216 wcb a351 cf8 16 لوحة تحديد المواقع صلب 17 صنم a216 wcb كانت المادة   وفقًا لمعيار ASTM الفئة 150 د مم 15 20 25 40 50 65 80 100 150 200 250 NPS في 0.5 0.75 1 1.5 2 2.5 3 4 6 8 10 ل (الترددات اللاسلكية) مم 108 117 127 165 178 191 203 229 394 457 533 في 4.25 4.6 5 6.5 7 7.5 8 9 15.5 18 21 ل 1 (وزن الجسم) مم 140 152 165 190 216 241 283 305 457 521 559 في 5.5 6 6.5 7.48 8.5 9.5 11.13 12 18 20.5 22 ل 2 (رتج) مم 119 129.7 139.7 178 191 203 216 241 406 470 546 في 4.69 5.11 5.5 6.9 7.5 8 8.5 9.5 16 18.5 21.5 ح مم 66 74 87 105 132 152 182 215 250 285 495 في 2.6 2.9 3.48 4.2 5.28 6.08 7.28 8.6 10 11.4 19.5 افعل (ث) مم 130 130 160 230 400 400 600 850 1100 1500 * 350 في 5.1 5.11 6.3 9 15.74 15.74 23.62 33.46 43.3 59 13.8 الترددات اللاسلكية (كلغ) & emsp؛ 2.3 3 4.5 7 15 20 25 40 97 160 240 وزن الجسم (كجم) & emsp؛ 2.0 2.5 3.8 5.8 12 17 21 36 92.8 154 227 * تعمل معدات دودة أو المحرك الكهربائي اختبارات خاصة & أمبير ؛ عمليات التفتيش بالإضافة إلى الاختبار الهيدروليكي المنتظم واختبار الهواء ، يمكن لـ Dervos أيضًا إجراء اختبارات خاصة وفقًا لطلبات العملاء ، مثل اختبار pt ، اختبار rt ، اختبار ut ، اختبار المبردة ، اختبار التسرب المنخفض ، اختبار مقاومة الحرائق ، واختبار الصلابة وما إلى ذلك .

صمام الكرة dn100 wcb
الدين الكرة صمام dn100 pn16 wcb العائمة الكرة التدفئة سترة

الدين الكرة صمام كامل المسام الترددات اللاسلكية تعويم الكرة النار دليل على مكافحة ساكنة رافعة WCB الجسم A105 + ENP الكرة 17-4ph الجذعية f304 + ni55 مقعد X750 لحام الربيع شفة التدفئة سترة DN100 PN16 تفاصيل سريعة نوع صمام الكرة بحجم dn100 ضغط التصميم pn16 اعمال بناء صمام الكرة العائمة نوع الاتصال شفة الوجه المرفوعة نوع العملية رافعة مواد الجسم WCB مادة الكرة a105 + ni60 المواد الجذعية 17-4 ساعة مواد المقعد f304 + ni55 كود التصميم en12516-1 وجها لوجه البعد en558-1 نهاية الاتصال en1092-1 b1 الضغط & أمبير ؛ مؤقت en 12266 متوسط الماء والنفط والغاز الأصل الصين

الشركة المصنعة صمام الكرة 6 api
api 6d صمام الكرة العائمة 2 بوصة 600 lb الجذعية الموسعة a105

تم تصميم صمام الكرة 6i api مع جذع ممتد للاستخدام الخاص ، مثل صمام الكرة تحت الأرض أو درجة حرارة منخفضة تطبيق. يمكن تخصيص طول الساق الممتد حسب العميل طلب. تفاصيل سريعة نوع صمام الكرة بحجم 2 بوصة الضغط الفئة 600 اعمال بناء انشق، مزق   الجسم ، دخول جانبي ، نوع عائم ، تصميم آمن من الحرائق ، نظام مضاد للكهرباء الإستاتيكية ،   الجذعية المضادة للانفجار ، غطاء المحرك الممتد الإتصال شفة الترددات اللاسلكية وضعية التشغيل رافعة مواد الجسم a105n تقليم المواد ss304 الكرة والساق ، مقعد rptfe تصميم & أمبير ؛ صناعة واجهة برمجة التطبيقات 6 د الضغط & أمبير ؛ كود مؤقت اسمي ب 16.34 من النهاية إلى النهاية Asme b16.10 نهاية الاتصال Asme b16.5 تفتيش api 6d ،   api 598 نطاق درجة حرارة -29 ℃ ~ + 200 ℃ متوسط نفط،   الماء والغاز عملية مراقبة الجودة في dervos فحص الصب: نحن يمكن معرفة مشكلة المواد الخام ، مثل الصب الرديء ، غير المشروط سمك الجدار ، التركيب الكيميائي وهلم جرا ، مما يضمن أنك لن تفعل ذلك يتم خداعهم. التفتيش بالقطع: -التأكد من دقة بالقطع -تجد من خطأ بالقطع في أقرب وقت ممكن ، لكسب المزيد من الوقت للإصلاح ، إعادة صنع الفحص النهائي: - أنشطة التفتيش النهائي وتشمل الوثيقة وسجل مراقبة الجودة المراجعة ، الفحص البصري ، فحص البعد ، اختبار الضغط ، الطلاء والتعبئة التحقق من - توفير الوقت والتكلفة: لست بحاجة إلى الحضور والتفتيش شخصيًا ويمكن تقديم جميع الوثائق كدليل. سوف تقرير التفتيش تقدم مجاناً بما في ذلك: -شهادة اختبار مطحنة 10204 3.1 -تقرير التفتيش ، يوضح عملية التفتيش بأكملها

 الصلب مزورة a105 صمام الكرة npt
dn25 pn100 مزورة الصلب الكرة npt a105 صمام

dn25 pn100 مزورة الصلب a105 طريقة اتصال npt 2 قطعة البناء كامل المسام رافعة عملية العائمة الكرة سلامة الجسم النار وغطاء المحرك a105 الكرة a182 f304 حلقة مقعد ptfe الجذعية a182 f304 الجذعية o ring viton التعبئة الجرافيت الغدة الفولاذ المقاوم للصدأ تصميم وتصنيع asme b16.34 وجها ل وجه تصميم تصنيع قياسي تصنيع برغي وأبعاد قياسية ansi b1.20.1 فحص واختبار api598 تصميم السلامة من الحرائق api 607 تفاصيل سريعة نوع صمام الكرة بحجم dn25 الضغط pn100 اعمال بناء 2 قطعة الإتصال npt وضعية التشغيل رافعة مواد الجسم أ 105 التغطية أ 105 تصميم & أمبير ؛ صناعة اسمي ب 16.34 من النهاية إلى النهاية Asme b16.10 نهاية الاتصال ansi b1.20.1 تفتيش api 598 نطاق درجة حرارة -29 ℃ ~ + 538 ℃ متوسط النفط والماء والغاز

خمسة آلاف ومائتان واحد
2 قطعة صمام الكرة العائمة wcb 150lb 4 inch تتحمل تجويف

يحتوي الصمام الكروي العائم المكون من قطعتين ، والمصنوع وفقًا لـ api 6a ، على تصميم منخفض التجويف ، وتصميم آمن للحريق ، وجذع مانع للانفجار. مع مقعد rptfe وخاتم ptfe o ، فإن صمام wcb 4 بوصة هو شهادة لخدمتك.

خمسة آلاف ومائتان واحد
JIS 2 قطعة صمام الكرة العائمة RF×معاهدة عدم انتشار الأسلحة النووية 25A 16K

هذه الكرة صمام تصميم ASME B16.34, ملامح اثنين اتصال مختلفة الطرق-جانب واحد من أجل RF وعلى الجانب الآخر معاهدة عدم انتشار الأسلحة النووية. فإن صمام الكرة العائمة ، PTFE مقعد ، SCS13 الجسم وغيرها من الميزات ممتازة أداء الختم.

خمسة آلاف ومائتان واحد
2 بوصة 600LB API6D صمام الكرة RF تتحمل كامل 2 قطعة نوع

مزورة الصلب صمام الكرة مصنوعة من A105 الجسم 17-4PH تقليم مع RTJ شفة نهاية ذراع التشغيل. هذا العائمة الكرة صمام ملامح ختم موثوقة الأداء وسهولة التشغيل.

خمسة آلاف ومائتان واحد
الفولاذ المقاوم للصدأ 2 قطعة نوع صمام الكرة 1-1/2 بوصة 800 £

مصنوعة من F316, العائمة الكرة صمام تصميم بموجب قانون ASME B16.34. صمام يتكون من اثنين من قطعة الجسم ، الكرة العائمة ، رافعة التشغيل مع ختم موثوقة الأداء الصغيرة عزم الدوران.

صمام الكرة العائمة المصنوع من الفولاذ المطروق
صمام الكرة العائمة DN25 PN16 مصنوع من الفولاذ المطروق ASTM ISO 17292

صمام الكرة العائمة من الفولاذ المطروق DN25 PN16 مصنوع وفقًا لمعيار ISO17292. جسم الصمام مصنوع من مادة ASTM-A105. يتميز بهيكل منقسم، كرة عائمة، تجويف كامل، مقاوم للحريق، مضاد للكهرباء الساكنة، وساق مقاومة للانفجار. طريقة توصيله هي الترددات الراديوية، ويعمل بعجلة يدوية.

خمسة آلاف ومائتان واحد
1 بوصة ثلاث قطع صمام الكرة اليدوي تتحمل كامل

مصنوع من CF8M ، تم تصميم الصمام المكون من 2 جهاز كمبيوتر وفقًا لـ ASME B16.34. مختلط مع 15 بالمائة من الألياف الزجاجية ، RPTFE مقعد الصمام أكثر تأهلاً لتحمل درجة حرارة عالية وظروف عمل عالية التآكل

خمسة آلاف ومائتان واحد
مشفه صمام الكرة الطرفية ، ASTM A350 LF6 ، CL600 ، 1 / 2 بوصة ، قطعتين

china ذات حواف منتج الصمام الكروي الطرفي ، تقدم Dervos بشفة صمام الكرة الطرفية ، ASTM A350 LF6 ، فئة 600 ، 1 / 2 بوصة ، قطعتان ، تزوير ، API 608 ، BS 5351 ، ASME B16.34.

اترك رسالة

    إذا كنت مهتما في منتجاتنا و تريد أن تعرف المزيد من التفاصيل,يرجى ترك رسالة هنا وسوف نقوم بالرد عليك بأسرع ما يمكن.

الصفحة الرئيسية

منتجات

حول

اتصل