العربية

العربية

Get a Quote
منتجات

منتوجات جديدة

أخبار الشركة

أخطاء يجب تجنبها عند تركيب صمامات خطية مغلقة
أخطاء يجب تجنبها عند تركيب صمامات خطية مغلقة
2026-05-15

أ صمام خطي مغلق (يُشار إليه أيضًا باسم جهاز عزل الألواح المجرفة/العمياء) هو جهاز ميكانيكي يُستخدم لتحقيق عزل إيجابي في أنظمة خطوط الأنابيب. ويُستخدم على نطاق واسع في أنظمة عزل النفط والغاز والبتروكيماويات والتكرير والصيانة. وظيفته الأساسية ليست تنظيم التدفق، بل ضمان انعدام مرور السوائل أثناء ظروف الصيانة . ومع ذلك، فإن التركيب أو التشغيل غير السليم يمكن أن يؤدي إلى التسرب، وفشل مانع التسرب، وتشوه الشفة، وحتى مخاطر السلامة. تلخص الأقسام التالية أخطاء التركيب الشائعة بناءً على المنطق الهندسي، إلى جانب عواقبها. 1. عدم التأكد من تفريغ الضغط بالكامل قبل التركيب إذا بقي ضغط متبقٍ في خط الأنابيب، فقد يؤدي إدخال أو تبديل اللوحة العمياء إلى حدوث تأثير ميكانيكي أو تلف لأسطح منع التسرب. إذا تم تشغيل صمام الإغلاق الخطي دون تفريغ كامل للضغط، فقد ينتج عن ذلك ما يلي: ● خدش أو تشوه أسطح الختم ● عزم دوران تشغيلي مرتفع بشكل غير طبيعي ● إدخال غير كامل للصفيحة العمياء ● في الحالات القصوى، خطر تسرب السوائل لذلك، يتطلب الإجراء القياسي ما يلي: تخفيف الضغط بالكامل، والتنفيس الكامل للوسائط المتبقية، والتأكد من ظروف الضغط الصفري قبل عملية العزل. 2. تركيب صمام خطي مغلق مع محاذاة غير صحيحة للشفة تعتمد أنظمة صمامات الخط العمياء على محاذاة دقيقة للشفة. في حالة وجود عدم محاذاة أو انحراف في الشفة: ● تحميل غير متساوٍ على اللوحة العمياء ● تركيز الإجهاد الموضعي في عملية الإحكام ● مسارات تسرب دائمة بعد التشغيل ● تعطل أو انحشار آلية التشغيل في حال وجود انحراف كبير في المحاذاة، لا ينبغي إدخال صمام إغلاق الخط بالقوة. يجب تصحيح دعامات الأنابيب أو ظروف المحاذاة أولاً. 3. إهمال نظافة سطح الختم يعتمد أداء إحكام صمامات الخطوط العمياء عادةً على الإحكام المعدني أو هياكل الإحكام المرنة. إذا كانت أسطح الإغلاق تحتوي على: ● خبث اللحام ● الصدأ ● الحطام أو الجزيئات ● مادة الحشية المتبقية عندها لا يمكن تحقيق إحكام فعال حتى في حالة تطبيق عزم الدوران المصمم. من وجهة نظر هندسية: إذا لم يكن سطح الختم نظيفًا، فإن التسرب الدقيق أمر لا مفر منه. 4. الوضع غير الصحيح للوحة العمياء تتطلب بعض تصميمات صمامات الخط العمياء اتجاه تدفق محدد أو متطلبات خاصة باتجاه التركيب. في حالة التركيب في الاتجاه الخاطئ: ● إدخال غير كامل للصفيحة العمياء ● اتجاه حمل الإحكام غير الصحيح ● حركة غير كافية للمشغل ● عطل في القفل الميكانيكي يجب أن يتبع التركيب بدقة علامات الشركة المصنعة (سهم التدفق أو التوجيه الهيكلي)، وليس افتراضات الخبرة الميدانية. 5. التحكم غير السليم في عزم الدوران أثناء التشغيل تتطلب أنظمة صمامات الخط العمياء عادةً قوة تثبيت محورية عبر البراغي أو آليات عجلة اليد. في حالة عدم كفاية عزم الدوران: ● تلامس إحكام غير كامل ● التسرب تحت تأثير تقلبات الضغط إذا كان عزم الدوران مفرطًا: ● تشوه الحافة ● تمدد البراغي بشكل مفرط ● انبعاج دائم على أسطح منع التسرب لذلك، يجب أن يبقى عزم الدوران ضمن نطاق التصميم المحدد. زيادة عزم الدوران لا تُحسّن موثوقية منع التسرب. 6. التشغيل القسري في ظل ظروف درجات الحرارة العالية عند درجات الحرارة المرتفعة، يؤثر التمدد الحراري على إدخال اللوحة العمياء وتشغيلها. في مثل هذه الظروف: ● قد يؤدي التشغيل القسري إلى حدوث خلل. ● قد يؤدي نقص الخلوص الحراري إلى تلف أسطح منع التسرب بسبب الضغط تتمثل الممارسة القياسية في إجراء تشغيل صمام الخط المغلق فقط بعد أن يبرد النظام إلى نطاق درجة حرارة التشغيل الآمن. 7. تج...

صمام DVS المنزلق المغلق يحقق انعدام التسرب وعزلاً تاماً لعميل نفطي في جنوب أفريقيا في خطوط أنابيب متعددة الوسائط
صمام DVS المنزلق المغلق يحقق انعدام التسرب وعزلاً تاماً لعميل نفطي في جنوب أفريقيا في خطوط أنابيب متعددة الوسائط
2026-05-09

قام أحد كبار عملاء النفط في جنوب أفريقيا بنشر صمام الستارة المنزلق DVS في نظام أنابيب متعدد الوسائط يتطلب تبديلًا متكررًا بين المنتجات النفطية والغاز الطبيعي والمذيبات الكيميائية. منذ تركيبه، حقق النظام تشغيلًا مستقرًا دون أي تسريب. وقد أدى تشغيل الصمام أثناء التشغيل تحت الضغط إلى إلغاء الحاجة تمامًا إلى إيقاف التشغيل وتخفيض الضغط، مع تحسين سلامة الصيانة في الموقع بشكل ملحوظ. تحدي العميل: فشل الختم وعدم وجود عزل إيجابي أثناء التبديل المتكرر بين الوسائط المتعددة العميل شركة كبيرة لمعالجة وتخزين النفط في جنوب أفريقيا. وتشهد شبكة خطوط الأنابيب التابعة لها تحولاً متكرراً بين وسائط متعددة، تشمل المنتجات النفطية والغاز الطبيعي والمذيبات الكيميائية. ونظراً للاختلافات الكبيرة في خصائص هذه الوسائط، يفرض النظام متطلبات بالغة الأهمية على أداء إحكام صمامات منع التسرب، ومقاومة التآكل، والسلامة التشغيلية. أثناء استخدام الأساليب التقليدية صمام بوابة فيما يتعلق بصمامات الكرة، واجه العميل المشكلات التشغيلية الحرجة التالية على المدى الطويل: نوع الإصدار أداء صمامات البوابة / الكروية التقليدية الأثر التشغيلي الفعلي فشل في منع التسرب وتسريب داخلي تتدهور موانع التسرب بمرور الوقت ولا يمكنها ضمان عدم التسرب على الإطلاق. يُشكل تسريب المعلومات الإعلامية مخاطر جسيمة على السلامة والبيئة. يلزم إيقاف التشغيل وخفض الضغط لأغراض الصيانة يجب تفريغ خطوط الأنابيب بالكامل من الضغط قبل إجراء الصيانة. فترات توقف طويلة وخسائر إنتاجية كبيرة عدم القدرة على تحقيق عزلة إيجابية حقيقية يعتمد العزل على مكونات مانعة للتسرب ذات موثوقية محدودة خطر التلوث المتبادل أثناء تبديل الوسائط طلب العميل تحديداً حلاً للصمامات يمكنه: ● التشغيل دون الاعتماد على موانع التسرب ● دعم العمليات تحت الضغط ● توفير عزلة جسدية مطلقة حلول صمامات DVS المنزلقة العمياء: عزل مادي + تشغيل عبر الإنترنت + منع التسرب يستخدم صمام DVS المنزلق ذو الغطاء المانع للتسرب صفيحة صلبة لسد ممر السائل فعليًا. هذا التصميم يزيل بشكل جذري المخاطر المرتبطة بالصمامات التقليدية التي تعتمد على مانع التسرب. وقد لعبت المزايا التقنية الأربع التالية دورًا رئيسيًا في حل التحديات التشغيلية التي واجهها العميل: عزل مادي مطلق بدون أي تسريب تعمل الصفيحة الصلبة العمياء على منع تدفق الوسائط بشكل مباشر، مما يمنع مشاكل تلف مانع التسرب وتلفه. وهذا يضمن أداءً خالياً من التسرب تماماً في جميع ظروف التشغيل. التشغيل عبر الإنترنت تحت الضغط دون توقف يمكن للصمام التبديل بين وضعيتي الفتح والإغلاق مع بقاء النظام مضغوطًا. لا يتطلب الأمر تخفيف الضغط أو إيقاف الإنتاج، مما يقلل بشكل كبير من وقت التوقف ومخاطر السلامة التشغيلية. مؤشر الوضع الخارجي يمنع التشغيل الخاطئ يُظهر مؤشر الوضع الخارجي بوضوح ما إذا كان الصمام مفتوحًا أم مغلقًا. ويمكن للمشغلين التحقق من حالة الصمام على الفور، مما يقلل بشكل كبير من مخاطر الأخطاء التشغيلية. هيكل صغير الحجم وسهل التشغيل حتى في الأحجام الكبيرة يأتي الصمام مزودًا بعجلة يدوية أو محرك تروس دودي كمعيار أساسي. حتى في التطبيقات ذات الأحجام الكبيرة والضغط العالي، يظل التشغيل سلسًا وسهل التحكم. كما تعمل آلية منع التشغيل الخاطئ المدمجة على تحسين سلامة التشغيل. مقارنة الأداء الرئيسية بين الصمام المنزلق ذي الغطاء المغلق والصمام البوابي/الصمام الكروي في تطبيقات الوسائط المتعددة عنصر المقارنة صمام بوابة / صمام كروي تقليدي صمام DVS المنزلق المغلق طريقة ال...

ما هي عملية تصنيع صمامات البوابة وفقًا لمعيار ISO 15761؟ من المواد الخام إلى اختبار الضغط
ما هي عملية تصنيع صمامات البوابة وفقًا لمعيار ISO 15761؟ من المواد الخام إلى اختبار الضغط
2026-04-30

المعيار ISO 15761 هو معيار لصمامات الصلب ذات التجويف الصغير المستخدمة في صناعة النفط والغاز، ويغطي أحجامًا من DN 15 إلى DN 100 وفئات ضغط من الفئة 150 إلى الفئة 2500. وهو ينطبق على صمام بوابة صمامات كروية وصمامات فحص. لا تُصنّع هذه الصمامات في خطوة واحدة، بل عبر سلسلة تصنيع متتابعة. وتؤثر جودة كل مرحلة بشكل مباشر على المرحلة التي تليها. ويساعد فهم هذه السلسلة على تحديد المشكلات الحرجة بكفاءة أكبر أثناء اختيار الصمامات، ومراجعة الامتثال، وتقييم الموردين. عملية التصنيع الكاملة الخطوة الأولى: اختيار المواد تحدد المادة شروط الخدمة المطبقة، وهي نقطة البداية للعملية بأكملها. تشمل المواد الشائعة بموجب معيار ISO 15761 ما يلي: ● الفولاذ الكربوني للاستخدامات العامة في قطاع النفط والغاز ● فولاذ كربوني منخفض الحرارة للاستخدام في ظروف التبريد الشديد أو درجات الحرارة المنخفضة (مثل تطبيقات الغاز الطبيعي المسال). ● الفولاذ المقاوم للصدأ للوسائط المسببة للتآكل إذا كانت الخدمة تحتوي على كبريتيد الهيدروجين (H₂S)، فيجب أن تتوافق المواد أيضًا مع معيار NACE MR0175 / ISO 15156 لمنع تشقق الإجهاد الناتج عن الكبريتيد. يُطبق هذا الشرط بشكل مستقل عن معيار ISO 15761. لا يمكن تعويض اختيار المواد غير الصحيح من خلال التحكم اللاحق في العملية. الخطوة الثانية: التشكيل تحدد هذه الخطوة الجودة الداخلية لجسم الصمام. تتضمن عملية التشكيل بالدق تشكيل المعدن المسخن تحت الضغط، مما ينتج عنه بنية داخلية كثيفة ذات احتمالية أقل للعيوب. وهي تُفضل عادةً للتطبيقات التي تتطلب ضغطًا عاليًا أو موثوقية عالية. بالنسبة للفئة 800 وما فوق، أجسام مزورة يتم اختيارها بشكل شائع في الممارسة الهندسية لتقليل مخاطر العيوب الداخلية وتحسين الموثوقية الهيكلية، على الرغم من أن الاختيار النهائي يعتمد على مواصفات المشروع. الخطوة 3: التشغيل الآلي بعد التشكيل، يتم إجراء عمليات تشغيل دقيقة لتلبية متطلبات الأبعاد والختم. تُعدّ معالجة سطح منع التسرب نقطة تحكم حاسمة. يجب أن تخضع أسطح التلامس بين المقعد والقرص لعمليات معالجة وصقل متعددة لتحقيق مستوى التسطيح والخشونة السطحية المطلوبين، مما يؤثر بشكل مباشر على أداء الإغلاق. يجب أن يستوفي سطح ساق الصمام متطلبات الخشونة المنخفضة لضمان استقرار إحكام الحشوة على المدى الطويل. فالخشونة المفرطة تُسرّع من تآكل الحشوة وقد تؤدي إلى تسرب خارجي أثناء التشغيل. الخطوة الرابعة: اللحام (التغطية السطحية الصلبة لأسطح منع التسرب) تُستخدم هذه العملية لتحسين أداء سطح الختم. بالنسبة للتطبيقات المقاومة للتآكل أو الصدأ، يتم عادةً تغطية أسطح منع التسرب بسبائك صلبة مثل الستيليت لتحسين المقاومة. أثناء اللحام، يجب التحكم في كمية الحرارة المُدخلة ومعدل التخفيف لمنع الخلط المفرط للمادة الأساسية، مما قد يقلل من صلابة السطح. عادةً ما يُشترط أن تُلبي طبقة التصليد السطحي نطاق صلابة مُحدد (على سبيل المثال، عادةً ما تكون صلابة ستلايت ≥ 35-45 HRC). يجب أن تتم هذه العملية بواسطة لحامين مؤهلين، مع مواصفات إجراءات اللحام (WPS) وسجلات تأهيل الإجراءات (PQR) والوثائق القابلة للتتبع. الخطوة 5: المعالجة الحرارية تُحسّن المعالجة الحرارية خصائص المواد وتُخفف الإجهاد المتبقي. إنها عملية إلزامية. تضمن المعالجة الحرارية بعد التشكيل أن تستوفي المادة الخصائص الميكانيكية المطلوبة وتزيل الإجهاد الداخلي. وبدونها، تبقى القوة والمتانة غير مؤكدتين. تُعدّ المعالجة الحرارية بعد اللحام (PWHT) ضرورية عادةً لتخفيف الإجهاد المتبقي الناتج عن...

صمام إغلاق خط الفولاذ المقاوم للصدأ
加载中...

صمام خطي من الفولاذ المقاوم للصدأ 8 بوصة، فئة 150 CF8/CF8M، ASME B16.34 Dervos

  • دفع:

    30% when order confirmed, 70% before shipment
  • أصل المنتج:

    china
  • اللون:

    Customization
  • ميناء الشحن:

    Shanghai, China
  • المهلة:

    30~60 days Ex Works after order confirmation
  • Material:

    ASTM A351 CF8 / CF8M (Stainless Steel)
  • Method of Operation:

    Handwheel
الاستفسار الآن
تفاصيل المنتج

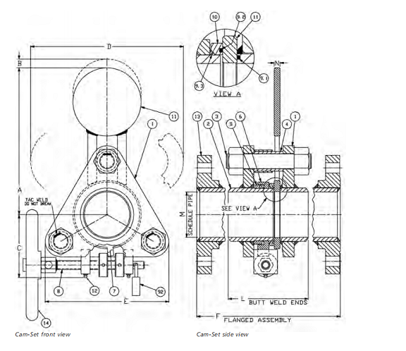
هذا صمام حجب خط من الفولاذ المقاوم للصدأ من الفئة 150 مقاس 8 بوصات تم تصميمه لتوفير عزل إيجابي مطلق لخطوط الأنابيب التي تنقل مواد أكالة أو كيميائية أو بحرية. على عكس صمامات الفولاذ الكربوني التي قد تكون عرضة للصدأ والتآكل الكيميائي، فإن هذا الصمام مصنوع من الفولاذ المقاوم للصدأ ASTM A351 CF8/CF8M ، مما يوفر مقاومة فائقة للتآكل وموثوقية طويلة الأمد في البيئات القاسية.

ال آلية ستائر منزلقة أو متأرجحة (حسب الطراز) يُنشئ حاجزًا ماديًا صلبًا، مما يضمن انعدام التسرب أثناء الصيانة دون الاعتماد على المقاعد التي قد تتآكل أو تتلف. يسمح هذا التصميم للمشغلين بالتبديل بين وضعيات التدفق والوضعيات العمياء. دون تخفيف الضغط على الخط مما يقلل بشكل كبير من وقت التوقف ويعزز السلامة.

متوافق تمامًا مع ASME B16.34 وتم اختباره لـ API 598 يتميز هذا الصمام حواف الترددات الراديوية وفقًا لمعيار ASME B16.5 وهو متوفر بنظام تشغيل يدوي، أو نظام تشغيل بالتروس، أو نظام تشغيل هوائي/كهربائي. إنه خيار مثالي لـ المصانع الكيميائية، والمنصات البحرية، ومحطات معالجة المياه، وأي نظام أنابيب تكون فيه مقاومة التآكل أمراً بالغ الأهمية .

معايير المنتج

المعلمة

مواصفة

يكتب

صمام خطي مغلق (من النوع المنزلق / المتأرجح)

مقاس

8 بوصة (DN200)

ضغط

الفئة 150 (PN20)

اتصال

شفة الترددات الراديوية، ASME B16.5

عملية

عجلة يدوية / تروس / مشغل اختياري

مادة الجسم

ASTM A351 CF8 / CF8M (الفولاذ المقاوم للصدأ)

طبق النظارة

الفولاذ المقاوم للصدأ (CF8 / 316)

الفقمات

مادة PTFE / جرافيت / معدن (خيارات متاحة)

معيار التصميم

ASME B16.34

معيار الاختبار

API 598

نطاق درجة الحرارة

من -29 درجة مئوية إلى 150 درجة مئوية (حتى 425 درجة مئوية مع مقعد معدني)

الوسائط المطبقة

الماء، الزيت، الغاز، السوائل المسببة للتآكل، المواد الكيميائية، مياه البحر

سمات

هيكل من الفولاذ المقاوم للصدأ CF8/CF8M - يوفر مقاومة ممتازة للصدأ والتنقر والهجوم الكيميائي، مما يضمن عمر خدمة طويل في البيئات المسببة للتآكل.

العزلة الجسدية المطلقة – تشكل الصفيحة العمياء الصلبة حاجزًا حقيقيًا، مما يضمن عدم حدوث أي تسرب أثناء صيانة خط الأنابيب.

التشغيل المباشر بدون تخفيف الضغط – تتيح آلية الانزلاق إمكانية التبديل دون تفريغ النظام، مما يقلل من وقت التوقف والمخاطر التشغيلية.

تم اختباره وفقًا لمعيار API 598 – تم اختبارها بنسبة 100% هيدروستاتيكية وهوائية لضمان الأداء المحكم ضد التسرب.

خيارات تشغيل متعددة – متوفر مع عجلة يدوية، أو مشغل تروس، أو تشغيل هوائي، أو تشغيل كهربائي ليناسب متطلبات نظامك.

الرسم الفني

8" Line Blind Valve

لماذا تختار الفولاذ المقاوم للصدأ لصمام الإغلاق الخاص بخطك؟

مقاومة التآكل: مثالي للتطبيقات البحرية والكيميائية ومعالجة مياه الصرف الصحي حيث قد يصدأ الفولاذ الكربوني.

صيانة منخفضة: انخفاض خطر تدهور الختم والجسم بمرور الوقت.

نطاق واسع لدرجات الحرارة: مناسب للاستخدام في درجات الحرارة المنخفضة جداً والمرتفعة مع إحكام الإغلاق المناسب.

الاستخدامات الصحية: يُستخدم بشكل شائع في صناعات الأغذية والمشروبات والأدوية نظرًا لسهولة تنظيفه.

بالنسبة للتطبيقات الصناعية القياسية التي لا تحتوي على مواد أكالة، تظل سلسلة الفولاذ الكربوني لدينا خيارًا موثوقًا وفعالًا من حيث التكلفة.

اترك رسالة

إذا كنت مهتما في منتجاتنا و تريد أن تعرف المزيد من التفاصيل,يرجى ترك رسالة هنا وسوف نقوم بالرد عليك بأسرع ما يمكن.

منتجات ذات صله

اترك رسالة

    إذا كنت مهتما في منتجاتنا و تريد أن تعرف المزيد من التفاصيل,يرجى ترك رسالة هنا وسوف نقوم بالرد عليك بأسرع ما يمكن.

الصفحة الرئيسية

منتجات

حول

اتصل