العربية

العربية

Get a Quote
منتجات

منتوجات جديدة

أخبار الشركة

هل صمامات البوابة ذات منفذ كامل؟
هل صمامات البوابة ذات منفذ كامل؟
2026-03-13

في أنظمة الأنابيب الصناعية، تُعتبر صمامات البوابة عمومًا صمامات عزل منخفضة المقاومة. عندما يكون الصمام مفتوحًا بالكامل، تُسحب البوابة تمامًا من مسار التدفق، مما يسمح للسائل بالمرور بأقل قدر من العوائق. ومع ذلك، من منظور هندسي دقيق، لا تُصنف جميع صمامات البوابة على أنها صمامات كاملة الفتح. إذا كان قطر فتحة المقعد مساويًا أو قريبًا جدًا من القطر الداخلي للأنبوب، فإن التدفق لا يواجه مقاومة تُذكر. في هذه الحالة، يمكن اعتبار الصمام مفتوحًا بالكامل (أو شبه مفتوح بالكامل). يُستخدم هذا التصميم عادةً في أنابيب النفط والغاز، وأنظمة نقل المياه، وغيرها من التطبيقات التي تتطلب انخفاضًا طفيفًا في الضغط. إذا كان قطر فتحة المقعد أصغر قليلاً من القطر الداخلي للأنبوب، فسيحدث تقييد طفيف في التدفق داخل الصمام. في مثل هذه الحالات، يُوصف الصمام بدقة أكبر بأنه ذو فتحة مخفضة. هذا التصميم أكثر شيوعًا في الأحجام الصغيرة أو لتحقيق التكلفة المثلى. صمام تصاميم. في الممارسة الهندسية، يمكن تطبيق منطق اختيار بسيط: ● إذا كان النظام يتطلب الحد الأدنى من مقاومة التدفق أو تنظيف الأنابيب، فيجب أن يتطابق قطر فتحة الصمام مع قطر خط الأنابيب. ● إذا تم استخدام الصمام لأغراض العزل العامة، فإن معظم صمامات البوابة القياسية يمكنها بالفعل تلبية سعة التدفق المطلوبة. لذلك، يمكن استخلاص استنتاج موجز: عادة ما تكون صمامات البوابة قريبة من تصميمات الفتحة الكاملة، ولكن ما إذا كانت ذات فتحة كاملة حقًا يعتمد على ما إذا كانت فتحة المقعد تساوي القطر الداخلي لخط الأنابيب. ضمان الجودة س1: هل صمامات البوابة مفتوحة بالكامل دائمًا؟ ليس بالضرورة. إذا كان قطر فتحة المقعد مساوياً للقطر الداخلي للأنبوب، فيمكن اعتبار الصمام كامل الفتحة. أما إذا كان أصغر قليلاً، فيُصنف على أنه ذو فتحة مخفضة. س2: لماذا تفعل صمام بوابة هل تتمتع بمقاومة تدفق منخفضة نسبيًا؟ عندما يكون الصمام مفتوحًا بالكامل، تت

تركيب صمامات كروية ذات قطر كبير
تركيب صمامات كروية ذات قطر كبير
2026-03-09

قطر كبير صمام كروي تُستخدم هذه الأنظمة على نطاق واسع في صناعات مثل معالجة البترول والمواد الكيميائية، وتوليد الطاقة، ونقل المياه عبر خطوط الأنابيب لمسافات طويلة، وأنظمة معالجة المياه واسعة النطاق. وإذا لم يتم تركيبها بشكل صحيح، فقد يؤدي ذلك إلى تسرب في نظام منع التسرب، أو تعطل الصمامات، أو تلف في الهيكل نتيجة الإجهاد. لذا، فإن اتباع ممارسات التركيب السليمة ضروري لضمان التشغيل المستقر على المدى الطويل. 1. فحص ما قبل التركيب إذا لم يكن فحص ما قبل التركيب كافيًا، فمن المرجح حدوث أعطال تشغيلية أثناء الاستخدام. أولًا، افحص جسم الصمام بحثًا عن أي تلف ناتج عن النقل. في حال وجود خدوش أو علامات صدمات أو تشوهات على جسم الصمام أو أسطح منع التسرب، يجب إيقاف التركيب والتواصل مع المورد. بعد ذلك، تحقق من طراز الصمام، وتصنيف الضغط، ومعايير التوصيل. إذا لم يتطابق ضغط تصميم النظام مع فئة ضغط الصمام، فقد تحدث مخاطر تتعلق بالسلامة التشغيلية. على سبيل المثال، إذا تم استخدام صمام منخفض الضغط عن طريق الخطأ في نظام خط أنابيب عالي الضغط، فقد يتعرض جسم الصمام لتشوه لدن نتيجة تأثير المطرقة المائية. من الضروري أيضاً فحص حالة سطح الكرة وحلقات منع التسرب. فإذا وُجدت خدوش على سطح الكرة، سيقل أداء منع التسرب. وهذا أمر بالغ الأهمية، خاصةً في أنظمة نقل الغاز حيث يكون التسرب الدقيق أكثر احتمالاً. 2. تعليمات التركيب تحتوي صمامات الكرة ذات القطر الكبير عادةً على علامة توضح اتجاه التدفق. في حال كان اتجاه التركيب غير صحيح، فقد تحدث المشاكل التالية: إذا تطابق اتجاه تدفق السائل مع اتجاه التصميم، فسيكون عزم التشغيل أكثر استقرارًا. أما إذا تم تركيب الصمام بشكل عكسي، فقد يتعرض ساق الصمام لحمل ميكانيكي متزايد، مما يُسرّع من تآكله أثناء التشغيل طويل الأمد. لختم مزدوج ثنائي الاتجاه صمام كروي على الرغم من السماح بالتدفق ثنائي الاتجاه، إلا أنه لا يزال يوصى بالتركيب وفقًا لاتجاه التدفق المحدد لضمان توزيع أكثر تجانسًا لإجهاد الختم. في الأنظمة ذات درجات الحرارة العالية أو أنظمة البخار، إذا كان اتجاه التركيب غير صحيح، فقد يؤدي التمدد الحراري إلى تسريع شيخوخة حلقة منع التسرب. 3. التحكم في إجهاد خطوط الأنابيب صمامات الكرة ذات القطر الكبير ثقيلة الوزن. إذا تم تركيبها بدون دعامة مناسبة، فقد تنتقل عزوم انحناء إضافية إلى وصلات الشفة. في حال تعرض أنظمة الأنابيب لإزاحة محورية، يجب تركيب دعامات لتثبيتها بشكل مجزأ. في حال عدم توفير هذه الدعامات، قد يتعرض جسم الصمام لحمل شد جاذبي طويل الأمد، مما قد يؤدي في النهاية إلى تلف مانع التسرب في الشفة. يُنصح عمومًا بتركيب دعامات مستقلة على جانبي صمامات الكرة ذات القطر الكبير. إذا كان نظام الأنابيب عرضة للتمدد والانكماش الحراري، فيجب تركيب أجهزة تعويض التمدد؛ وإلا فقد تتلف أسطح منع التسرب تدريجيًا. 4. عملية شد البراغي تتطلب وصلات الفلنجات لصمامات الكرة ذات القطر الكبير عادةً شد البراغي تدريجياً. إذا تم إحكام ربط البراغي بالكامل دفعة واحدة، فقد يحدث توزيع غير متساوٍ للإجهاد على الحافة، مما يؤدي إلى تلف الحشية نتيجة الضغط. يُنصح باستخدام تسلسل ربط متقاطع وتطبيق عزم الدوران على مرحلتين أو ثلاث مراحل من الربط التدريجي. في حالة استخدام الحشيات الملفوفة حلزونياً، يجب التحكم في توحيد عزم الدوران؛ وإلا فقد يحدث تسرب دقيق أولي. يُعدّ تزييت أسنان البراغي أمرًا بالغ الأهمية. فإذا لم يتم تزييت الأسنان، فقد يزداد فقدان عزم الدوران وقد لا تكون قوة التحميل المسبق الفعلية كافية. 5. ال...

توحيد الجهود، وصنع المستقبل معًا - اختُتم الحدث السنوي الكبير لديرفوس بنجاح
توحيد الجهود، وصنع المستقبل معًا - اختُتم الحدث السنوي الكبير لديرفوس بنجاح
2026-03-02

كان مؤتمر ديرفوس السنوي هذا العام أكثر فخامة وتنظيماً بشكل ملحوظ مقارنة بالسنوات السابقة. في الجلسة الصباحية، قدم كل قسم ملخص أعماله السنوي، واستعرض المشاريع الرئيسية. و الإنجازات على مدار العام الماضي. كما شاركت الفرق بصراحة التحديات التي واجهتها أثناء التنفيذ والخبرة العملية المكتسبة على طول الطريق من خلال هذا التبادل بين الأقسام، طور الجميع فهمًا أوضح لبعضهم البعض. المسؤوليات وسير العمل، مما يرسخ أساساً أقوى للتعاون والتواصل في المستقبل. وفي جلسة ما بعد الظهر، تم تقديم جوائز الموظف المتميز. كل مرشح تبادلوا إنجازاتهم في العمل والخبرة العملية، مما يدل على إحساس قوي بـ المسؤولية والتنفيذ عبر مختلف الأدوار. إن هذه العقلية الاستباقية، وروح التعاون، ونهج العمل الواقعي هي تحديداً ما يميزنا. من موظفي ديرفوس الذين يدفعون الفريق بثبات نحو أهدافه المشتركة الحضور في الموعد المحدد كل يوم طوال العام - هذا إنجاز عظيم. إيان لديه حصل الآن على جائزة الحضور الكامل لسنتين متتاليتين. خلال المؤتمر السنوي، قدم ديرفوس أيضًا ميداليات وهدايا تذكارية حصرية هدايا إلى الموظفين الذين أكملوا خمس سنوات من الخدمة. ديرفوس تُقدّر الشركة التفاني طويل الأمد والالتزام المستمر لأعضاء فريقها، و يُعرب عن تقديره العميق للثقة والمساهمات التي قدموها على مر السنين. بالنسبة للكثيرين في ديرفوس، لا تقتصر الشركة على كونها منصة للنمو المهني فحسب، بل هي أيضاً مسرح لتحقيق الأهداف المشتركة وتتجسد الجهود الجماعية. وفي المساء، انتقل المؤتمر السنوي إلى فقرة المأدبة. وقدّمت عروض فنية و... تم دمج الألعاب التفاعلية بسلاسة، مما خلق جواً مريحاً ومنظماً في الوقت نفسه. ترددت أصداء الضحكات والهتافات في أرجاء المكان، وفي تلك اللحظة التقطت الكاميرا بمجرد الضغط على زر الكاميرا، تم التقاط الإثارة والفرح في إطار واحد. قال إريك: "دعونا نحلم معًا، حلم ديرفوس. حلم نلعب فيه جميعًا دورًا.

خمسة آلاف ومائتان واحد
加载中...

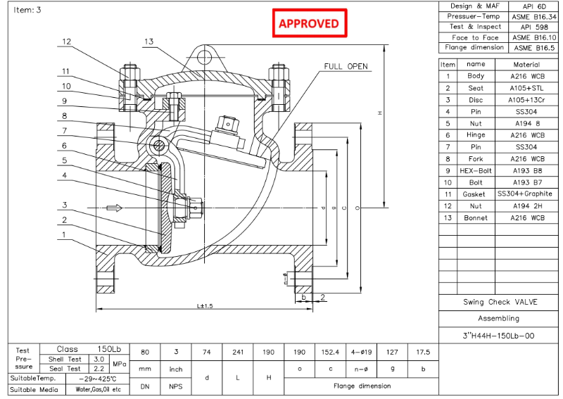
صمام فحص متأرجح 3 بوصة 150 رطل WCB API6D

  • دفع:

    30% when order confirmed, 70% before shipment
  • أصل المنتج:

    china
  • اللون:

    Customization
  • ميناء الشحن:

    Shanghai, China
  • المهلة:

    30~60 days Ex Works after order confirmation
  • Material:

    WCB
  • Method of Operation:

    no
الاستفسار الآن
تفاصيل المنتج

صمام فحص متأرجح بقطر 3 بوصات ووزن 150 رطلاً مصنوع وفقًا لمعيار API6D. جسم الصمام مصنوع من الفولاذ المقاوم للصدأ. يتميز بغطاء مثبت بمسامير، وهو من النوع المتأرجح، ومناسب للتركيب الأفقي والرأسي. طريقة توصيله هي التردد اللاسلكي (RF).

معايير المنتج

يكتب

صمام فحص متأرجح

مقاس

3 بوصات

ضغط

150 رطل

اتصال

الترددات اللاسلكية

مادة الجسم

مجلس تعويضات العمال

معيار التصميم

API 6D

وجهاً لوجه

ASME B16.10

أبعاد الشفة

معيار ASME B16.5

قانون الاختبار والتفتيش

API 598

درجة حرارة

-29 ~ 425 درجة مئوية

الوسيلة المناسبة

الماء والنفط والغاز إلخ

سمات

1. تصميم التأرجح يسمح بالتدفق غير المعاق ويمنع التدفق العكسي في الأنابيب.

2. جسم WCB يفي بمعايير API6D، مما يضمن أداءً موثوقًا به تحت ضغط عالٍ.

الرسم الفني

Swing Check Valve

فحص الأبعاد

Swing Check Valve

اختبار الضغط

Swing Check Valve

تلوين

Swing Check Valve

لوحة الاسم والتغليف

Swing Check Valve

تقرير التفتيش

Swing Check Valve Swing Check Valve Swing Check Valve Swing Check Valve

اترك رسالة

إذا كنت مهتما في منتجاتنا و تريد أن تعرف المزيد من التفاصيل,يرجى ترك رسالة هنا وسوف نقوم بالرد عليك بأسرع ما يمكن.

منتجات ذات صله
بكالوريوس 1868 صمام الاختيار نوع البديل
صمام الاختيار المتأرجح 8 بوصة 1500 رطل WCB بفلنجة BS 1868

يتطابق صمام عدم الرجوع مقاس 8 بوصات مع رمز تصميم BS 1868 ، مع غطاء محرك وغطاء من النوع المتأرجح. صمام الفحص ذو الحواف مصنوع من الفولاذ الكربوني a216 wcb. ميزة التصميم1.bb: بونيه انسحب2. نوع القرص يتأرجح3.تصميم تجويف مخفض4. معدلات تدفق متفوقة5. تقليل فقدان الاحتكاك6. مواد تقليم القياسية للاختيار7.المفصلي الخارجي أو الداخلي متاح عند الطلب8. اسطوانة ووزن العداد متاح عند الطلب 9. الجذعية العارية والمشغلات متوفرة عند الطلب تفاصيل سريعة نوع التحقق من   صمام بحجم 8 " ضغط التصميم ansi   1500 اعمال بناء انسحب   غطاء محرك السيارة ، نوع التأرجح الإتصال رفع   شفة الوجه تصميم & أمبير ؛ صناعة بكالوريوس   1868 من النهاية إلى النهاية اسمى   ب 16.10 الإتصال اسمى   ب 16.5 الضغط & أمبير ؛   مؤقت اسمى   ب 16.34 اختبار & أمبير ؛   تفتيش واجهة برمجة تطبيقات   598 مواد الجسم كربون   صلب درجة الحرارة المطبقة -29 ℃ ~ + 400 ℃ وسائل الإعلام w.o.g. البعد الفئة 1500 NPS في 2 2 1/2 3 4 6 8 10 12 د مم 50 65 80 100 150 200 250 300 L-L1(rf-bw) في 14-1 / 2 16-1 / 2 18-1 / 2 21-1 / 2 27-3 / 4 32-3 / 4 39 44-1 / 2 مم 368 419 470 546 705 832 991 1130 ل 2(رتج) في 14-5 / 8 16-5 / 8 18-5 / 8 21-5 / 8 28 33-1 / 8 39-3 / 8 45-1 / 8 مم 371 422 473 549 700 841 1000 1146 ح(افتح) في 12-1 / 4 12-1 / 4 13 14 15-3 / 4 20-7 / 8 22-1 / 16 25-5 / 8 مم 310 310 330 355 400 530 560 650 بالوزن(كلغ) الترددات اللاسلكية 69 93 140 232 490 990 1490 1970 من وزن الجسم 49 74 111 185 375 803 1250 1625

مزدوج نوع شفة صمام تأرجح نوع
نوع التأرجح صمام عدم الرجوع dn150 pn40 rf flange 1.0619

صمام الاختيار من نوع التأرجح ، المصمم بشفة pn40 rf ، غطاء مثبت ، مصنوع من الفولاذ المصبوب 1.0619 ومادة ss316. يمكن تصنيع صمام الاختيار الكامل لكل طلبات العميل الخاصة. تفاصيل سريعة نوع عدم   صمام الرجوع (فحص الصمام) الحجم الاسمي د   150 الضغط الاسمي ص   40 اعمال بناء ب ،   قرص نوع التأرجح ، دبوس خارجي الإتصال رفع   شفة الوجه تصميم & أمبير ؛ صناعة الدين   3356 من النهاية إلى النهاية en   558 الإتصال en   1092 اختبار & أمبير ؛   تفتيش en   12266 مواد الجسم GS-C25   (1.0619) تطبيق -29 ℃ ~ + 425 ℃ وسائل الإعلام w.o.g. مواد لا جزء اسم كربون   الصلب ل astm أشابة   الصلب ل astm غير القابل للصدأ   الصلب ل astm WCB lcb wc6 wc9 ج 5 راجع 8 CF 8M راجع 3 CF3M 1 الجسم a216 wcb A350 lcb a217 w6 a217 wc9 a217 c5 a351 cf8 a351 cf8m a351 cf3 a351 cf3m 2 حلقة مقعد أ 105 A350 lf2 a182 f11 a182 f22 a182 f5 a182 f304 a182 f316 a182 f304l a182 f316l 3 الجوز القرص a182 f304 a182 f304 a182 f316 a182 f304l a182 f316l 4 غسالة القرص a182 f304 a182 f304 a182 f316 a182 f304l a182 f316l 5 القرص a216 wcb A350 lcb a217 w6 a217 wc9 a217 c5 a351 cf8 a351 cf8m a351 cf3 a351 cf3m 6 مفصل a216 wcb A350 lcb a217 w6 a217 wc9 a217 c5 a351 cf8 a351 cf8m a351 cf3 a351 cf3m 7 دبوس المفصلي a182 f304 a182 f304 a182 f316 a182 f304l a182 f316l 8 نير a216 wcb A350 lcb a217 w6 a217 wc9 a217 c5 a351 cf8 a351 cf8m a351 cf3 a351 cf3m 9 بونيه الجوز أ 194 2 ساعة أ 194 4 أ 194 7 أ 194 8 10 بونيه الترباس أ 193 ب 7 أ 193 l7 أ 193 ب 16 أ 193 ب 8 11 طوقا دوامة الفولاذ المقاوم للصدأ   الجرح الجرافيت أو الفولاذ المقاوم للصدأ دوامة الجرح ptfe 12 التغطية a216 wcb A350 lcb a217 w6 a217 wc9 a217 c5 a351 cf8 a351 cf8m a351 cf3 a351 cf3m 13 ربط المسمار صلب 14 لوحة الاسم الفولاذ المقاوم للصدأ أو الألومنيوم 15 برشام الفولاذ المقاوم للصدأ أو الألومنيوم مواد أخرى (سبيكة 20 ، ansi 321 ، monel hastelloy ، إلخ)   متوفرة عند الطلب س خدمة اور خدمة العملاء الجيدة هي نفس قيمة المنتج نفسه. في dervos ، سوف نقدم مجموعة كاملة من خدمة العملاء لتجعلك تشعر بالراحة عند التعامل معنا. تقديم تقرير الإنتاج الأسبوعي عندما يبدأ الإنتاج ، ستحصل على تقرير الإنتاج أسبوعيًا ، بحيث يمكنك الحصول على أمر جيد لحالة المنتج وإبلاغ عميلك في الوقت الحالي. تقدم ضمان 18 شهرا سيتم تقديم فترة ضمان 18 شهرًا بعد الشحن ، ولا داعي للقلق لشراء صمام من dervos. تقديم الحلول في غضون 3 أيام للشكاوى سيتم حل جميع الشكاوى في غضون 3 أيام ، في هذه الحالة ، يمكنك الرد في الوقت المناسب وحل المشكلات لعميلك ، لتخفيفها حتى عند حدوث الشكاوى.

صمام الاختيار cf8 الفولاذ المقاوم للصدأ
صمام ستانلس ستيل غير متحرك سوينغ

يتميز الصمام غير القابل للصدأ cf8 بالفولاذ المقاوم للصدأ بقرص من النوع غير المنزلق ، وطرف شفة 150 ansi ، وتصميم منفذ كامل. تفاصيل سريعة نوع عدم   صمام الرجوع (فحص الصمام) بحجم 8 " ضغط التصميم صف دراسي   150 اعمال بناء عدم   نوع سلام الإتصال الترددات اللاسلكية   شفة تصميم & أمبير ؛ صناعة اسمى   ب 16.34 من النهاية إلى النهاية اسمى   ب 16.10 الإتصال اسمى   ب 16.5 الضغط & أمبير ؛   مؤقت اسمى   ب 16.34 اختبار & أمبير ؛   تفتيش واجهة برمجة تطبيقات   598 مواد الجسم أ 351   راجع 8 تقليم المواد SS304 وسائل الإعلام w.o.g. التعديلات المتاحة لصمامات dervos -صمام الضغط حجم الصمام تجفيف و أمبير. تتحمل كامل -الهيئة & أمبير ؛ تقليم المواد (القرص ، المقعد ، الدبوس ، الربيع) اتصال نهاية (شفة ، وزن الجسم ، sw ، الخيط ، رقاقة ، العروة) عملية متاحة (الجذع العاري مع المحركات) -ثقل موازن متوفر - اسطوانة متاحة -تخصيص طلاء - تغليف حسب الطلب المعرفة ذات الصلة ما هو صمام الاختيار غير سلامه؟ المطرقة المائية هي ظاهرة هيدروليكية تخضع لتغير مفاجئ في معدل تدفقها وتنتج عن الإغلاق المفاجئ أو الارتطام. ستقلل مطرقة الماء من كفاءة العملية ، وتتسبب في تلف الصمام ، وتسربات وصلات الحشية ومشاكل أخرى. تم تصميم صمام الاختيار غير المنزلق لتقليل المطرقة المائية. يمكن أن يمنع الزنبرك الداخلي القرص من الانغلاق عن قرب. يمكن أن يؤدي تصميم صمام عدم الانزلاق إلى التخلص من تقلبات الضغط والاهتزاز والأضرار. بالإضافة إلى ذلك ، يعاني القرص والربيع من التآكل البسيط بمرور الوقت ، مما سيطيل إلى حد كبير من عمر الخدمة للفحص غير المضاد للارتفاع مقارنة بصمام الاختيار المتأرجح.

صمام الاختيار البديل
api 6d wcb rf نوع سوينغ تحقق صمام cl600 4 بوصة 6 بوصة

api6d نوع التأرجح صمام الاختيار rf ربط انسحب بونيه كامل المسام الجسم wcb ، wcb + 13cr القرص ، a105 + 13cr حلقة مقعد ، المفصلي wcb. درجة حرارة مناسبة في -29 ℃ ~ + 425 ℃ تفاصيل سريعة نوع صمام الاختيار البديل بحجم 4 بوصة - 6 بوصات ضغط التصميم cl600 اعمال بناء قبل الميلاد ، نوع التأرجح نوع الاتصال شفة نوع العملية - مواد الجسم WCB مخادع wcb + 13cr مادة مفصلية WCB مادة المقعد a105 + 13cr كود التصميم واجهة برمجة التطبيقات 6 د وجها لوجه البعد Asme b16.10 اختبار وفحص api 598 الضغط & أمبير ؛ مؤقت اسمي ب 16.34 متوسط الماء والنفط والغاز الأصل الصين

خمسة آلاف ومائتان واحد
API 6D nps 14 يلقي الصلب سوينغ فحص غطاء مسامير الغطاء 600LB

مُصنع صيني Dervos تقدم صمامات عدم رجوع 14 بوصة مصنوعة وفقًا لـ API 6D. تغطي الميزات الأخرى CL300 و rf end Connection و WCB جسم.

صمام الاختيار البديل
Cast Steel NPS 6 فئة 150 Swing Check Valve RF WCB ميتاليك جالس

صمام الاختيار الأرجوحة مصنوع من A216، نوع من WCB. المصنعة وفقا ل BS1868، صمام الاختيار هو 6 بوصة و 150LB. و الصمام قادر في درجة حرارة العمل بين -19 إلى 425 درجة مئوية.

صمام الاختيار البديل
DIN Standard 1.0619 صمام تحقق سوينغ DN80 PN40

يتكون صمام الاختيار البديل من 1.0619، وهو نوع من الصلب الكربوني، على النحو التاليDIN قياسي.تحقق صمام هو DN80 و pn40، أو 3 بوصة و 300lb. و الصمام قادر في درجة حرارة العمل بين -19 إلى 425 درجة مئوية.

فحص الصمام
صمام فحص سوينغ فولاذي مزور API 602 1 بوصة CL150 RF

يحتوي صمام فحص التأرجح 1 بوصة على غطاء محرك مثبت بمسامير ونهاية شفة RF . تم تصميم صمام فحص التأرجح الفولاذي المطروق بتجويف مخفض وفقًا لمعيار API 602 . يمكن أن تقوم dervos أيضًا بتخصيص الخدمة وفقًا لطلبات العملاء على الأحجام , تقييمات التصميم , المواد , والمعايير وما إلى ذلك .

فحص الصمام
DIN 3840 صمام فحص التأرجح DN200 PN40 من الفولاذ المصبوب

مصنوع من صب عالي الجودة , يحتوي صمام فحص التأرجح DIN على جسم فولاذي مصبوب بهيكل غطاء محرك مثبت بمسامير ووصلة شفة . تم تصميم الصمام بأداء إحكام جيد وأقل تأثير مطرقة مائية .

فحص الصمام
DN400 PN10 صمام الاختيار المتأرجح المصبوب WCB RF

تم تصنيع صمام فحص DN400 PN10 وفقًا لمعيار DIN. جسم الصمام مصنوع من WCB. تتميز بالخصائص الهيكلية لنوع التأرجح والطول الهيكلي البالغ 310 مم. لديها وضع اتصال RF. يحتوي هذا الصمام على مخمد مدمج ، والذي يستخدم بشكل أساسي لامتصاص الصدمات وتبديد الطاقة.

صمام الاختيار البديل
6 "1500LB المصبوب الصلب البديل صمام الاختيار WCB API6D BW

تم تصنيع صمام عدم رجوع 6 "1500LB وفقًا لمعيار API 6D. جسم الصمام مصنوع من WCB. له الخصائص الهيكلية لنوع التأرجح. ولديه وضع اتصال BW.

صمام الاختيار البديل
1 "150LB مزورة الصلب شفة فحص صمام التأرجح API 602 A105

1 "150LB صمام فحص التأرجح مصنوع وفقًا لمعيار API 602. جسم الصمام مصنوع من A105. له الخصائص الهيكلية لغطاء الترباس ، نوع التأرجح والتجويف الكامل. وضع التوصيل هو RF (شفة ملحومة).

اترك رسالة

    إذا كنت مهتما في منتجاتنا و تريد أن تعرف المزيد من التفاصيل,يرجى ترك رسالة هنا وسوف نقوم بالرد عليك بأسرع ما يمكن.

الصفحة الرئيسية

منتجات

حول

اتصل