العربية

العربية

Get a Quote
منتجات

منتوجات جديدة

أخبار الشركة

هل صمامات البوابة ذات منفذ كامل؟
هل صمامات البوابة ذات منفذ كامل؟
2026-03-13

في أنظمة الأنابيب الصناعية، تُعتبر صمامات البوابة عمومًا صمامات عزل منخفضة المقاومة. عندما يكون الصمام مفتوحًا بالكامل، تُسحب البوابة تمامًا من مسار التدفق، مما يسمح للسائل بالمرور بأقل قدر من العوائق. ومع ذلك، من منظور هندسي دقيق، لا تُصنف جميع صمامات البوابة على أنها صمامات كاملة الفتح. إذا كان قطر فتحة المقعد مساويًا أو قريبًا جدًا من القطر الداخلي للأنبوب، فإن التدفق لا يواجه مقاومة تُذكر. في هذه الحالة، يمكن اعتبار الصمام مفتوحًا بالكامل (أو شبه مفتوح بالكامل). يُستخدم هذا التصميم عادةً في أنابيب النفط والغاز، وأنظمة نقل المياه، وغيرها من التطبيقات التي تتطلب انخفاضًا طفيفًا في الضغط. إذا كان قطر فتحة المقعد أصغر قليلاً من القطر الداخلي للأنبوب، فسيحدث تقييد طفيف في التدفق داخل الصمام. في مثل هذه الحالات، يُوصف الصمام بدقة أكبر بأنه ذو فتحة مخفضة. هذا التصميم أكثر شيوعًا في الأحجام الصغيرة أو لتحقيق التكلفة المثلى. صمام تصاميم. في الممارسة الهندسية، يمكن تطبيق منطق اختيار بسيط: ● إذا كان النظام يتطلب الحد الأدنى من مقاومة التدفق أو تنظيف الأنابيب، فيجب أن يتطابق قطر فتحة الصمام مع قطر خط الأنابيب. ● إذا تم استخدام الصمام لأغراض العزل العامة، فإن معظم صمامات البوابة القياسية يمكنها بالفعل تلبية سعة التدفق المطلوبة. لذلك، يمكن استخلاص استنتاج موجز: عادة ما تكون صمامات البوابة قريبة من تصميمات الفتحة الكاملة، ولكن ما إذا كانت ذات فتحة كاملة حقًا يعتمد على ما إذا كانت فتحة المقعد تساوي القطر الداخلي لخط الأنابيب. ضمان الجودة س1: هل صمامات البوابة مفتوحة بالكامل دائمًا؟ ليس بالضرورة. إذا كان قطر فتحة المقعد مساوياً للقطر الداخلي للأنبوب، فيمكن اعتبار الصمام كامل الفتحة. أما إذا كان أصغر قليلاً، فيُصنف على أنه ذو فتحة مخفضة. س2: لماذا تفعل صمام بوابة هل تتمتع بمقاومة تدفق منخفضة نسبيًا؟ عندما يكون الصمام مفتوحًا بالكامل، تت

تركيب صمامات كروية ذات قطر كبير
تركيب صمامات كروية ذات قطر كبير
2026-03-09

قطر كبير صمام كروي تُستخدم هذه الأنظمة على نطاق واسع في صناعات مثل معالجة البترول والمواد الكيميائية، وتوليد الطاقة، ونقل المياه عبر خطوط الأنابيب لمسافات طويلة، وأنظمة معالجة المياه واسعة النطاق. وإذا لم يتم تركيبها بشكل صحيح، فقد يؤدي ذلك إلى تسرب في نظام منع التسرب، أو تعطل الصمامات، أو تلف في الهيكل نتيجة الإجهاد. لذا، فإن اتباع ممارسات التركيب السليمة ضروري لضمان التشغيل المستقر على المدى الطويل. 1. فحص ما قبل التركيب إذا لم يكن فحص ما قبل التركيب كافيًا، فمن المرجح حدوث أعطال تشغيلية أثناء الاستخدام. أولًا، افحص جسم الصمام بحثًا عن أي تلف ناتج عن النقل. في حال وجود خدوش أو علامات صدمات أو تشوهات على جسم الصمام أو أسطح منع التسرب، يجب إيقاف التركيب والتواصل مع المورد. بعد ذلك، تحقق من طراز الصمام، وتصنيف الضغط، ومعايير التوصيل. إذا لم يتطابق ضغط تصميم النظام مع فئة ضغط الصمام، فقد تحدث مخاطر تتعلق بالسلامة التشغيلية. على سبيل المثال، إذا تم استخدام صمام منخفض الضغط عن طريق الخطأ في نظام خط أنابيب عالي الضغط، فقد يتعرض جسم الصمام لتشوه لدن نتيجة تأثير المطرقة المائية. من الضروري أيضاً فحص حالة سطح الكرة وحلقات منع التسرب. فإذا وُجدت خدوش على سطح الكرة، سيقل أداء منع التسرب. وهذا أمر بالغ الأهمية، خاصةً في أنظمة نقل الغاز حيث يكون التسرب الدقيق أكثر احتمالاً. 2. تعليمات التركيب تحتوي صمامات الكرة ذات القطر الكبير عادةً على علامة توضح اتجاه التدفق. في حال كان اتجاه التركيب غير صحيح، فقد تحدث المشاكل التالية: إذا تطابق اتجاه تدفق السائل مع اتجاه التصميم، فسيكون عزم التشغيل أكثر استقرارًا. أما إذا تم تركيب الصمام بشكل عكسي، فقد يتعرض ساق الصمام لحمل ميكانيكي متزايد، مما يُسرّع من تآكله أثناء التشغيل طويل الأمد. لختم مزدوج ثنائي الاتجاه صمام كروي على الرغم من السماح بالتدفق ثنائي الاتجاه، إلا أنه لا يزال يوصى بالتركيب وفقًا لاتجاه التدفق المحدد لضمان توزيع أكثر تجانسًا لإجهاد الختم. في الأنظمة ذات درجات الحرارة العالية أو أنظمة البخار، إذا كان اتجاه التركيب غير صحيح، فقد يؤدي التمدد الحراري إلى تسريع شيخوخة حلقة منع التسرب. 3. التحكم في إجهاد خطوط الأنابيب صمامات الكرة ذات القطر الكبير ثقيلة الوزن. إذا تم تركيبها بدون دعامة مناسبة، فقد تنتقل عزوم انحناء إضافية إلى وصلات الشفة. في حال تعرض أنظمة الأنابيب لإزاحة محورية، يجب تركيب دعامات لتثبيتها بشكل مجزأ. في حال عدم توفير هذه الدعامات، قد يتعرض جسم الصمام لحمل شد جاذبي طويل الأمد، مما قد يؤدي في النهاية إلى تلف مانع التسرب في الشفة. يُنصح عمومًا بتركيب دعامات مستقلة على جانبي صمامات الكرة ذات القطر الكبير. إذا كان نظام الأنابيب عرضة للتمدد والانكماش الحراري، فيجب تركيب أجهزة تعويض التمدد؛ وإلا فقد تتلف أسطح منع التسرب تدريجيًا. 4. عملية شد البراغي تتطلب وصلات الفلنجات لصمامات الكرة ذات القطر الكبير عادةً شد البراغي تدريجياً. إذا تم إحكام ربط البراغي بالكامل دفعة واحدة، فقد يحدث توزيع غير متساوٍ للإجهاد على الحافة، مما يؤدي إلى تلف الحشية نتيجة الضغط. يُنصح باستخدام تسلسل ربط متقاطع وتطبيق عزم الدوران على مرحلتين أو ثلاث مراحل من الربط التدريجي. في حالة استخدام الحشيات الملفوفة حلزونياً، يجب التحكم في توحيد عزم الدوران؛ وإلا فقد يحدث تسرب دقيق أولي. يُعدّ تزييت أسنان البراغي أمرًا بالغ الأهمية. فإذا لم يتم تزييت الأسنان، فقد يزداد فقدان عزم الدوران وقد لا تكون قوة التحميل المسبق الفعلية كافية. 5. ال...

توحيد الجهود، وصنع المستقبل معًا - اختُتم الحدث السنوي الكبير لديرفوس بنجاح
توحيد الجهود، وصنع المستقبل معًا - اختُتم الحدث السنوي الكبير لديرفوس بنجاح
2026-03-02

كان مؤتمر ديرفوس السنوي هذا العام أكثر فخامة وتنظيماً بشكل ملحوظ مقارنة بالسنوات السابقة. في الجلسة الصباحية، قدم كل قسم ملخص أعماله السنوي، واستعرض المشاريع الرئيسية. و الإنجازات على مدار العام الماضي. كما شاركت الفرق بصراحة التحديات التي واجهتها أثناء التنفيذ والخبرة العملية المكتسبة على طول الطريق من خلال هذا التبادل بين الأقسام، طور الجميع فهمًا أوضح لبعضهم البعض. المسؤوليات وسير العمل، مما يرسخ أساساً أقوى للتعاون والتواصل في المستقبل. وفي جلسة ما بعد الظهر، تم تقديم جوائز الموظف المتميز. كل مرشح تبادلوا إنجازاتهم في العمل والخبرة العملية، مما يدل على إحساس قوي بـ المسؤولية والتنفيذ عبر مختلف الأدوار. إن هذه العقلية الاستباقية، وروح التعاون، ونهج العمل الواقعي هي تحديداً ما يميزنا. من موظفي ديرفوس الذين يدفعون الفريق بثبات نحو أهدافه المشتركة الحضور في الموعد المحدد كل يوم طوال العام - هذا إنجاز عظيم. إيان لديه حصل الآن على جائزة الحضور الكامل لسنتين متتاليتين. خلال المؤتمر السنوي، قدم ديرفوس أيضًا ميداليات وهدايا تذكارية حصرية هدايا إلى الموظفين الذين أكملوا خمس سنوات من الخدمة. ديرفوس تُقدّر الشركة التفاني طويل الأمد والالتزام المستمر لأعضاء فريقها، و يُعرب عن تقديره العميق للثقة والمساهمات التي قدموها على مر السنين. بالنسبة للكثيرين في ديرفوس، لا تقتصر الشركة على كونها منصة للنمو المهني فحسب، بل هي أيضاً مسرح لتحقيق الأهداف المشتركة وتتجسد الجهود الجماعية. وفي المساء، انتقل المؤتمر السنوي إلى فقرة المأدبة. وقدّمت عروض فنية و... تم دمج الألعاب التفاعلية بسلاسة، مما خلق جواً مريحاً ومنظماً في الوقت نفسه. ترددت أصداء الضحكات والهتافات في أرجاء المكان، وفي تلك اللحظة التقطت الكاميرا بمجرد الضغط على زر الكاميرا، تم التقاط الإثارة والفرح في إطار واحد. قال إريك: "دعونا نحلم معًا، حلم ديرفوس. حلم نلعب فيه جميعًا دورًا.

خمسة آلاف ومائتان واحد
加载中...

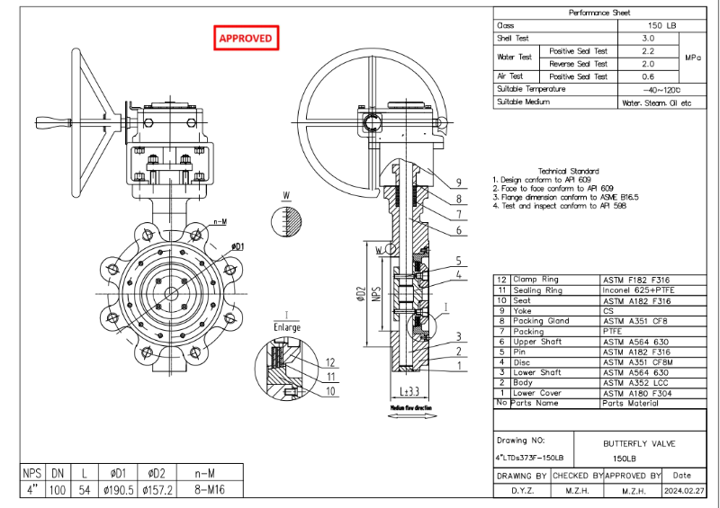
صمام فراشة 4 بوصة 150 رطل، وصلة RF LCC API609

  • دفع:

    30% when order confirmed, 70% before shipment
  • أصل المنتج:

    China
  • اللون:

    Customization
  • ميناء الشحن:

    Shanghai, China
  • المهلة:

    30~60 days Ex Works after order confirmation
  • Material:

    ASTM A352 LCC
  • Method of Operation:

    no
الاستفسار الآن
تفاصيل المنتج

صمام الفراشة مقاس 4 بوصات ووزن 150 رطلاً مصنوع وفقًا لمعيار API609. طريقة توصيله هي RF.

معايير المنتج

يكتب

صمام فراشة لوغي

مقاس

4 بوصة

ضغط

150 رطل

اتصال

الترددات اللاسلكية

مادة الجسم

ASTM A352 LCC

معيار التصميم

API 609

وجهاً لوجه

API 609

أبعاد الشفة

معيار ASME B16.5

قانون الاختبار والتفتيش

API 598

درجة حرارة

-40~ 120 درجة مئوية

الوسيلة المناسبة

الماء، البخار، الزيت، إلخ

سمات

1. تصميم على شكل عروة يسمح بسهولة التركيب بين الحواف ويدعم الأنابيب في اتجاه المصب أثناء الصيانة.

2. مصنوع من فولاذ الكربون LCC، مصنف بوزن 150 رطل مع شفة RF، ومتوافق مع معيار API 609 لضمان إحكام الإغلاق والمتانة.

الرسم الفني

lug Butterfly Valve

فحص الأبعاد

Lug Butterfly Valve

اختبار الضغط

Lug Butterfly Valve

نطاق

Lug Butterfly Valve

تقرير التفتيش

Lug Butterfly Valve Lug Butterfly Valve Lug Butterfly Valve Lug Butterfly Valve

اترك رسالة

إذا كنت مهتما في منتجاتنا و تريد أن تعرف المزيد من التفاصيل,يرجى ترك رسالة هنا وسوف نقوم بالرد عليك بأسرع ما يمكن.

منتجات ذات صله
ss صمام فراشة عالية الأداء
تعويض مزدوج صمام فراشة عالية الأداء CF8M 3 بوصة

تم تصميم صمام الفراشة عالي الأداء ذو ​​الإزاحة المزدوجة ، مع تشغيل الذراع وجسم العروة ، لكل api 609. جسم cf8m وصمام فراشة مقعد ptfe أكثر متانة في خدمة التطبيق. تفاصيل سريعة نوع فراشة   صمام بحجم 3 " ضغط التصميم 150 رطل اعمال بناء مزدوج   مقعد غريب الأطوار ، ناعم نوع الاتصال العروة عملية مفتاح الربط   تعمل كود التصميم واجهة برمجة تطبيقات   609 وجها لوجه Asmeb16.10 نهاية الاتصال Asmeb16.5 اختبار & أمبير ؛   تفتيش واجهة برمجة تطبيقات   598 مواد الجسم غير القابل للصدأ   الفولاذ cf8m نطاق درجة حرارة -29 ℃ ~ + 150 ℃ تطبيق ماء،   النفط والغاز البعد الفئة 150 د مم 40 50 65 80 100 125 150 200 250 300 350 400 NPS في 1 1/2 2 2 1/2 3 4 5 6 8 10 12 14 16 ل مم & emsp؛ & emsp؛ & emsp؛ 127 127 127 127 152 203.2 203.2 203.2 203.2 في & emsp؛ & emsp؛ & emsp؛ 5 5 5 5 6 8 8 8 8 ل 1 مم 38.1 46 50.8 48 54 63.5 57 63.5 71.5 81 92 101.5 في 1.5 1.81 2 1.88 2.13 2.5 2.25 2.5 2.81 3.19 3.62 4 ح مم 185 190 220 229 239 252 284 307 337 392 435 481 في 7328 7.48 8.7 9 9.4 9.9 11.2 12 13.3 15.4 17.1 19 د (ث) مم 160 160 160 160 160 160 160 200 200 250 250 300 في 6.3 6.3 6.3 6.3 6.3 6.3 6.3 7.9 7.9 9.8 9.8 11.8 الوزن (كجم) مم & emsp؛ & emsp؛ & emsp؛ 12.5 13.5 17 38 72 105 148 182 230 في 8 9 10 10 11 14.5 34.2 66 98 134 168 200 المعرفة ذات الصلة ما هو صمام الفراشة عالي الأداء؟ غالبًا ما يتم تصميم صمام الفراشة عالي الأداء بمقعد مزدوج ومقعد ptfe ، للتعامل مع كل شيء من التطبيقات العامة إلى السوائل اللزجة والتآكل ؛ الغازات المسببة للتآكل والبخار. مقارنة بصمام فراشة المقعد المرن المركز ، يتم ترتيب قرص صمام الفراشة عالي الأداء ووضعه بعيدًا عن مركز تجويف الأنبوب ، مما قد يقلل من التآكل والتمزق في الصمام أثناء التشغيل ويزيد من أداء الختم. في الختام ، صمام الفراشة عالي الأداء قابل للتطبيق على الضغط العالي وتطبيقات درجة الحرارة. في غضون ذلك ، لديها دورة حياة أطول وقدرة أفضل على الختم.

صمام فراشة عالي الأداء
عالية الأداء صمام فراشة نوع العروة والعتاد تعمل wcb

تم تصميم صمام الفراشة عالي الأداء بهيكل غريب الأطوار أو إزاحة مزدوج. الصمام يلقي الجسم wcb الصلب ، القرص الصلب المقاوم للصدأ والجذع جنبا إلى جنب مع مقعد لينة rptfe. تفاصيل سريعة نوع فراشة   صمام الحجم الاسمي 6 بوصة اسمى، صورى شكلى، بالاسم فقط   الضغط الفئة 150 بناء تعويض مزدوج ،   مقعد مزدوج غريب الأطوار ، ناعم الإتصال   نوع نوع العروة عملية تعمل معدات كود التصميم api 609 وجها لوجه Asme b16.10 نهاية الاتصال Asme 16.5 اختبار & أمبير ؛   تفتيش api 598 مواد الجسم يلقي الصلب wcb تقليم المواد قرص cf8m ،   17-4ph الجذعية ، مقعد rptfe تطبيق الماء والنفط   غاز تقرير التفتيش في Dervos

خمسة آلاف ومائتان واحد
150 رطل عالية الأداء المزدوج تعويض صمام فراشة رقاقة

3 بوصة 150 رطل فراشة صمام مزدوج-تعويض القرص التصميم الذي يسمح القرص لنقل قبالة مقر الحد من تشغيل عزم الدوران مقعد ارتداء. رقاقة صمام نوع يمكن أن تكون مدفوعة من قبل علبة التروس عقارب أو الكهربائية والهوائية أو المحرك الهيدروليكي.

صمام فراشة
12 "300LB عالية الأداء صمام فراشة غريب الأطوار مزدوج API609

تم تصنيع صمام الفراشة 12 "300LB وفقًا لمعيار API 609. جسم الصمام مصنوع من WCB. له الخصائص الهيكلية للأداء العالي والمزدوج اللامركزي.تشغيله هو تشغيل التوربينات والتعبئة من الجرافيت.

صمام الفراشة المعدني ذو المقعد الثلاثي C95500
صمام فراشة توربيني ثلاثي الإزاحة بمقعد معدني DN900 150LB C95500

صمام الفراشة المعدني ثلاثي الإزاحة DN900 150LB مصنوع وفقًا لمعيار API609. جسم الصمام مصنوع من مادة C95500. يتميز بخصائص هيكلية ثلاثية الإزاحة، ثنائية الاتجاه، متساوية الضغط، خالية من التسرب. طريقة توصيله هي شفة مزدوجة FF، ويعمل بنظام توربيني.

صمام فراشة عالي الأداء
عالية الأداء صمام فراشة نوع العروة والعتاد تعمل wcb

تم تصميم صمام الفراشة عالي الأداء بهيكل غريب الأطوار أو إزاحة مزدوج. الصمام يلقي الجسم wcb الصلب ، القرص الصلب المقاوم للصدأ والجذع جنبا إلى جنب مع مقعد لينة rptfe. تفاصيل سريعة نوع فراشة   صمام الحجم الاسمي 6 بوصة اسمى، صورى شكلى، بالاسم فقط   الضغط الفئة 150 بناء تعويض مزدوج ،   مقعد مزدوج غريب الأطوار ، ناعم الإتصال   نوع نوع العروة عملية تعمل معدات كود التصميم api 609 وجها لوجه Asme b16.10 نهاية الاتصال Asme 16.5 اختبار & أمبير ؛   تفتيش api 598 مواد الجسم يلقي الصلب wcb تقليم المواد قرص cf8m ،   17-4ph الجذعية ، مقعد rptfe تطبيق الماء والنفط   غاز تقرير التفتيش في Dervos

مصفاة
مصفاة من النوع Y مقاس 6 بوصات سعة 150 رطلًا، وصلة RF، والجسم CF8، ASME B16.34

يتم تصنيع المصفاة من النوع 6 "150LB y وفقًا لذلك لمعيار ASME B16.34. جسم الصمام مصنوع من ASTM A351 CF8. لديها الخصائص الهيكلية للوصلة المثبتة بغطاء الجسم على شكل حرف Y. اتصالها الوضع هو الترددات اللاسلكية.

صمام فحص الرقاقة
صمام فحص الويفر ثنائي اللوحة مقاس 16 بوصة CL150 CF8M API594

تم تصنيع صمام الرجوع CL150 مقاس 16 بوصة وفقًا لمعيار API594. جسم الصمام مصنوع من A351 CF8M. إنه يتميز بالخصائص الهيكلية للوحة المزدوجة. وضع الاتصال الخاص به هو رقاقة.

صمام بوابة حديد الدكتايل
DN450 PN16 صمام البوابة الحديدية الدكتايل GGG50 RF DIN

يتم تصنيع صمام البوابة الحديدي الدكتايل DN450 PN16 وفقًا لمعيار DIN. جسم الصمام مصنوع من GGG50. إنه يتميز بالخصائص الهيكلية للصمام الناعم لمياه الشرب F4، والطول الهيكلي330 ملم. وضع الاتصال الخاص به هو RF. ولهاوضع تشغيل عجلة اليد.

فحص الصمام
صمام فحص سوينغ فولاذي مزور API 602 1 بوصة CL150 RF

يحتوي صمام فحص التأرجح 1 بوصة على غطاء محرك مثبت بمسامير ونهاية شفة RF . تم تصميم صمام فحص التأرجح الفولاذي المطروق بتجويف مخفض وفقًا لمعيار API 602 . يمكن أن تقوم dervos أيضًا بتخصيص الخدمة وفقًا لطلبات العملاء على الأحجام , تقييمات التصميم , المواد , والمعايير وما إلى ذلك .

صمام كروي من الفولاذ المطروق
صمام كروي من الفولاذ المطاوع DN25 PN160 A105N+STL EN1092-1 D

صمام كروي من الفولاذ المُشكَّل DN25 PN160 مُصنَّع وفقًا للمعيار BS 5352. جسم الصمام مصنوع من مادة A105N+STL. يتميز بغطاء مُثبَّت بمسامير. وضع توصيله هو EN1092-1 D، ويعمل بعجلة يدوية.

صمام الاختيار البديل
6 "1500LB المصبوب الصلب البديل صمام الاختيار WCB API6D BW

تم تصنيع صمام عدم رجوع 6 "1500LB وفقًا لمعيار API 6D. جسم الصمام مصنوع من WCB. له الخصائص الهيكلية لنوع التأرجح. ولديه وضع اتصال BW.

اترك رسالة

    إذا كنت مهتما في منتجاتنا و تريد أن تعرف المزيد من التفاصيل,يرجى ترك رسالة هنا وسوف نقوم بالرد عليك بأسرع ما يمكن.

الصفحة الرئيسية

منتجات

حول

اتصل