العربية

العربية

Get a Quote
منتجات

منتوجات جديدة

أخبار الشركة

Differences Between Wide-Body and Single-Piece Ball Valves
Differences Between Wide-Body and Single-Piece Ball Valves
2026-02-06

Wide-body ball valves and single-piece ball valves are both types of ball valves used for controlling the on/off flow of medium in pipelines.   Both wide-body and single-piece ball valves feature a one-piece (integral) body design, unlike split-body designs. This differs from two-piece and three-piece ball valves, which have segmented valve bodies.   For internally threaded wide-body ball valves, the valve body is made from round or hexagonal stock, using either bar material or forged components. The ball core features a reduced-diameter design and is inserted from one side of the valve body. The stem uses an internal anti-blowout structure. Flat surfaces are machined on both the inlet and outlet sides of the body to facilitate assembly of the ball valve and allow the use of wrenches during pipeline installation.   In wide-body ball valves, the stem stuffing box is relatively shallow, and the internal packing volume is limited, resulting in a moderate sealing performance of the stem. Therefore, these valves are more suitable for low-pressure medium applications. In contrast, two-piece and three-piece ball valves feature stem stuffing box structures that provide reliable sealing for high-pressure medium applications.   The structure of flanged wide-body ball valves is essentially the same as that of internally threaded wide-body ball valves. Typically, the flange is connected to the intermediate valve body via threaded fasteners, although some designs utilize a forged one-piece structure.   Externally threaded wide-body ball valves can use a union-type structure, where the union is directly welded to the pipeline and connects to the external threads on the valve body. This design allows for easy disassembly and reassembly during valve maintenance or replacement without requiring separate unions on the pipeline.   The valve bodies of single-piece internally threaded ball valves and single-piece flanged ball valves are manufactured using casting processes, with the ball core featuring a reduced-diameter design. The stem uses an internal anti-blowout structure. The inlet and outlet ends of single-piece internally threaded ball valves have a hexagonal shape, similar to conventional internally threaded valves, to facilitate wrench operation and secure installation.   In single-piece flanged ball valves, the flange and valve body are cast as a single unit, eliminating the need to machine and assemble the flange separately as in wide-body flanged ball valves. This approach reduces cost and simplifies the manufacturing process.   Single-piece wafer-style ball valves have a shorter valve body length, making them more suitable for pipelines with limited space.   Wide-body and single-piece ball valves both use a reduced-diameter ball design, resulting in higher flow resistance compared with two-piece and three-piece ball valves. The main differences are as follows:   Valve Body Manufacturing Process ● Wide-bo...

تصميم صمام البوابة الإسفيني ومبدأ منع التسرب
تصميم صمام البوابة الإسفيني ومبدأ منع التسرب
2026-01-30

في صمام البوابة الإسفيني، تكون أسطح منع التسرب على شكل إسفين، وتشكل زاوية محددة بالنسبة لمحور البوابة. يدفع ساق الصمام البوابة إلى الأسفل لإغلاقها. ومع ازدياد قوة دفع الساق، تزداد القوة العمودية المؤثرة على أسطح منع التسرب الإسفينية، مما يُحدث تأثير إحكام قسري. يُحسّن هذا التصميم أداء منع التسرب بشكل ملحوظ في ظروف الضغط المنخفض. أثناء الفتح، تنفصل أسطح منع التسرب للبوابة عن المقعد على الفور، مما يساعد على تقليل التآكل على أسطح منع التسرب ويطيل عمر خدمة الصمام. المعايير المطبقة لـ صمامات البوابة الإسفينية تُصنع صمامات البوابة الإسفينية عادةً وفقًا للمعايير التالية: ● GB/T 12234-2019 – صمامات بوابة فولاذية ذات غطاء مثبت بمسامير لصناعات البترول والغاز الطبيعي ● GB/T 12232-2005 – صمامات بوابة من الحديد الزهر ذات حواف للأغراض العامة ● معيار API 600 (2015) – الفولاذ صمام بوابة صناعات البترول والغاز الطبيعي أنواع صمامات البوابة الإسفينية تتوفر صمامات البوابة الإسفينية عادةً بثلاثة تكوينات للبوابة: بوابة إسفينية صلبة، بوابة إسفينية مرنة، بوابة إسفينية مزدوجة. تعتمد البوابة المرنة ذات الشكل الإسفيني والبوابة المزدوجة ذات الشكل الإسفيني على تشوه مُتحكم به لأسطح منع التسرب لتحقيق تلامس أفضل مع مقعد الصمام. يُعزز هذا التصميم موثوقية منع التسرب ويمنع بشكل فعال انحشار البوابة أو تعطلها الناتج عن تغيرات درجة الحرارة، مما يضمن التشغيل السلس حتى في ظل ظروف حرارية متقلبة. تصميم صمام البوابة المنزلقة المتوازية ومبدأ منع التسرب في صمام البوابة المنزلقة المتوازية، تكون أسطح منع التسرب عند طرفي مدخل ومخرج البوابة موازية لمحورها المركزي. في الصمامات أحادية البوابة، يتم منع التسرب بشكل أساسي عن طريق دفع الوسيط للبوابة أو المقعد العائم إلى موضعه. أما في الصمامات ثنائية البوابة، فيمكن منع التسرب باستخدام نوابض أو آلية تمدد بين البوابتين. وخلال عمليتي الفتح والإغلاق، تبقى أسطح منع التسرب للبوابة والمقعد على اتصال دائم، مما يضمن منع تسرب موثوق. المعايير المطبقة على صمامات البوابة المنزلقة المتوازية تشمل المعايير الشائعة لصمامات البوابة المنزلقة المتوازية ما يلي: ● GB/T 23300-2009 – صمامات البوابة المنزلقة المتوازية ● JB/T 5298-2016 – صمامات بوابة منزلقة متوازية فولاذية لخطوط الأنابيب ● معيار API 6D – صمامات خطوط الأنابيب لصناعات البترول والغاز الطبيعي أنواع وميزات صمامات البوابة المنزلقة المتوازية تتوفر صمامات البوابة المنزلقة المتوازية بتكوينات أحادية البوابة وثنائية البوابة. ● قد تحتوي البوابات على فتحات لتدفق المياه أو تكون مصمتة. تتوافق البوابات ذات فتحات تدفق المياه مع القطر الداخلي للمقعد، مما يسهل تنظيف وتصريف خط الأنابيب. ● يمكن ضبط نظام منع التسرب عند طرف المدخل أو طرف المخرج أو عند كلا الطرفين، وذلك حسب متطلبات التطبيق. يضمن هذا التصميم المرونة في ترتيبات منع التسرب مع الحفاظ على التشغيل الموثوق به أثناء الخدمة. مقارنة بين الاثنين 1. المعايير المطبقة يتم تصنيع صمامات البوابة الإسفينية وصمامات البوابة المنزلقة المتوازية وفقًا لمعايير صناعية مختلفة. 2. هندسة البوابات تتميز صمامات البوابة الإسفينية ببوابة على شكل إسفين. تحتوي صمامات البوابة المنزلقة المتوازية على بوابة مسطحة، والتي قد تتضمن فتحات للتدفق لتسهيل عملية التنظيف بالخنادق أو تنظيف خطوط الأنابيب. 3. متطلبات عزم دوران ساق المقود تعتمد صمامات البوابة الإسفينية على قوة دفع ساق الصمام لأسفل لدفع البوابة الإسفين...

تحليل أسباب تلف سطح منع التسرب للصمامات
تحليل أسباب تلف سطح منع التسرب للصمامات
2026-01-23

عادةً ما ينتج تلف أسطح منع التسرب في الصمامات عن عدة عوامل، منها اختيار المواد، وظروف التشغيل، وممارسات التشغيل، والصيانة. فيما يلي ملخص مُصنّف لأكثر الأسباب شيوعًا: 1. التلف الميكانيكي ● ارتدِ: تؤدي الجسيمات الصلبة الموجودة في الوسط (مثل الرمل أو خبث اللحام) إلى تآكل سطح الختم، مما ينتج عنه خدوش أو أخاديد. ● الاحتكاك الكاشط : التآكل الاحتكاكي الناتج عن الحركة النسبية لأسطح منع التسرب أثناء صمام الفتح والإغلاق، وخاصة في أزواج الإحكام المعدنية. ● أضرار الاصطدام: تشوه سطح الختم الناتج عن اصطدام السوائل عالية السرعة أو الفتح والإغلاق السريع للصمام، مما يؤدي إلى تحميل الصدمات. 2. التآكل الكيميائي ● تآكل الوسائط: تهاجم الوسائط الحمضية أو القلوية أو المؤكسدة مادة سطح الختم بشكل مباشر، مثل تآكل المعادن الناتج عن أيونات كبريتيد الهيدروجين أو الكلوريد. ● التآكل الكهروكيميائي : عندما تتعرض أزواج الإحكام المصنوعة من معادن مختلفة للإلكتروليت، قد يحدث التآكل الجلفاني بسبب تكوين الخلية الكهروكيميائية. ● التآكل والتآكل: يؤدي التأثير المشترك للوسائط المسببة للتآكل والتدفق عالي السرعة إلى تسريع فقدان المواد على سطح الختم. 3. التلف الحراري ●الإجهاد الحراري: تؤدي التقلبات المتكررة في درجة الحرارة إلى تمدد وانكماش حراري متكرر لسطح الختم، مما يؤدي إلى التشقق أو التشوه. ● الأكسدة في درجات الحرارة العالية: عند درجات الحرارة المرتفعة، قد يتعرض سطح الختم للأكسدة أو التصلب أو الاحتراق، كما هو شائع في تطبيقات صمامات البخار. ●الصدمة الحرارية: يمكن أن يؤدي التعرض المفاجئ لوسائط ذات درجات حرارة عالية أو منخفضة إلى تشقق سطح الختم، كما هو الحال أثناء التكثيف السريع أو دخول الوسائط الباردة. 4. التركيب والتشغيل غير السليمين ● عدم محاذاة التركيب: قد يؤدي تركيب الصمامات بشكل غير صحيح أو الإجهاد المفرط للأنابيب إلى تحميل غير متساوٍ على أسطح منع التسرب. ● الإفراط في الشد: قد يؤدي التحميل المسبق المفرط المطبق على ساق الصمام أو البراغي إلى سحق أو تشويه سطح منع التسرب، خاصة في الصمامات ذات المقاعد اللينة أو الحشيات المانعة للتسرب اللينة. ● عملية تشغيل خشنة: يمكن أن يتسبب الفتح والإغلاق السريع أو قوة التشغيل المفرطة في حدوث أضرار ناتجة عن الصدمات لأسطح منع التسرب. 5. عيوب المواد ● اختيار المواد بشكل غير مناسب: تفتقر مادة سطح الختم إلى مقاومة كافية لوسائط المعالجة أو درجات الحرارة العالية أو التآكل، مثل استخدام الفولاذ الكربوني في الخدمة الحمضية. ● عيوب التصنيع: تؤدي العيوب في طبقة التغطية الصلبة أو الطبقة العلوية، بما في ذلك المسامية أو شوائب الخبث أو المعالجة الحرارية غير السليمة، إلى تقليل مقاومة التآكل وأداء منع التسرب بشكل عام. 6. ظروف التشغيل غير الطبيعية ●التجويف / الوميض: تؤدي تقلبات الضغط في السائل إلى توليد فقاعات بخار تنهار وتؤثر على سطح الختم، وهي ظاهرة شائعة في الصمامات المثبتة في اتجاه مجرى المضخات. ●التكلس / الترسيب: تتراكم الشوائب الموجودة في الوسط على سطح الختم، مما يعيق الإغلاق المحكم، مثل ترسبات الكالسيوم أو رواسب البوليمر. 7. الصيانة غير الكافية ● نقص التشحيم: التصلب أو زيادة الاحتكاك صمام تمنع مكونات الجذع أو المحرك التلامس الصحيح لأسطح منع التسرب. ● عدم إجراء فحص دوري: لا يتم اكتشاف الأضرار الطفيفة أو معالجتها في الوقت المناسب، مما يسمح لها بالانتشار إلى فشل واسع النطاق في سطح الختم. ● التنظيف غير السليم: تتسبب المواد الغريبة التي تترك وراءها أثناء الصيانة، مثل الخدو...

صمام فحص رقاقة مزدوج اللوحة
加载中...

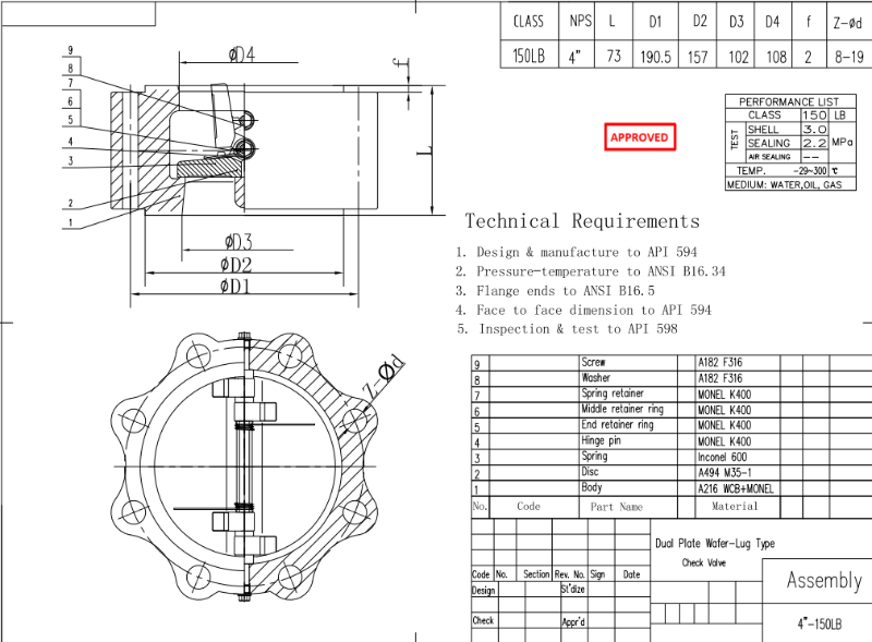
صمام فحص رقاقة ثنائي اللوحة CL150 مقاس 4 بوصات من WCB

صمام الفحص CL150 ثنائي الصفائح، مقاس 4 بوصات، مصنوع وفقًا لمعيار API 598. جسم الصمام مصنوع من A216 WCB+MONEL. يتميز بخصائص هيكلية مزدوجة الصفائح. طريقة توصيله هي LUG.

  • دفع:

    30% when order confirmed, 70% before shipment
  • أصل المنتج:

    china
  • اللون:

    Customization
  • ميناء الشحن:

    Shanghai, China
  • المهلة:

    30~60 days Ex Works after order confirmation
  • Material:

    ASTM A105N
الاستفسار الآن
تفاصيل المنتج

يكتب

صمام فحص من نوع رقاقة مزدوجة اللوحة

مقاس

4 بوصة

ضغط

CL150

اتصال

لوج

مادة الجسم

ASTM A105N

معيار التصميم

API 594

وجها لوجه

API 594

إنهاء الاتصال

ANSI B16.5

الضغط-درجة الحرارة

ANSI B16.34

رمز الاختبار والتفتيش

API 598

درجة حرارة

-29 ~ 300 درجة مئوية

الوسيلة المناسبة

المياه والنفط والغاز

سمات

1. مصنوع من الفولاذ المصبوب WCB، مما يوفر القوة والمتانة لأنظمة الضغط CL150.

2. يضمن تصميم الرقاقة المزدوجة مع أطراف LUG التركيب المدمج ومنع التدفق العكسي بشكل موثوق.

الرسم الفني

LUG Dual Plate Wafer Check Valve

فحص الأبعاد

 Dual Plate Wafer Check Valve

اختبار الضغط

 Dual Plate Wafer Check Valve

تلوين

 Dual Plate Wafer Check Valve

تقرير التفتيش

 Dual Plate Wafer Check Valve

 Dual Plate Wafer Check Valve

 Dual Plate Wafer Check Valve

 Dual Plate Wafer Check Valve

اترك رسالة

إذا كنت مهتما في منتجاتنا و تريد أن تعرف المزيد من التفاصيل,يرجى ترك رسالة هنا وسوف نقوم بالرد عليك بأسرع ما يمكن.

منتجات ذات صله
صمام فحص العروة مزدوج القرص 150 رطل
ss دوبلكس تحقق صمام نوع العروة لوحة مزدوجة 8 بوصة فئة 150

صمام 8 بوصة 150 رطل مزدوج القرص عدم الرجوع ، مصمم لكل واجهة برمجة تطبيقات 594 ، لديه لوحة مزدوجة ووصلة العروة. يتكون صمام الاختيار المزدوج بدون لوحة من الفولاذ المقاوم للصدأ المزدوجة 4a كجسمه ومواده. تفاصيل سريعة نوع التحقق من   صمام بحجم 8 " ضغط التصميم صف دراسي   150 اعمال بناء مزدوج   نوع اللوحة ، بدون حافظة الإتصال نوع العروة تصميم & أمبير ؛ صناعة واجهة برمجة تطبيقات   594 من النهاية إلى النهاية اسمى   ب 16.10 الإتصال اسمى   ب 16.5 الضغط & أمبير ؛   مؤقت اسمى   ب 16.34 اختبار & أمبير ؛   تفتيش واجهة برمجة تطبيقات   598 مواد الجسم الازدواج   الفولاذ المقاوم للصدأ 4a تقليم المواد الازدواج   الفولاذ المقاوم للصدأ وسائل الإعلام w.o.g. ميزة التصميم 1. البؤرة وجها لوجه 2. صغيرة الحجم وخفيفة الوزن 3.قريب من القرص مع مطرقة المياه الصغيرة 4. مثبتة عموديا أو أفقيا 5. ممر تدفق سلس مع مقاومة تدفق صغيرة 6. دورة حياة طويلة وموثوقية عالية

6 بوصة صمام الاختيار المزدوج
صمام الاختيار ويفر البرونزية c95800 قرص مزدوج 6 بوصة

تم تصميم صمام فحص الرقاقة المزدوجة وفقًا لـ api 594 واختبارها لكل api 598. صمام عدم الرجوع البرونزي ينطبق على مياه البحر. تفاصيل سريعة نوع التحقق من   صمام بحجم 6 " ضغط التصميم صف دراسي   150 اعمال بناء مزدوج   نوع اللوحة ، مع التجنيب الإتصال رقاقة   نوع تصميم & أمبير ؛ صناعة واجهة برمجة تطبيقات   594 من النهاية إلى النهاية اسمى   ب 16.10 الإتصال اسمى   ب 16.5 الضغط & أمبير ؛   مؤقت اسمى   ب 16.34 اختبار & أمبير ؛   تفتيش واجهة برمجة تطبيقات   598 مواد الجسم الألومنيوم   البرونزية c95800 تقليم المواد الألومنيوم   البرونزية c95800 وسائل الإعلام w.o.g. فحص الأوردة بعد تركيب الصمام جودة الصمام هي واحدة من وجهات النظر التي نهتم بها أكثر. في dervos ، تبدأ مراقبة الجودة من المواد الخام ، والقطع ، والتجميع إلى التفتيش قبل الشحن. بعد التجميع ، سيقوم فريق فحص الجودة بإجراء فحص بصري وفحص الأبعاد والاختبار الهيدروليكي واختبار الهواء. يجب أن يجتاز كل طلب الاختبار وفقًا لمعايير الفحص. وإلا لن يقوم فريق فحص الجودة لدينا بإطلاق الشحنة. تقارير التفتيش يمكن استخدام المستندات لإثبات كيفية التحكم في جودة الصمام. جنبا إلى جنب مع كل طلب ، سيقدم Dervos للعملاء تقرير فحص & أمبير ؛ تقرير اختبار مطحنة 3.1 مجانًا. في تقرير فحص dervos ، سترى النتائج الفعلية للتحقق من البعد واختبار الضغط إلى جانب صورة الطلاء والتعبئة. يتم عرض جميع هذه المعلومات من خلال البيانات والصور الواضحة. في تقرير اختبار المطحنة 3.1 ، سوف نعرض لك التركيب الكيميائي والخصائص الميكانيكية ورقم الحرارة لجسم الصمام وغطاء المحرك والجذع والقرص وما إلى ذلك.

صمام فحص القرص المزدوج
dn3202 صمام الاختيار المزدوج للقرص pn25 dn100 cf8

إن صمام الفحص مزدوج القرص ، المصنوع من الفولاذ المقاوم للصدأ cf8 ، يتمتع بمقاومة ممتازة للتآكل. تم تصميمه وفقًا للمعيار 3202 ، وصمام الفحص على وشك الاتصال بالمواسير باستخدام الرقاقة. تفاصيل سريعة نوع فحص الصمام القطر الاسمي dn100 الضغط الاسمي ص 25 اعمال بناء قرص مزدوج / لوحة مزدوجة الإتصال نوع الرقاقة تصميم & أمبير ؛ صناعة الدين 3202 من النهاية إلى النهاية الدين 3202 بعد نهاية شفة الدين 2401 اختبار & أمبير ؛ تفتيش api 598 نطاق درجة حرارة -29 ℃ ~ + 425 ℃ مواد الجسم a351 cf8 مادة إسفين a351 cf8 وسائل الإعلام w.o.g. تغليف ديرفوس التعبئة الجيدة تعني الانطباع الأول الجيد. تخيل فقط كيف تشعر بشكل مختلف عند رؤية صندوقين أدناه؟ وسوف تعرف السبب الذي يجعلنا نقدر التعبئة والتغليف في Dervos. في dervos ، نتأكد- 1. كل صمام نظيف وجاف. ماذا نفعل؟ تنظيف الصمام قبل التعبئة - إضافة زيت مقاوم للصدأ -إضافة غطاء شفة 2. عدم وجود صمامات داماجيتو في التسليم. كيف يمكننا تحقيق ذلك؟ -تثبيت الصمام بأسلاك الحديد - فصل الصمام بمادة ناعمة طبقة الصمام مع الخشب الرقائقي 3. مربع قوي وعلامة الشحن واضحة

خمسة آلاف ومائتان واحد
صمام فحص نوع الويفر بدون صمامات مقاس 6 بوصات 900 رطل

صمام فحص البسكويت 6 بوصات متوافق تمامًا مع api 594. مادة الجسم lcc تتأكد من أن الصمام من نوع العروة قادر على التعامل مع البيئة القاسية ، ويعد الربيع inconel-x 750 الصمام بفترة خدمة طويلة.

خمسة آلاف ومائتان واحد
dn250 10k صمام فحص بسكويت ويفر مزدوج اللوحة 594

يتميز صمام فحص القرص المزدوج ، المصنوع من a395 d1 ، بمقاومة ممتازة للتآكل. مصمم وفقًا للمواصفة api594 ، يتم توصيل صمام الفحص بالأنابيب ذات الرقاقة. هذا الصمام مؤهل ليتم وضعه في ظروف العمل البحرية.

خمسة آلاف ومائتان واحد
API594 لوحة مزدوجة صمام فحص بسكويت ويفر WCB 300 رطل

ال 10 بوصة لوحة مزدوجة صمام فحص الرقاقة مصنوع من WCB وهو مؤهل للضغط عليه حتى 30 رطل. الكل Dervos يتم اختبار صمامات الفحص لـ API 598 ويجب أن تفي أو تتجاوز كل API ، ANSI و ASTM المعايير.

خمسة آلاف ومائتان واحد
صمام فحص رقاقة ذو لوحة واحدة din DN80 PN40

ال قرص واحد صمام فحص مصنوع من CF8 يتمتع بمقاومة ممتازة للتآكل. تم تصميمه وفقًا مع API594 ، الصمام من نوع رقاقة.

فحص الصمام
صمام فحص بسكويت الويفر أحادي القرص 6 بوصة 150 رطل

صمام فحص بسكويت الويفر أحادي القرص مقاس 6 بوصات 150 رطلًا , مصمم وفقًا لمعيار API 594 , يحتوي على قرص واحد ووصلة رقاقة . سيكون لديه أفضل أداء تحت -29 إلى 350 درجة مئوية .

صمام فحص الرقاقة
3 "150LB المزدوج لوحة ويفر فحص الصمام API594 A995 5A

صمام فحص بسكويت الويفر 3 "150LB مصنوع وفقًا لمعيار API594 ، جسم الصمام مصنوع من A995 5A ، يتميز بالخصائص الهيكلية للنوع المدمج واللوحة المزدوجة ، وضع التوصيل هو نوع الرقاقة.

صمام فحص الرقاقة
CF8M 20 "150LB صمام فحص رقاقة مزدوج اللوحة API594

20 "صمام فحص بسكويت ويفر 150LB مصنوع وفقًا لمعيار API594 ، جسم الصمام مصنوع من A351 CF8M ، وله لوحة مزدوجة وميزات هيكلية من النوع المدمج ، وضع الاتصال هو Wafer RF.

صمام فحص الرقاقة
20 "300LB المزدوج لوحة ويفر فحص الصمام WCB API 594

صمام فحص بسكويت الويفر مقاس 20 "300LB مصنوع وفقًا لمعيار API 594. جسم الصمام مصنوع من WCB. يتميز بالخصائص الهيكلية للوحة المزدوجة والنوع المدمج. وضع التوصيل هو نوع رقاقة.

اترك رسالة

    إذا كنت مهتما في منتجاتنا و تريد أن تعرف المزيد من التفاصيل,يرجى ترك رسالة هنا وسوف نقوم بالرد عليك بأسرع ما يمكن.

الصفحة الرئيسية

منتجات

حول

اتصل