العربية

العربية

Get a Quote
منتجات

منتوجات جديدة

أخبار الشركة

هل يمكن لصمامات الخطوط العمياء التعامل مع تطبيقات البخار ذات درجات الحرارة العالية؟
هل يمكن لصمامات الخطوط العمياء التعامل مع تطبيقات البخار ذات درجات الحرارة العالية؟
2026-03-19

حديثاً، صمام ديرفوس ساعدت عميلاً في المجر على التغلب على تحدٍ شائع في أنظمة البخار الصناعية: كيفية عزل خطوط الأنابيب ذات درجات الحرارة العالية بأمان دون حدوث تسرب أو توقف. نظراً لتشغيل النظام ببخار مشبع عند درجة حرارة تقارب 250 درجة مئوية، وتعرضه لدرجات حرارة منخفضة تصل إلى -39 درجة مئوية، فقد تطلب نظام العميل حلاً متيناً وموثوقاً. غالباً ما تفشل الصمامات التقليدية في الحفاظ على إحكام الإغلاق في مثل هذه الظروف، كما تتطلب طرق العزل التقليدية تخفيض ضغط الخط، مما يزيد من وقت التوقف ومخاطر التشغيل. ولمعالجة هذه التحديات، قامت شركة ديرفوس بتوريد DN400 PN40 صمام خطي منزلق مغلق صُممت هذه الصمامات خصيصاً لتناسب الظروف القاسية للمشروع. وتتيح آلية الإغلاق المنزلقة للمشغلين التبديل بين وضعيتي التدفق والعزل دون الحاجة إلى تفريغ ضغط النظام، مما يعزز السلامة والكفاءة أثناء الصيانة. مصنوع من فولاذ 20GML المطروق وهيكل مانع للتسرب من الفولاذ المقاوم للصدأ المعدني، صمام يُقدّم أداءً موثوقًا به في كلٍّ من البخار ذي درجات الحرارة العالية والظروف المناخية الخارجية القاسية. يُقلّل تصميمه ذو الفتحة الكاملة من مقاومة التدفق، بينما يضمن المُشغّل اليدوي ذو التروس الدودية تشغيلًا سلسًا ومُتحكّمًا به حتى في الأحجام الكبيرة ومعدلات الضغط العالية. كما تُقلّل ميزات السلامة، مثل أجهزة منع التشغيل الخاطئ وهياكل الألواح الواقية، من مخاطر الأخطاء أثناء المناولة. منذ تركيبه، مكّن الصمام من التشغيل الخالي من التسريبات، وإجراءات الصيانة الأكثر أمانًا، والأداء المستقر في درجات الحرارة القصوى. صُمم الصمام ليدوم لأكثر من 30 عامًا، مما يوفر حلاً طويل الأمد قليل الصيانة، ويمنح العميل الثقة في موثوقية نظام البخار وسلامته. يسلط هذا المشروع الضوء على كيفية تمكن صمام الخط المنزلق المصمم بعناية من حل تحديات العزل الحرجة في تطبيقات البخار ذات درجات الحرارة العالية، حيث يج

هل صمامات البوابة ذات منفذ كامل؟
هل صمامات البوابة ذات منفذ كامل؟
2026-03-13

في أنظمة الأنابيب الصناعية، تُعتبر صمامات البوابة عمومًا صمامات عزل منخفضة المقاومة. عندما يكون الصمام مفتوحًا بالكامل، تُسحب البوابة تمامًا من مسار التدفق، مما يسمح للسائل بالمرور بأقل قدر من العوائق. ومع ذلك، من منظور هندسي دقيق، لا تُصنف جميع صمامات البوابة على أنها صمامات كاملة الفتح. إذا كان قطر فتحة المقعد مساويًا أو قريبًا جدًا من القطر الداخلي للأنبوب، فإن التدفق لا يواجه مقاومة تُذكر. في هذه الحالة، يمكن اعتبار الصمام مفتوحًا بالكامل (أو شبه مفتوح بالكامل). يُستخدم هذا التصميم عادةً في أنابيب النفط والغاز، وأنظمة نقل المياه، وغيرها من التطبيقات التي تتطلب انخفاضًا طفيفًا في الضغط. إذا كان قطر فتحة المقعد أصغر قليلاً من القطر الداخلي للأنبوب، فسيحدث تقييد طفيف في التدفق داخل الصمام. في مثل هذه الحالات، يُوصف الصمام بدقة أكبر بأنه ذو فتحة مخفضة. هذا التصميم أكثر شيوعًا في الأحجام الصغيرة أو لتحقيق التكلفة المثلى. صمام تصاميم. في الممارسة الهندسية، يمكن تطبيق منطق اختيار بسيط: ● إذا كان النظام يتطلب الحد الأدنى من مقاومة التدفق أو تنظيف الأنابيب، فيجب أن يتطابق قطر فتحة الصمام مع قطر خط الأنابيب. ● إذا تم استخدام الصمام لأغراض العزل العامة، فإن معظم صمامات البوابة القياسية يمكنها بالفعل تلبية سعة التدفق المطلوبة. لذلك، يمكن استخلاص استنتاج موجز: عادة ما تكون صمامات البوابة قريبة من تصميمات الفتحة الكاملة، ولكن ما إذا كانت ذات فتحة كاملة حقًا يعتمد على ما إذا كانت فتحة المقعد تساوي القطر الداخلي لخط الأنابيب. ضمان الجودة س1: هل صمامات البوابة مفتوحة بالكامل دائمًا؟ ليس بالضرورة. إذا كان قطر فتحة المقعد مساوياً للقطر الداخلي للأنبوب، فيمكن اعتبار الصمام كامل الفتحة. أما إذا كان أصغر قليلاً، فيُصنف على أنه ذو فتحة مخفضة. س2: لماذا تفعل صمام بوابة هل تتمتع بمقاومة تدفق منخفضة نسبيًا؟ عندما يكون الصمام مفتوحًا بالكامل، تت

تركيب صمامات كروية ذات قطر كبير
تركيب صمامات كروية ذات قطر كبير
2026-03-09

قطر كبير صمام كروي تُستخدم هذه الأنظمة على نطاق واسع في صناعات مثل معالجة البترول والمواد الكيميائية، وتوليد الطاقة، ونقل المياه عبر خطوط الأنابيب لمسافات طويلة، وأنظمة معالجة المياه واسعة النطاق. وإذا لم يتم تركيبها بشكل صحيح، فقد يؤدي ذلك إلى تسرب في نظام منع التسرب، أو تعطل الصمامات، أو تلف في الهيكل نتيجة الإجهاد. لذا، فإن اتباع ممارسات التركيب السليمة ضروري لضمان التشغيل المستقر على المدى الطويل. 1. فحص ما قبل التركيب إذا لم يكن فحص ما قبل التركيب كافيًا، فمن المرجح حدوث أعطال تشغيلية أثناء الاستخدام. أولًا، افحص جسم الصمام بحثًا عن أي تلف ناتج عن النقل. في حال وجود خدوش أو علامات صدمات أو تشوهات على جسم الصمام أو أسطح منع التسرب، يجب إيقاف التركيب والتواصل مع المورد. بعد ذلك، تحقق من طراز الصمام، وتصنيف الضغط، ومعايير التوصيل. إذا لم يتطابق ضغط تصميم النظام مع فئة ضغط الصمام، فقد تحدث مخاطر تتعلق بالسلامة التشغيلية. على سبيل المثال، إذا تم استخدام صمام منخفض الضغط عن طريق الخطأ في نظام خط أنابيب عالي الضغط، فقد يتعرض جسم الصمام لتشوه لدن نتيجة تأثير المطرقة المائية. من الضروري أيضاً فحص حالة سطح الكرة وحلقات منع التسرب. فإذا وُجدت خدوش على سطح الكرة، سيقل أداء منع التسرب. وهذا أمر بالغ الأهمية، خاصةً في أنظمة نقل الغاز حيث يكون التسرب الدقيق أكثر احتمالاً. 2. تعليمات التركيب تحتوي صمامات الكرة ذات القطر الكبير عادةً على علامة توضح اتجاه التدفق. في حال كان اتجاه التركيب غير صحيح، فقد تحدث المشاكل التالية: إذا تطابق اتجاه تدفق السائل مع اتجاه التصميم، فسيكون عزم التشغيل أكثر استقرارًا. أما إذا تم تركيب الصمام بشكل عكسي، فقد يتعرض ساق الصمام لحمل ميكانيكي متزايد، مما يُسرّع من تآكله أثناء التشغيل طويل الأمد. لختم مزدوج ثنائي الاتجاه صمام كروي على الرغم من السماح بالتدفق ثنائي الاتجاه، إلا أنه لا يزال يوصى بالتركيب وفقًا لاتجاه التدفق المحدد لضمان توزيع أكثر تجانسًا لإجهاد الختم. في الأنظمة ذات درجات الحرارة العالية أو أنظمة البخار، إذا كان اتجاه التركيب غير صحيح، فقد يؤدي التمدد الحراري إلى تسريع شيخوخة حلقة منع التسرب. 3. التحكم في إجهاد خطوط الأنابيب صمامات الكرة ذات القطر الكبير ثقيلة الوزن. إذا تم تركيبها بدون دعامة مناسبة، فقد تنتقل عزوم انحناء إضافية إلى وصلات الشفة. في حال تعرض أنظمة الأنابيب لإزاحة محورية، يجب تركيب دعامات لتثبيتها بشكل مجزأ. في حال عدم توفير هذه الدعامات، قد يتعرض جسم الصمام لحمل شد جاذبي طويل الأمد، مما قد يؤدي في النهاية إلى تلف مانع التسرب في الشفة. يُنصح عمومًا بتركيب دعامات مستقلة على جانبي صمامات الكرة ذات القطر الكبير. إذا كان نظام الأنابيب عرضة للتمدد والانكماش الحراري، فيجب تركيب أجهزة تعويض التمدد؛ وإلا فقد تتلف أسطح منع التسرب تدريجيًا. 4. عملية شد البراغي تتطلب وصلات الفلنجات لصمامات الكرة ذات القطر الكبير عادةً شد البراغي تدريجياً. إذا تم إحكام ربط البراغي بالكامل دفعة واحدة، فقد يحدث توزيع غير متساوٍ للإجهاد على الحافة، مما يؤدي إلى تلف الحشية نتيجة الضغط. يُنصح باستخدام تسلسل ربط متقاطع وتطبيق عزم الدوران على مرحلتين أو ثلاث مراحل من الربط التدريجي. في حالة استخدام الحشيات الملفوفة حلزونياً، يجب التحكم في توحيد عزم الدوران؛ وإلا فقد يحدث تسرب دقيق أولي. يُعدّ تزييت أسنان البراغي أمرًا بالغ الأهمية. فإذا لم يتم تزييت الأسنان، فقد يزداد فقدان عزم الدوران وقد لا تكون قوة التحميل المسبق الفعلية كافية. 5. ال...

خمسة آلاف ومائتان واحد
加载中...

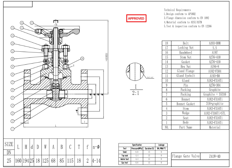
صمام بوابة من الفولاذ المقاوم للصدأ API 602 DN25 PN40 F316Ti EN1092-1 B1

  • دفع:

    30% when order confirmed, 70% before shipment
  • أصل المنتج:

    china
  • اللون:

    Customization
  • ميناء الشحن:

    Shanghai, China
  • المهلة:

    30~60 days Ex Works after order confirmation
  • Material:

    A182-F316Ti
  • Method of Operation:

    Hand Wheel
الاستفسار الآن
تفاصيل المنتج

صمام بوابة ذو حافة DN25 PN40 مصنوع وفقًا لمعيار API602. جسم الصمام مصنوع من سبيكة الألومنيوم A182-F316Ti. طريقة توصيله هي EN1092-1 B1. وهو مزود بعجلة يدوية. وضع التشغيل.

معايير المنتج

يكتب

صمام بوابة من الفولاذ المقاوم للصدأ

مقاس

DN25

ضغط

PN40

اتصال

EN1092-1 B1

عملية

عجلة يدوية

مادة الجسم

A182-F316Ti

معيار التصميم

API 602

أبعاد الشفة

EN 1092

المادة مطابقة

AISI/ASTM

قانون الاختبار والتفتيش

EN 12266

درجة حرارة

-29 ~ 120 درجة مئوية

الوسيلة المناسبة

الماء والنفط والغاز

سمات

1. يوفر الهيكل المصنوع من الفولاذ المقاوم للصدأ F316Ti مقاومة معززة للتآكل بين الحبيبات والخدمة في درجات الحرارة المرتفعة.

2. صمام البوابة DN25 PN40 المصمم وفقًا لمعيار API 602 مع شفة EN1092-1 B1 يضمن التشغيل المستقر والعزل المحكم في خطوط أنابيب العمليات.

الرسم الفني

Stainless Steel Gate Valve

فحص الأبعاد

Stainless Steel Gate Valve

اختبار الضغط

Stainless Steel Gate Valve

نطاق

Stainless Steel Gate Valve

تقرير التفتيش

Stainless Steel Gate Valve Stainless Steel Gate Valve Stainless Steel Gate Valve Stainless Steel Gate Valve

اترك رسالة

إذا كنت مهتما في منتجاتنا و تريد أن تعرف المزيد من التفاصيل,يرجى ترك رسالة هنا وسوف نقوم بالرد عليك بأسرع ما يمكن.

منتجات ذات صله
صمام بوابة ذو حواف من الفولاذ المقاوم للصدأ
صمام بوابة من الفولاذ المقاوم للصدأ DIN 3352 PN16 OS&Y

تم تصميم صمام البوابة CF8M المصنوع من الفولاذ المقاوم للصدأ مع وصلة شفة وتشغيل عجلة يدوية وفقًا لمعايير DIN 3352. يتميز صمام البوابة ذو المنفذ الكامل PN16 DN200 بهيكل OS&Y وإسفين مرن ومقعد قابل للاستبدال. مواصفات التصميم التصميم والتصنيع: DIN 3352 البعد من النهاية إلى النهاية: DIN3202 نهاية الشفة: EN1092-1 الاختبار والفحص: EN12266-1/2 ميزة التصميم -تصميم تتحمل كامل - معدلات تدفق فائقة وفقدان احتكاك صغير - انخفاض قيمة عزم الدوران عند إغلاق وفتح الصمام - إسفين مرن لجلوس أفضل وسهولة التشغيل - لمسة نهائية ناعمة وختم فائق لوجه المقعد - يتم تصنيع كل صمام برقم محدد على الجسم لسهولة التتبع تفاصيل سريعة يكتب بوابة صمام مقاس الاسم المميز 200 ضغط ب.ن 16 بناء انسحب غطاء محرك السيارة، الجذع الصاعد، المسمار الخارجي والنير اتصال شفة اتصال عملية عقارب مادة الجسم غير القابل للصدأ الصلب CF8M TrimMaterial الفولاذ المقاوم للصدأ نطاق درجة الحرارة -268 ″~+648 ″ واسطة المياه والنفط والغاز أصل الصين تغليف ديرفوس يعد التغليف جزءًا مهمًا لا يمكننا إهماله أبدًا. لدى Dervos عملية تغليف لكل طلب لضمان تسليم الطلب بشكل آمن وواضح.

خمسة آلاف ومائتان واحد
صمام بوابة 4 بوصة 150 رطل API603 من الفولاذ المقاوم للصدأ HW-OP OS&Y CF8M

صمام البوابة 4 بوصة 150LB مصنوع وفقًا لـ API 603 معيار. جسم الصمام مصنوع من ASTM A351 CF8M+STL. لديها الخصائص الهيكلية لغطاء الترباس والإسفين المرن والساق المرتفعة. إنه يتوافق الاختبار والفحص مع API 598 و وضع التشغيل الخاص به هو تشغيل عقارب.

خمسة آلاف ومائتان واحد
DN200 PN40 صمام البوابة الفولاذي المقاوم للصدأ EN1984 HW-OP BB RF OS&Y

صمام البوابة DN200 PN40 مصنوع وفقًا لـ EN1984 معيار. جسم الصمام مصنوع من 1.4571+STL. لديها الهيكلية خصائص غطاء الترباس، البوابة المرنة، الجذع المرتفع والقوس. اتصالها الوضع هو EN1092-1/B. ولها وضع تشغيل عجلة اليد.

خمسة آلاف ومائتان واحد
DIN DN125 PN16 صمام البوابة الفولاذ المقاوم للصدأ HW-OP BB RF

يتم تصنيع صمام البوابة DN125 PN16 وفقًا لـ DIN 3352 معيار. جسم الصمام مصنوع من 1.4408. لديها الهيكلية خصائص غطاء الترباس، ارتفاع الجذع، إسفين مرن، مع SS316 سترة عازلة وطول هيكلي 325 ملم. وضع الاتصال الخاص به هو RF EN1092-1 B1. ولها وضع تشغيل عجلة اليد.

خمسة آلاف ومائتان واحد
2 "150LB الفولاذ المقاوم للصدأ بوابة صمام RF CF3 API600 عقارب

صمام البوابة 2 بوصة 150LB مصنوع وفقًا لـ API 600 معيار. جسم الصمام مصنوع من A351 CF3. لديها الهيكلية خصائص غطاء الترباس، وارتفاع قوس الجذعية. وضع الاتصال الخاص به هو RF. ولها وضع تشغيل عقارب.

خمسة آلاف ومائتان واحد
صمام بوابة مزدوج من الفولاذ المقاوم للصدأ DN100 PN40 5A EN 1984

صمام البوابة المزدوج DN100 PN40 5A مصنوع من الفولاذ المقاوم للصدأ، ومصنوع وفقًا لمعيار EN 1984. جسم الصمام مصنوع من مادة ASTM A995 5A+STL. يتميز بخصائص هيكلية: تجويف كامل، غطاء مُثبت بمسامير، ساق صاعدة مع نير، وتد مرن. وضعية التوصيل هي EN1092-1 B1، ويعمل بعجلة يدوية.

خمسة آلاف ومائتان واحد
صمام بوابة من الفولاذ المقاوم للصدأ DN100 PN40 EN 1.4571 EN1984

صمام البوابة المصنوع من الفولاذ المقاوم للصدأ DN100 PN40 مُصنّع وفقًا لمعيار EN 1984. جسم الصمام مصنوع من سبيكة X6CrNiMoTi17-12-2. يُستخدم الفولاذ المقاوم للصدأ EN 1.4571 (AISI 316Ti) على نطاق واسع في التطبيقات ذات درجات الحرارة المتوسطة إلى العالية، حيث تكون مقاومة التآكل بين الحبيبات والتآكل الكلوريدي المعتدل مطلوبة، وخاصة في الأنظمة الملحومة التي لا تخضع لمعالجة حرارية بعد اللحام. طريقة توصيله هي EN558، وهو مزود بعجلة يدوية. operation mode. Product Parameters Type Stainless Steel Gate Valve Size DN100 Pressure PN40 Connection EN 558 Operation Hand Wheel Body Material X6CrNiMoTi17-12-2 Design Norm EN 1984 Face to Face dimension EN 1092 End connection EN 558 Test & Inspection Code EN 12266-1,2 Temperature -29 ~ 425°C Applicable Medium Water, Oil and Gas Features 1.Made from EN 1.4571 stainless steel, offering excellent corrosion resistance and high-temperature stability for PN40 pressure applications. 2.Gate valve design compliant with EN 1984 ensures reliable shutoff and long service life in industrial piping systems. Technical Drawing Dimension Checking Pressure Testing Spectrum Nameplate & Packing

خمسة آلاف ومائتان واحد
صمام بوابة من الفولاذ المقاوم للصدأ EN1984 DN150 PN40 EN 1.4571

صمام البوابة المصنوع من الفولاذ المقاوم للصدأ DN150 PN40 مُصنّع وفقًا لمعيار EN 1984. جسم الصمام مصنوع من سبيكة X6CrNiMoTi17-12-2. يُستخدم الفولاذ المقاوم للصدأ EN 1.4571 (AISI 316Ti) على نطاق واسع في التطبيقات ذات درجات الحرارة المتوسطة إلى العالية، حيث تكون مقاومة التآكل بين الحبيبات والتآكل الكلوريدي المعتدل مطلوبة، وخاصة في الأنظمة الملحومة التي لا تخضع لمعالجة حرارية بعد اللحام. طريقة توصيله هي EN558، وهو مزود بعجلة يدوية. operation mode. Product Parameters Type Stainless Steel Gate Valve Size DN150 Pressure PN40 Connection EN 558 Operation Hand Wheel Body Material X6CrNiMoTi17-12-2 Design Norm EN 1984 Face to Face dimension EN 1092 End connection EN 558 Test & Inspection Code EN 12266-1,2 Temperature -29 ~ 425 °C Applicable Medium Water, Oil and Gas Features 1.EN 1.4571 stainless steel construction provides strong resistance to pitting and stress corrosion in aggressive media. 2.DN150 PN40 configuration designed to EN 1984 standard ensures stable operation and tight isolation in medium-pressure pipelines. Technical Drawing Dimension Checking Pressure Testing Spectrum Nameplate & Packing

خمسة آلاف ومائتان واحد
صمام بوابة من الفولاذ المقاوم للصدأ DN100 PN16 بمقبض RF DIN 3352

صمام البوابة المصنوع من الفولاذ المقاوم للصدأ DN100 PN16 مُصنّع وفقًا لمعيار DIN 3352. جسم الصمام مصنوع من الفولاذ A351 CF8M+STL. يتميز بخصائص هيكلية تشمل غطاءً مثبتًا بمسامير، وساقًا صاعدًا، ووتدًا مرنًا، وأبعادًا من وجه إلى وجه وفقًا لمعيار DIN 3202-F4. طريقة توصيله هي التردد اللاسلكي (RF). كما أنه مزود بمقبض. وضع التشغيل. معلمات المنتج النوع صمام بوابة من الفولاذ المقاوم للصدأ الحجم DN100 الضغط PN16 التوصيل تردد لاسلكي تشغيل مقبض مادة الهيكل A351 CF8M+STL معيار التصميم DIN 3350 وجهاً لوجه DIN 3202-F4 أبعاد الشفة EN 1092-1 رمز الاختبار والفحص EN 12266 درجة الحرارة - 29 ~ 425 درجة مئوية الوسط المناسب الماء والزيت والغاز الميزات 1. تصميم صمام البوابة المصنوع من الفولاذ المقاوم للصدأ ذو الساق الصاعدة يضمن تحكمًا دقيقًا في التدفق وإغلاقًا محكمًا 2. مصنف PN16 مع شفة RF ومتوافق مع DIN 3352، ويتم تشغيله بواسطة مقبض لسهولة التحكم اليدوي. الرسم الفني فحص الأبعاد اختبار الضغط الطلاء لوحة الاسم والتعبئة تقرير الفحص

الخوار صمام الكرة الأرضية الختم pn40
يلقي الصلب الخوار ختم الكرة صمام dn65 pn40 1.0619

تم تصميم صمام الكرة الأرضية الختم dervos وفقًا لـ en13709 مع dimesnsion وجهاً لوجه لكل en558. يضمن الختم المصمم خصيصًا عدم التسرب من الجذع. تفاصيل سريعة نوع كره ارضيه   صمام الحجم المعياري د   65 الضغط المعياري ص 40 اعمال بناء انسحب   بونيه ، جذع صاعد ، خوار مختوم نوع الاتصال الترددات اللاسلكية   شفة عملية عقارب كود التصميم en13709 وجها لوجه en   558 الإتصال en1092 اختبار & أمبير ؛   تفتيش en 12266 مواد الجسم كربون   الفولاذ 1.0619 خوار المواد SS304 ، SS316 ، SS316L وغيرها تطبيق -29 ℃ ~ + 420 ℃ تطبيق ماء،   النفط والغاز ميزة الهيكل 1. التصميم القياسي لختم الخوار مزدوج الجدار 2. تصميم غطاء المحرك تبديد الحرارة ؛ 3. مع جهاز تخزين زيوت التشحيم 4 ، مع تصميم بحلقة إحكام لتثبيت الجوز الجذعي ؛ 5. هيكل منتج معقول ، أداء ختم موثوق به ومظهر جيد ؛ 6. ال سطح الختم ملحوم بسبيكة صلبة مشتركة ، والتي لها تآكل جيد المقاومة ، مقاومة التآكل ، أداء مضاد للاحتكاك والخدمة الطويلة الحياة؛ 7. الجذع لديه علاج النترة بمقاومة جيدة للتآكل ومضاد للاحتكاك أداء؛ 8. مع مؤشر الموقف لحركة الجذع.

صمام الكرة
DN125 * DN80 PN25 مرتكز الدوران الكرة صمام A105 والعتاد ISO

تم تصنيع صمام الكرة DN125 * DN80 PN25 وفقًا لمعيار ISO 17292. جسم الصمام مصنوع من ASTM A105. لها الخصائص الهيكلية للكرة الثابتة وسترة العزل. وضع الاتصال الخاص به هو EN1092-1 B. ولديه وضع تشغيل التروس.

6 بوصة صمام الاختيار المزدوج
صمام الاختيار ويفر البرونزية c95800 قرص مزدوج 6 بوصة

تم تصميم صمام فحص الرقاقة المزدوجة وفقًا لـ api 594 واختبارها لكل api 598. صمام عدم الرجوع البرونزي ينطبق على مياه البحر. تفاصيل سريعة نوع التحقق من   صمام بحجم 6 " ضغط التصميم صف دراسي   150 اعمال بناء مزدوج   نوع اللوحة ، مع التجنيب الإتصال رقاقة   نوع تصميم & أمبير ؛ صناعة واجهة برمجة تطبيقات   594 من النهاية إلى النهاية اسمى   ب 16.10 الإتصال اسمى   ب 16.5 الضغط & أمبير ؛   مؤقت اسمى   ب 16.34 اختبار & أمبير ؛   تفتيش واجهة برمجة تطبيقات   598 مواد الجسم الألومنيوم   البرونزية c95800 تقليم المواد الألومنيوم   البرونزية c95800 وسائل الإعلام w.o.g. فحص الأوردة بعد تركيب الصمام جودة الصمام هي واحدة من وجهات النظر التي نهتم بها أكثر. في dervos ، تبدأ مراقبة الجودة من المواد الخام ، والقطع ، والتجميع إلى التفتيش قبل الشحن. بعد التجميع ، سيقوم فريق فحص الجودة بإجراء فحص بصري وفحص الأبعاد والاختبار الهيدروليكي واختبار الهواء. يجب أن يجتاز كل طلب الاختبار وفقًا لمعايير الفحص. وإلا لن يقوم فريق فحص الجودة لدينا بإطلاق الشحنة. تقارير التفتيش يمكن استخدام المستندات لإثبات كيفية التحكم في جودة الصمام. جنبا إلى جنب مع كل طلب ، سيقدم Dervos للعملاء تقرير فحص & أمبير ؛ تقرير اختبار مطحنة 3.1 مجانًا. في تقرير فحص dervos ، سترى النتائج الفعلية للتحقق من البعد واختبار الضغط إلى جانب صورة الطلاء والتعبئة. يتم عرض جميع هذه المعلومات من خلال البيانات والصور الواضحة. في تقرير اختبار المطحنة 3.1 ، سوف نعرض لك التركيب الكيميائي والخصائص الميكانيكية ورقم الحرارة لجسم الصمام وغطاء المحرك والجذع والقرص وما إلى ذلك.

اترك رسالة

    إذا كنت مهتما في منتجاتنا و تريد أن تعرف المزيد من التفاصيل,يرجى ترك رسالة هنا وسوف نقوم بالرد عليك بأسرع ما يمكن.

الصفحة الرئيسية

منتجات

حول

اتصل