العربية

العربية

Get a Quote
منتجات

منتوجات جديدة

أخبار الشركة

ما هي الاختلافات بين صمامات الكرة الأرضية وصمامات البوابة؟
ما هي الاختلافات بين صمامات الكرة الأرضية وصمامات البوابة؟
2025-12-12

في أنظمة الأنابيب الصناعية، تُعدّ صمامات الكرة الأرضية وصمامات البوابة من أكثر صمامات الإغلاق استخدامًا. ورغم أن كليهما مصمم لبدء وإيقاف تدفق السوائل، إلا أنهما يختلفان اختلافًا كبيرًا في التصميم الهيكلي، ومبادئ التشغيل، وسيناريوهات التطبيق، والأداء العام. ويساعد فهم هذه الاختلافات المهندسين على اتخاذ خيارات مدروسة تضمن كفاءة النظام وموثوقيته وفعاليته من حيث التكلفة. أولاً: الاختلافات الرئيسية في الهيكل ومبادئ التشغيل 1. آليات فتح وإغلاق مختلفة صمام كروي: يتحرك القرص لأعلى ولأسفل على طول مسار عمودي على اتجاه التدفق. يتم الإغلاق عندما تتلامس أسطح منع التسرب للقرص والمقعد بشكل كامل. صمام البوابة: تتحرك البوابة عموديًا بطريقة مشابهة لـ "البوابة" التي تكون إما مفتوحة بالكامل أو مغلقة بالكامل، ويتم تحقيق الإحكام من خلال ضغط السطح. وهذا يعني أن صمامات الكرة الأرضية مناسبة للتحكم الدقيق في التدفق، بينما تستخدم صمامات البوابة بشكل أساسي للخدمة المفتوحة بالكامل أو المغلقة بالكامل. 2. اختلافات تصميم مسار التدفق يحتوي صمام الكرة الأرضية على مسار تدفق على شكل حرف S يجبر الوسط على تغيير اتجاهه، مما يؤدي إلى مقاومة تدفق أعلى. يتميز صمام البوابة بمسار تدفق مستقيم مع مقاومة ضئيلة وانخفاض ضغط منخفض، مما يجعله أكثر ملاءمة للنقل لمسافات طويلة. ثانيًا: الاختلافات في سيناريوهات التطبيق 1. التحكم في معدل نقل البيانات مقابل تشغيل/إيقاف الخدمة يمكن استخدام صمامات الكرة الأرضية للتحكم في التدفق وتنظيمه، مما يجعلها مناسبة للتطبيقات التي تتطلب أداءً عاليًا في منع التسرب وتحكمًا دقيقًا في التدفق، مثل البخار ومياه التبريد ووسائط المعالجة المختلفة. لا تُعدّ صمامات البوابة مناسبة للتحكم في التدفق، إذ قد يؤدي تشغيلها في وضع الفتح الجزئي إلى اهتزاز البوابة، وتلف أسطح منع التسرب، وتأثيرات ناتجة عن السوائل. تُعدّ صمامات البوابة مثالية لخطوط الأنابيب ذات الأقطار الكبيرة حيث تكون مقاومة التدفق المنخفضة مطلوبة، وتردد التبديل منخفض نسبيًا، بما في ذلك أنظمة نقل النفط، وإمدادات المياه والصرف الصحي، ومحطات توليد الطاقة. 2. نطاق الحجم ومساحة التركيب تُستخدم صمامات الكرة الأرضية عمومًا في الأحجام الصغيرة والمتوسطة (أكثر شيوعًا تحت DN50). هيكلها أثقل ويتطلب مساحة تركيب أكبر. تُعدّ صمامات البوابة مناسبة للأحجام المتوسطة والكبيرة. وبفضل تصميمها البسيط، توفر ميزة من حيث التكلفة في الأحجام الكبيرة. ثالثًا: أداء منع التسرب وتصنيفات الضغط 1. اختلافات في تصميم سطح الإحكام يتميز صمام الكرة الأرضية بسطح مانع للتسرب مدبب، والذي يحقق إغلاقًا محكمًا من خلال الضغط المحوري، مما يسهل الحصول على أداء مانع للتسرب موثوق به. يستخدم صمام البوابة أسطح إحكام متوازية أو إسفينية الشكل. وتعتمد فعالية إحكامه بشكل كبير على الضغط الذي يطبقه الصمام، وتتأثر بشكل أكبر بضغط الوسط المحيط بالنظام. 2. القدرة على التكيف مع الضغط ودرجة الحرارة كلا نوعي الصمامات مناسبان للتطبيقات ذات الضغط المتوسط إلى العالي ودرجات الحرارة المرتفعة. ومع ذلك، توفر صمامات الكرة الأرضية أداءً أفضل في الأنظمة التي تتطلب تشغيلاً متكرراً أو إحكاماً عالياً للضغط، بينما تُعد صمامات البوابة أكثر ملاءمة للأنظمة ذات الضغط المستقر والتشغيل الدوري غير المتكرر. رابعاً: الاختلافات في الصيانة وعمر الخدمة 1. وتيرة الصيانة ودورة الاستبدال في تطبيقات الخنق، تتعرض أسطح منع التسرب لصمامات الكرة الأرضية للتآكل المتوسط، مما يتطلب اختيار المواد المناسبة والصيانة الدور...

المعايير الدولية الرئيسية لصمامات الفراشة: نظرة عامة مفصلة على معايير API 609 وISO 5752 وJB/T 8527
المعايير الدولية الرئيسية لصمامات الفراشة: نظرة عامة مفصلة على معايير API 609 وISO 5752 وJB/T 8527
2025-12-05

صمام الفراشة تُستخدم صمامات الفراشة على نطاق واسع في أنظمة الأنابيب الصناعية نظرًا لبنيتها المدمجة، وتصميمها خفيف الوزن، وسرعة تشغيلها. وهي شائعة الاستخدام في صناعات معالجة المياه، والكيماويات، والطاقة، والنفط، والغاز. مع ذلك، عند التعامل مع المعايير الصناعية في مختلف البلدان والمناطق، يُعد اختيار صمام الفراشة الذي يفي بالمواصفات ذات الصلة أمرًا بالغ الأهمية. تقدم هذه المقالة تحليلًا مفصلًا لمتطلبات تصميم صمامات الفراشة واختيارها استنادًا إلى ثلاثة معايير رئيسية: API 609، وISO 5752، وGB/T 12238. 1. معيار API 609 - معيار معهد البترول الأمريكي API 609 يُعدّ معيار معهد البترول الأمريكي (API) معيارًا للصمامات الفراشية ذات المقاعد المعدنية، والتي تُستخدم بشكل أساسي في صناعات النفط والغاز والكيماويات. يُحدد هذا المعيار بنية الصمام ومواده وأبعاده وتصنيفات الضغط لضمان أداء موثوق به في ظل ظروف درجات الحرارة والضغط العالية والبيئات المسببة للتآكل. تشمل النقاط الرئيسية ما يلي: ● معدلات الضغط: يغطي الفئات من 150 إلى 1500، ويستوعب ظروف الخدمة المختلفة. ● تصميم الهيكل والقرص: يتطلب منع التسرب المعدني محاذاة دقيقة بين القرص والمقعد لمنع التسرب تحت درجات الحرارة العالية أو الضغط العالي. ● الاختبار والفحص: يشمل ذلك اختبارات الغلاف، واختبارات تسرب المقعد، وفحوصات الأداء التشغيلي لضمان سلامة الصمام وموثوقيته. بالنسبة لخطوط أنابيب البخار ذات درجة الحرارة العالية أو خطوط أنابيب النفط والغاز ذات الضغط العالي، فإن اختيار صمام فراشة متوافق مع معيار API 609 يمكن أن يقلل بشكل كبير من خطر التسرب ويطيل عمر المعدات. 2. ISO 5752 — معيار المنظمة الدولية للمقاييس المعيار الدولي ISO 5752 هو معيار المنظمة الدولية للتوحيد القياسي (ISO) الذي يحدد أبعاد نهايات الصمامات وأحجام وصلات الفلنجات. ويحدد هذا المعيار أبعاد الوجه إلى الوجه، وأحجام الفلنجات، وطرق التوصيل لصمامات الفراشة، مما يوفر مواصفات واجهة متسقة للمستخدمين الصناعيين في جميع أنحاء العالم. تشمل النقاط الرئيسية ما يلي: ● الأبعاد وجهاً لوجه: يحدد أطوال الصمامات لأقطار اسمية مختلفة لضمان التوافق مع أنظمة الأنابيب. ● أبعاد الشفة: يضمن توافق الصمامات مع تركيبات الأنابيب القياسية الدولية، مثل شفة ANSI أو DIN. ● قابلية التبادل: يمكن استبدال أو صيانة صمامات الفراشة المصممة وفقًا لمعيار ISO 5752 على مستوى العالم دون إعادة تصميم واجهة خط الأنابيب. يُعد معيار ISO 5752 مناسبًا بشكل خاص للمشاريع الهندسية متعددة الجنسيات، مما يضمن عالمية صمامات الفراشة عبر مختلف المصانع والأنظمة. 3. JB/T8527 — المعيار الوطني الصيني يُعدّ معيار JB/T8527 المعيار الوطني الصيني الذي يحدد أبعاد وبنية ومتطلبات اختبار صمامات الفراشة المعدنية ذات الختم الصلب. ويُستخدم على نطاق واسع في المشاريع الصناعية المحلية، مثل مشاريع الري والطاقة والبتروكيماويات، ويُمثّل مرجعًا هامًا لعمليات الشراء والاستلام. تشمل النقاط الرئيسية ما يلي: ● القطر الاسمي ومعدل الضغط: يغطي التصنيفات الشائعة مثل PN1.0 إلى PN16، وهو مناسب للماء والبخار والسوائل الصناعية. ● الجسم والقرص: يحدد المتطلبات المادية والهيكلية لضمان أداء إحكام الصمامات وقوتها الميكانيكية. ● متطلبات الاختبار: يشمل ذلك اختبارات قوة الغلاف، وأداء الإحكام، وموثوقية التشغيل لضمان جودة المصنع. في المشاريع المحلية، تضمن صمامات الفراشة المتوافقة مع معيار JB/T8527 أداءً موثوقًا به وتسهل على الموردين تقديم خدمة ما بعد البيع وقطع ...

كيفية منع تسرب صمام الفحص والتأكد من وجود ختم مناسب
كيفية منع تسرب صمام الفحص والتأكد من وجود ختم مناسب
2025-11-27

غالبًا ما تُعتبر صمامات الفحص من أكثر المكونات "هدوءًا" وأهمية في أنظمة الأنابيب. وظيفتها الأساسية هي منع التدفق العكسي وحماية المضخات والضواغط، والحفاظ على استقرار النظام بشكل عام. ومع ذلك، في التطبيقات العملية، يُعد ضعف الإحكام - المعروف عادةً باسم "التسرب" - من أكثر المشكلات شيوعًا وإحباطًا التي تُواجه أثناء تشغيل صمام الفحص. عندما يفشل صمام الفحص في إحكام الإغلاق، فقد يؤدي ذلك إلى انخفاض كفاءة النظام، وتقلبات الضغط، والتسبب في مطرقة مائية، وحتى إتلاف معدات حيوية. توضح هذه المقالة الأسباب الفنية وراء تسرب صمام الفحص، وتقدم إجراءات تشخيصية وتصحيحية عملية لمساعدتك على تحديد مشاكل الإحكام وحلها بسرعة، حتى في ظل ظروف التشغيل الصعبة. . 1. لماذا لا يغلق صمام الفحص بشكل صحيح؟ شرح الأسباب الشائعة 1. وجود جزيئات أو شوائب صلبة في الوسط يمكن أن تتراكم الجزيئات الصلبة بين القرص والمقعد، مما يمنع الاتصال الكامل ويسبب تسربًا طفيفًا أو حتى ملحوظًا. تشمل العلامات النموذجية ما يلي: ● تسرب كبير في مواضع الفتح الصغيرة ● يقل التسرب بعد التنظيف 2. تآكل القرص أو تلف المقعد يمكن أن تؤدي الدورة المتكررة أو الوسائط المسببة للتآكل أو التدفق عالي السرعة إلى تآكل الأسطح المانعة للتسرب، مما يؤدي إلى الخدوش أو الحفر أو التشوه. تعتبر هذه المشكلة شائعة بشكل خاص في أنظمة البخار ذات درجة الحرارة المرتفعة. 3. اتجاه التثبيت غير الصحيح أو زاوية الميل غير الكافية على الرغم من أنه قد يبدو وكأنه خطأ أساسي، إلا أن التثبيت غير الصحيح لا يزال يحدث في العديد من مواقع العمل. نظرًا لأن صمامات الفحص تعتمد بشكل كبير على الجاذبية واتجاه التدفق، فإن التركيب غير الصحيح يمنع القرص من العودة إلى موضعه المغلق بسلاسة. 4. سرعة التدفق منخفضة جدًا بحيث لا يمكن إنشاء ضغط تفاضلي كافٍ يفتح صمام الفحص عند تدفق السائل. عندما يكون معدل التدفق منخفضًا جدًا، قد يرفرف القرص أو يفشل في الإغلاق تمامًا، مما يؤدي إلى تسرب. تشمل السيناريوهات الشائعة ما يلي: ● طول أنبوب مستقيم غير كافٍ ● تشغيل/إيقاف المضخة بشكل متكرر ● أنظمة التدفق المنخفض المصممة بشكل سيئ 5. التصاق القرص أو آلية المفصلة لا تعمل بسلاسة في صمام فحص التأرجح قد يتسبب الصدأ أو التآكل أو نقص التشحيم عند دبوس المفصلة أو وصلة القرص في الالتصاق، مما يمنع الإغلاق الكامل 6. التشوه الحراري لأسطح الختم بسبب تقلبات درجات الحرارة في ظل ظروف درجات الحرارة المرتفعة مثل خدمة البخار، يمكن للتمدد والانكماش الحراري أن يؤدي إلى تشويه أسطح الختم قليلاً، مما يؤدي إلى ختم غير مثالي. 2. كيف يمكن تحديد بسرعة ما إذا كان صمام الفحص لا يغلق بشكل صحيح؟ 1. قراءات غير طبيعية لمقياس الضغط إذا ظل ضغط المدخل ثابتًا بينما يرتفع ضغط المخرج تدريجيًا، فإن التدفق العكسي الناجم عن تسرب صمام الفحص هو السبب الأكثر احتمالاً. 2. اهتزاز الأنابيب أو أصوات الطرق الخفيفة يشير هذا إلى أن القرص يتذبذب بتردد عالٍ، غالبًا بسبب سرعة تدفق غير كافية أو مجموعة قرص مفكوكة. 3. التفتيش عبر منفذ الالتفافية أو منفذ التصريف بعض الأنظمة مجهزة بوصلة تصريف أو تجاوز، مما يسمح بالمراقبة المباشرة لعلامات التدفق العكسي. 4. الفحص الداخلي عن طريق تفكيك الصمام الطريقة الأكثر مباشرة - وغالبًا الأكثر فعالية - والتي يتم إجراؤها عادةً أثناء الإغلاق والصيانة المجدولة. 3. حلول فعّالة لصمام الفحص الذي لا يُغلق بشكل صحيح 1. تنظيف أسطح الختم وإزالة الحطام الداخلي مثالي للتسربات الخفيفة الناتجة عن الوسائط الجسيمية. بعد التنظيف، ق...

صمام كروي مثبت على محور من الفولاذ المصبوب
加载中...

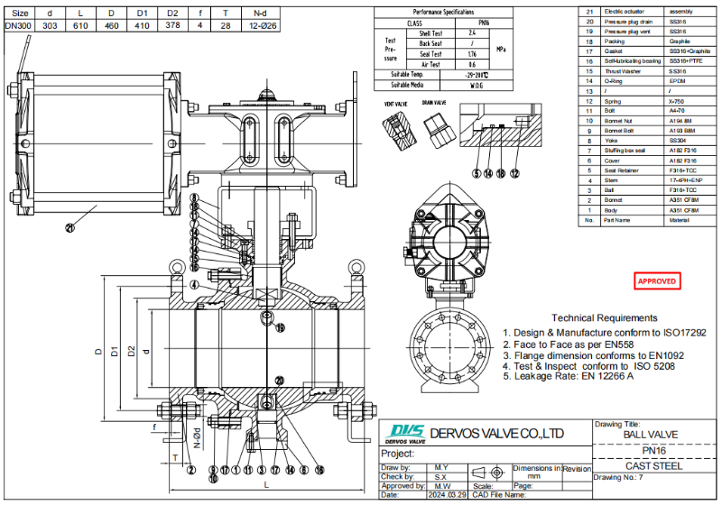
صمام كروي مثبت على محور من الفولاذ المصبوب، قطره DN300 وضغطه الاسمي PN16، مطابق للمواصفة ISO17292 CF8M

صمام كروي DN300 PN16 ذو محور ارتكاز مصنوع من الفولاذ المصبوب وفقًا لمعيار ISO17292. جسم الصمام مصنوع من الفولاذ A351 CF8M. يتميز بخصائص هيكلية تشمل: تصميم من قطعتين، كرة مثبتة على محور ارتكاز، فتحة كاملة، مقاوم للحريق ومضاد للكهرباء الساكنة، ساق مقاوم للانفجار، هيكل خالٍ من النحاس، معدل تسرب وفقًا لمعيار EN12266 من الفئة A (انعدام التسرب). يعمل بنظام الترددات اللاسلكية (RF) وبنظام التشغيل الهوائي.

  • دفع:

    30% when order confirmed, 70% before shipment
  • أصل المنتج:

    china
  • اللون:

    Customization
  • ميناء الشحن:

    Shanghai, China
  • المهلة:

    30~60 days Ex Works after order confirmation
  • Material:

    A351 CF8M
  • Method of Operation:

    Handwheel
الاستفسار الآن
تفاصيل المنتج

وصف المنتج

يكتب

صمام كروي مثبت على محور دوران

مقاس

DN300

ضغط

PN16

اتصال

الترددات اللاسلكية

عملية

يعمل بالهواء المضغوط

مادة الجسم

A351 CF8M

معيار التصميم

ISO17292

وجهاً لوجه

EN558

أبعاد الشفة

EN 1092

قانون الاختبار والتفتيش

ISO 5208

درجة حرارة

-29 ~ 200 درجة مئوية

الوسيلة المناسبة

الماء والنفط والغاز

سمات

1. يوفر الهيكل المصنوع من الفولاذ المقاوم للصدأ CF8M مقاومة ممتازة للتآكل ومتانة لمجموعة واسعة من الوسائط الصناعية.

2. يوفر التصميم المثبت على محور الدوران دعمًا ثابتًا للكرة، مما يقلل من عزم الدوران التشغيلي ويضمن إحكامًا موثوقًا به في ظل ظروف ضغط PN16.

الرسم الفني

Trunnion Mounted Ball Valve

فحص الأبعاد

Trunnion Mounted Ball Valve

اختبار الضغط

Trunnion Mounted Ball Valve

لوحة الاسم والتغليف

Trunnion Mounted Ball Valve

تقرير التفتيش

Trunnion Mounted Ball Valve Trunnion Mounted Ball Valve Trunnion Mounted Ball Valve Trunnion Mounted Ball Valve

اترك رسالة

إذا كنت مهتما في منتجاتنا و تريد أن تعرف المزيد من التفاصيل,يرجى ترك رسالة هنا وسوف نقوم بالرد عليك بأسرع ما يمكن.

منتجات ذات صله
علبة التروس نوع علبة التروس ذات حواف
شنت الكرة مرتكز مرتكز الدوران الصلب صمام 12 بوصة 600 رطل

يحتوي الصمام الكروي المثبت على مرتكز الدوران 600 رطل 12 بوصة على علبة تروس ، شفة rtj ، تصميم آمن للحريق لكل api 607. تم تصميم صمام الكرة المكون من 3 قطع لكل api 6d. ميزة التصميم & أمبير ؛ فائدة 1. مقاومة تدفق صغيرة يعني انخفاض ضغط أقل 2. هيكل صمام بسيط وخفيف الوزن 3.مختلف مواد الختم المتاحة ، من المواد المعدنية tcc ، الأقمار الصناعية ، الفولاذ المقاوم للصدأ إلى مادة لينة ptfe ، تفلون ، النايلون ، نظرة خاطفة وغيرها 4. الأداء الجيد لكل من الختم المعدني وختم لينة 5. عملية مريحة وسريعة للصمام 6.سهلة الصيانة بسبب حلقة المقعد المتجددة 7.عند فتحه أو إغلاقه بالكامل ، يتم عزل وجه الصمام المحكم من التآكل المتوسط. 8. مجموعة واسعة من التطبيقات من حيث الحجم وتصنيف الضغط تفاصيل سريعة نوع صمام الكرة بحجم 12 " الضغط الفئة 600 اعمال بناء مرتكز الدوران   كرة محمولة ، من ثلاث قطع ، مدخل جانبي الإتصال شفة الترددات اللاسلكية عملية هيأ   تعمل الجسم   مواد ASTM A105 تصميم & أمبير ؛   صناعة واجهة برمجة التطبيقات 6 د الضغط   & أمبير ؛ مؤقت اسمي ب 16.34 وجها لوجه Asme b16.10 النهاية   الإتصال Asme b16.5 اختبار & أمبير ؛   كود التفتيش api 598 آمنة النار api 607 درجة الحرارة   نطاق -29 ℃ ~ + 200 ℃ متوسط الماء والنفط   والغاز الأصل الصين مواصفات المواد لا جزء اسم كربون   الصلب ل astm غير القابل للصدأ   الصلب ل astm WCB lcb راجع 8 CF 8M راجع 3 CF3M 1 طبقة تحتية WCB lcb راجع 8 CF 8M راجع 3 CF3M 2 الترباس السفلي أ 193 ب 7 A320 l7 أ 193 ب 8 3 مرتكز الدوران a182 f6 a182 f6 a182 f304 a182 f316 a182 f304l a182 f316l 4 الجسم a216 wcb a352 lcb a351 cf8 a351 cf8m a351 cf3 a351 cf3m 5 بونيه الجوز أ 194 2 ساعة أ 194 4 أ 194 8 6 بونيه الترباس أ 193 ب 7 A320 l7 أ 193 ب 8 7 قبعة a216 wcb a352 lcb a351 cf8 a351 cf8m a351 cf3 a351 cf3m 8 طوقا ss دوامة الجرح / الجرافيت أو   ss الجرح اللولبي / ptfe 9 كم رمح SS / الجرافيت 10 حلقة مقعد rptfe أو بوم 11 كرة a105 / ep.cr أو f6 a182 f6 a351 cf8 a351 cf8m a351 cf3 a351 cf3m 12 مقعد a105 / ep.cr أو f6 a182 f6 a182 f304 a182 f316 a182 f304l a182 f316l 13 ربيع 17-17ph (inconel ل   nace) سبائك ni-cr 14 يا الدائري فيتون 15 إيقاف a182 f6 a182 f6 a182 f304 a182 f316 a182 f304l a182 f316l 16 غطاء مانع للتسرب a182 f6 a182 f6 a182 f304 a182 f316 a182 f304l a182 f316l 17 يا الدائري فيتون 18 المحرك والعتاد & emsp؛ كانت المادة   وفقًا لمعيار ASTM المعرفة ذات الصلة ما الفرق بين صمام الكرة العائمة والمرور؟ الجزء الكروي من الصمام الكروي العائم متحرك. تحت ضغط الوسط ، تحتوي الكرة على إزاحة معينة وتضغط على سطح مانع التسرب لضمان إغلاقها المحكم. الهيكل العائم مناسب لصمام الكرة بحجم صغير ومنخفض & أمبير ؛ تصنيف الضغط المتوسط. تم إصلاح جزء الكرة من الصمام الكروي المثبت على مرتكز الدوران. تحت الضغط المتوسط ​​، يتحرك المقعد العائم نحو الكرة لضمان الختم. غالبًا ما يكون الصمام الكروي المرتكز على مرتكز الدوران بحجم أكبر وضغط أعلى.

شنت api 6d مرتكز الدوران صمام الكرة
يلقي الصلب الكرة مرتكز الدوران صمام 24 بوصة 300 رطل api 6 د

يلقي صمام الكرة ذو الشفة من الفئة 300 جسمًا من الفولاذ WCB ، كرة فولاذية مقاومة للصدأ ، ساق ، حلقة مقعد مع إدراج مقعد devlon. ميزة التصميم 1. تصميم آمن من الحرائق حسب api 607 2. مع حقن مانع التسرب للتزييت الذاتي 3. مع تصميم الاستاتيكيه 4. مع الجذعية المضادة للانفجار 5. مع منفذ تنفيس واستنزاف 6. تصميم تتحمل كامل 7.ثلاثة قطعة نوع والكرة مرتكز الدوران تعمل 8.gear لسهولة التشغيل تفاصيل سريعة نوع صمام الكرة بحجم 24 " الضغط انسي 300 اعمال بناء نوع مرتكز الدوران   كرة ، هيكل 3 قطع ، مدخل جانبي ، تجويف كامل الإتصال شفة   الإتصال عملية ناقل الحركة   عملية الجسم   مواد ASTM A216   WCB كود التصميم واجهة برمجة التطبيقات 6 د الضغط   & أمبير ؛ كود مؤقت اسمي ب 16.34 وجها لوجه Asme b16.10 النهاية   الإتصال Asme b16.5 اختبار & أمبير ؛   كود التفتيش api 598 ،   واجهة برمجة التطبيقات 6 د آمنة النار api 607 درجة الحرارة   نطاق -29 ℃ ~ + 200 ℃ متوسط wog الأصل الصين البعد الفئة 300 د مم 50 65 80 100 150 200 250 300 350 400 450 500 600 700 NPS في 2 2.5 3 4 6 8 10 12 14 16 18 20 24 28 ل (الترددات اللاسلكية) مم 216 241 283 305 403 502 568 648 762 838 914 991 1143 1346 في 8.5 9.5 11.13 12 15.88 19.75 22.38 25.5 30 33 36 39 45 53 ل 1 (وزن الجسم) مم 216 241 283 305 457 521 559 635 762 838 914 991 1143 1346 في 8.5 9.5 11.13 12 18 20.5 22 25 30 33 36 39 45 53 ل 2 (رتج) مم 232 257 298 321 419 518 584 664 778 854 930 1010 1165 1372 في 9.13 10.13 11.75 12.63 16.5 20.38 23 26.13 30.63 33.63 36.63 39.75 45.89 54 ح مم 153 165 195 213 272 342 495 580 625 720 790 840 1050 1150 في 6.02 6.5 7.68 8.39 10.7 13.5 19.5 22.85 24.6 28.35 31 33.1 41.34 45.3 افعل (ث) مم 400 400 600 850 1100 1500 * 350 * 350 * 600 * 600 * 800 * 800 * 800 * 800 في 15.74 15.74 23.62 33.46 43.3 59 13.8 13.8 23.6 23.6 31.5 31.5 31.5 31.5 الترددات اللاسلكية (كلغ) & emsp؛ 18 27 47 80 118 200 365 530 740 1030 1320 1540 2600 3900 وزن الجسم (كجم) & emsp؛ 14 2 38 65 105 185 342 503 713 1000 1285 1498 2540 3825 * تعمل معدات دودة أو المحرك الكهربائي نظام فحص جودة dervos في dervos ، نتحكم في الجودة طوال عملية التصنيع بأكملها. فحص الصب: على الرغم من فحص الصب ، يمكننا معرفة مشكلة المواد الخام ، مثل الصب الرديء ، وسمك الجدار غير المؤهل ، والتركيب الكيميائي وما إلى ذلك ، مما يضمن عدم تعرضك للغش. التفتيش بالقطع: من ناحية ، يمكننا ضمان دقة المعالجة من خلال هذه العملية. من ناحية أخرى ، يمكننا اكتشاف خطأ بالقطع في أقرب وقت ممكن ، لكسب المزيد من الوقت للإصلاح وإعادة التشكيل الفحص النهائي: تشمل أنشطة الفحص النهائي مراجعة الوثائق والمستندات ومراقبة الجودة والفحص البصري وفحص الأبعاد واختبار الضغط والطلاء وفحص التعبئة. لست بحاجة إلى الحضور والتفتيش شخصيًا ويمكن تقديم جميع المستندات كإثبات.

صمام كروي مرتكز على مرتكز الدوران
شنت مرتكز الدوران dn300 pn63 dbb صمام الكرة

صمام كروي مرتكز على مرتكز الدوران dn300 pn63 ذو كتلة مزدوجة تتحمل وختم pmss (ختم معدني + ختم ناعم) تشغيل علبة التروس الجذعية المقاومة للانفجار مع جسم lf2 ، lf2 + enp ball / seat و 410 ساق. تفاصيل سريعة نوع صمام الكرة بحجم dn300 ضغط التصميم pn63 اعمال بناء دبب ، صمام مرتكز على مرتكز الدوران نوع الاتصال شفة نوع العملية تعمل علبة التروس مواد الجسم LF2 مادة الكرة lf2 + enp المواد الجذعية 410 مادة المقعد lf2 + enp كود التصميم واجهة برمجة التطبيقات 6 د وجها لوجه البعد واجهة برمجة التطبيقات 6 د نهاية الاتصال Asme b16.5 الضغط & أمبير ؛ مؤقت اسمي ب 16.34 متوسط الماء والنفط والغاز الأصل الصين

صمام كروي مرتكز على مرتكز الدوران
api 6d صمام مرتكز الدوران الكرة 8 بوصة فئة 300 wcb علبة التروس

تم تصميم صمام الكرة api 6d مع شنت الكرة مرتكز الدوران وهيكل تتحمل كامل. يحتوي الصمام الكروي ذو الحافة على 300 رطل ضغط التصميم والحجم الاسمي 8 بوصة مع وضع تشغيل علبة التروس ، المطابقة لمتطلبات nace mr0175. تفاصيل سريعة نوع صمام الكرة بحجم 8 " الضغط 300 رطل اعمال بناء جسم من قطعتين ،   تتحمل كامل ، الكرة مرتكز الدوران الإتصال شفة الترددات اللاسلكية وضعية التشغيل ناقل الحركة مواد الجسم a216 wcb تقليم المواد الكرة / الساق f6a ، مقعد rptfe تصميم & أمبير ؛ صناعة واجهة برمجة التطبيقات 6 د الضغط & أمبير ؛ كود مؤقت اسمي ب 16.34 من النهاية إلى النهاية Asme b16.10 نهاية الاتصال Asme b16.5 تفتيش api 6d ،   api 598 نطاق درجة حرارة -29 ℃ ~ + 200 ℃ متوسط نفط،   الماء والغاز التعبئة Dervos اختبار اللوحة & أمبير ؛ نقل اختبار الضغط وأمبير. فحص الأبعاد

خمسة آلاف ومائتان واحد
مزورة الصلب 3 قطعة شنت مرتكز الدوران صمام الكرة 600 رطل API6D

API 6D الكرة صمام تصميم مرتكز الدوران شنت الكرة تتحمل كامل هيكل. في ذات حواف الكرة صمام 600LB ضغط التصميم و 10 بوصة الاسمي الحجم مع علبة التروس وضع التشغيل ، مطابقة MR0175 التصنيف شرط.

خمسة آلاف ومائتان واحد
مشغل تروس صمام كروي مكون من 3 قطع A105 4 بوصة 150 رطل

ال 4 بوصة 150 رطل صمام الكرة هو 3 قطع واحد مع منفذ مخفض ، A105 الجسم ، F6A جذع وكرة و مقعد. ال ال تم تصنيع الصمام حسب لكل API6D ويتم اختباره بموجب API 598.

خمسة آلاف ومائتان واحد
150 رطل صمام كروي مزدوج من الفولاذ المقاوم للصدأ 4A

ال 150 رطل صمام كروي ، مصنوع من الفولاذ المقاوم للصدأ على الوجهين 4A ، له منفذ خاص على شكل v كرة. ال يعتبر الصمام مناسبًا بشكل خاص للوسائط التي تحتوي على ألياف وجزيئات صلبة صغيرة وملاط وما إلى ذلك

خمسة آلاف ومائتان واحد
3 قطعة موقف نوع الكرة صمام، ASTM A105N، فئة 800، 1 بوصة

الصين كربون الصلب الكرة صمام مزود عروض 3 قطعة صمام الكرة نوع موقف، ASTM A105N، فئة 800، 1 بوصة، كرة عائمة مجانية، API 608، بكالوريوس 5351.

صمام الكرة
صمام كروي مثبت على مرتكز الدوران DN150 PN16 تتحمل كامل ISO17292

DN150 PN16 Ball Valve مصنوع وفقًا لمعيار ISO 17292. يفي اختبار مقاومة الحريق بمتطلبات معيار API 607. جسم الصمام مصنوع من ASTM A105. وضع التشغيل هو تشغيل التوربينات. يتميز الصمام الكروي المثبت على مرتكز الدوران بطول هيكلي يبلغ 400 مم بالخصائص الهيكلية للتجويف الكامل.

صمام الكرة
8 "2500LB مرتكز الدوران الكرة صمام API 6D RTJ F51

تم تصنيع الصمام الكروي 8 "2500LB وفقًا لمعيار API 6D. جسم الصمام مصنوع من F51. يتميز بالخصائص الهيكلية للكرة المثبتة على مرتكز الدوران ، التجويف الكامل. ساق الصمام الطائر بالإضافة إلى أنه يلبي أيضًا متطلبات NACE MR0175.

صمام الكرة
API6D 2 "1500LB مزورة الصلب مرتكز الدوران صمام الكرة RTJ

تم تصنيع الصمام الكروي 2 "1500LB وفقًا لمعيار API 6D. ويتوافق أيضًا مع معيار التصميم NACE MR0175. جسم الصمام مصنوع من ASTM-A105. يتميز بالخصائص الهيكلية للتدفق الكامل والكرة المثبتة على مرتكز الدوران. وضع الاتصال ووضع تشغيل علبة التروس.

اترك رسالة

    إذا كنت مهتما في منتجاتنا و تريد أن تعرف المزيد من التفاصيل,يرجى ترك رسالة هنا وسوف نقوم بالرد عليك بأسرع ما يمكن.

الصفحة الرئيسية

منتجات

حول

اتصل