العربية

العربية

Get a Quote
منتجات

منتوجات جديدة

أخبار الشركة

أخطاء يجب تجنبها عند تركيب صمامات خطية مغلقة
أخطاء يجب تجنبها عند تركيب صمامات خطية مغلقة
2026-05-15

أ صمام خطي مغلق (يُشار إليه أيضًا باسم جهاز عزل الألواح المجرفة/العمياء) هو جهاز ميكانيكي يُستخدم لتحقيق عزل إيجابي في أنظمة خطوط الأنابيب. ويُستخدم على نطاق واسع في أنظمة عزل النفط والغاز والبتروكيماويات والتكرير والصيانة. وظيفته الأساسية ليست تنظيم التدفق، بل ضمان انعدام مرور السوائل أثناء ظروف الصيانة . ومع ذلك، فإن التركيب أو التشغيل غير السليم يمكن أن يؤدي إلى التسرب، وفشل مانع التسرب، وتشوه الشفة، وحتى مخاطر السلامة. تلخص الأقسام التالية أخطاء التركيب الشائعة بناءً على المنطق الهندسي، إلى جانب عواقبها. 1. عدم التأكد من تفريغ الضغط بالكامل قبل التركيب إذا بقي ضغط متبقٍ في خط الأنابيب، فقد يؤدي إدخال أو تبديل اللوحة العمياء إلى حدوث تأثير ميكانيكي أو تلف لأسطح منع التسرب. إذا تم تشغيل صمام الإغلاق الخطي دون تفريغ كامل للضغط، فقد ينتج عن ذلك ما يلي: ● خدش أو تشوه أسطح الختم ● عزم دوران تشغيلي مرتفع بشكل غير طبيعي ● إدخال غير كامل للصفيحة العمياء ● في الحالات القصوى، خطر تسرب السوائل لذلك، يتطلب الإجراء القياسي ما يلي: تخفيف الضغط بالكامل، والتنفيس الكامل للوسائط المتبقية، والتأكد من ظروف الضغط الصفري قبل عملية العزل. 2. تركيب صمام خطي مغلق مع محاذاة غير صحيحة للشفة تعتمد أنظمة صمامات الخط العمياء على محاذاة دقيقة للشفة. في حالة وجود عدم محاذاة أو انحراف في الشفة: ● تحميل غير متساوٍ على اللوحة العمياء ● تركيز الإجهاد الموضعي في عملية الإحكام ● مسارات تسرب دائمة بعد التشغيل ● تعطل أو انحشار آلية التشغيل في حال وجود انحراف كبير في المحاذاة، لا ينبغي إدخال صمام إغلاق الخط بالقوة. يجب تصحيح دعامات الأنابيب أو ظروف المحاذاة أولاً. 3. إهمال نظافة سطح الختم يعتمد أداء إحكام صمامات الخطوط العمياء عادةً على الإحكام المعدني أو هياكل الإحكام المرنة. إذا كانت أسطح الإغلاق تحتوي على: ● خبث اللحام ● الصدأ ● الحطام أو الجزيئات ● مادة الحشية المتبقية عندها لا يمكن تحقيق إحكام فعال حتى في حالة تطبيق عزم الدوران المصمم. من وجهة نظر هندسية: إذا لم يكن سطح الختم نظيفًا، فإن التسرب الدقيق أمر لا مفر منه. 4. الوضع غير الصحيح للوحة العمياء تتطلب بعض تصميمات صمامات الخط العمياء اتجاه تدفق محدد أو متطلبات خاصة باتجاه التركيب. في حالة التركيب في الاتجاه الخاطئ: ● إدخال غير كامل للصفيحة العمياء ● اتجاه حمل الإحكام غير الصحيح ● حركة غير كافية للمشغل ● عطل في القفل الميكانيكي يجب أن يتبع التركيب بدقة علامات الشركة المصنعة (سهم التدفق أو التوجيه الهيكلي)، وليس افتراضات الخبرة الميدانية. 5. التحكم غير السليم في عزم الدوران أثناء التشغيل تتطلب أنظمة صمامات الخط العمياء عادةً قوة تثبيت محورية عبر البراغي أو آليات عجلة اليد. في حالة عدم كفاية عزم الدوران: ● تلامس إحكام غير كامل ● التسرب تحت تأثير تقلبات الضغط إذا كان عزم الدوران مفرطًا: ● تشوه الحافة ● تمدد البراغي بشكل مفرط ● انبعاج دائم على أسطح منع التسرب لذلك، يجب أن يبقى عزم الدوران ضمن نطاق التصميم المحدد. زيادة عزم الدوران لا تُحسّن موثوقية منع التسرب. 6. التشغيل القسري في ظل ظروف درجات الحرارة العالية عند درجات الحرارة المرتفعة، يؤثر التمدد الحراري على إدخال اللوحة العمياء وتشغيلها. في مثل هذه الظروف: ● قد يؤدي التشغيل القسري إلى حدوث خلل. ● قد يؤدي نقص الخلوص الحراري إلى تلف أسطح منع التسرب بسبب الضغط تتمثل الممارسة القياسية في إجراء تشغيل صمام الخط المغلق فقط بعد أن يبرد النظام إلى نطاق درجة حرارة التشغيل الآمن. 7. تج...

صمام DVS المنزلق المغلق يحقق انعدام التسرب وعزلاً تاماً لعميل نفطي في جنوب أفريقيا في خطوط أنابيب متعددة الوسائط
صمام DVS المنزلق المغلق يحقق انعدام التسرب وعزلاً تاماً لعميل نفطي في جنوب أفريقيا في خطوط أنابيب متعددة الوسائط
2026-05-09

قام أحد كبار عملاء النفط في جنوب أفريقيا بنشر صمام الستارة المنزلق DVS في نظام أنابيب متعدد الوسائط يتطلب تبديلًا متكررًا بين المنتجات النفطية والغاز الطبيعي والمذيبات الكيميائية. منذ تركيبه، حقق النظام تشغيلًا مستقرًا دون أي تسريب. وقد أدى تشغيل الصمام أثناء التشغيل تحت الضغط إلى إلغاء الحاجة تمامًا إلى إيقاف التشغيل وتخفيض الضغط، مع تحسين سلامة الصيانة في الموقع بشكل ملحوظ. تحدي العميل: فشل الختم وعدم وجود عزل إيجابي أثناء التبديل المتكرر بين الوسائط المتعددة العميل شركة كبيرة لمعالجة وتخزين النفط في جنوب أفريقيا. وتشهد شبكة خطوط الأنابيب التابعة لها تحولاً متكرراً بين وسائط متعددة، تشمل المنتجات النفطية والغاز الطبيعي والمذيبات الكيميائية. ونظراً للاختلافات الكبيرة في خصائص هذه الوسائط، يفرض النظام متطلبات بالغة الأهمية على أداء إحكام صمامات منع التسرب، ومقاومة التآكل، والسلامة التشغيلية. أثناء استخدام الأساليب التقليدية صمام بوابة فيما يتعلق بصمامات الكرة، واجه العميل المشكلات التشغيلية الحرجة التالية على المدى الطويل: نوع الإصدار أداء صمامات البوابة / الكروية التقليدية الأثر التشغيلي الفعلي فشل في منع التسرب وتسريب داخلي تتدهور موانع التسرب بمرور الوقت ولا يمكنها ضمان عدم التسرب على الإطلاق. يُشكل تسريب المعلومات الإعلامية مخاطر جسيمة على السلامة والبيئة. يلزم إيقاف التشغيل وخفض الضغط لأغراض الصيانة يجب تفريغ خطوط الأنابيب بالكامل من الضغط قبل إجراء الصيانة. فترات توقف طويلة وخسائر إنتاجية كبيرة عدم القدرة على تحقيق عزلة إيجابية حقيقية يعتمد العزل على مكونات مانعة للتسرب ذات موثوقية محدودة خطر التلوث المتبادل أثناء تبديل الوسائط طلب العميل تحديداً حلاً للصمامات يمكنه: ● التشغيل دون الاعتماد على موانع التسرب ● دعم العمليات تحت الضغط ● توفير عزلة جسدية مطلقة حلول صمامات DVS المنزلقة العمياء: عزل مادي + تشغيل عبر الإنترنت + منع التسرب يستخدم صمام DVS المنزلق ذو الغطاء المانع للتسرب صفيحة صلبة لسد ممر السائل فعليًا. هذا التصميم يزيل بشكل جذري المخاطر المرتبطة بالصمامات التقليدية التي تعتمد على مانع التسرب. وقد لعبت المزايا التقنية الأربع التالية دورًا رئيسيًا في حل التحديات التشغيلية التي واجهها العميل: عزل مادي مطلق بدون أي تسريب تعمل الصفيحة الصلبة العمياء على منع تدفق الوسائط بشكل مباشر، مما يمنع مشاكل تلف مانع التسرب وتلفه. وهذا يضمن أداءً خالياً من التسرب تماماً في جميع ظروف التشغيل. التشغيل عبر الإنترنت تحت الضغط دون توقف يمكن للصمام التبديل بين وضعيتي الفتح والإغلاق مع بقاء النظام مضغوطًا. لا يتطلب الأمر تخفيف الضغط أو إيقاف الإنتاج، مما يقلل بشكل كبير من وقت التوقف ومخاطر السلامة التشغيلية. مؤشر الوضع الخارجي يمنع التشغيل الخاطئ يُظهر مؤشر الوضع الخارجي بوضوح ما إذا كان الصمام مفتوحًا أم مغلقًا. ويمكن للمشغلين التحقق من حالة الصمام على الفور، مما يقلل بشكل كبير من مخاطر الأخطاء التشغيلية. هيكل صغير الحجم وسهل التشغيل حتى في الأحجام الكبيرة يأتي الصمام مزودًا بعجلة يدوية أو محرك تروس دودي كمعيار أساسي. حتى في التطبيقات ذات الأحجام الكبيرة والضغط العالي، يظل التشغيل سلسًا وسهل التحكم. كما تعمل آلية منع التشغيل الخاطئ المدمجة على تحسين سلامة التشغيل. مقارنة الأداء الرئيسية بين الصمام المنزلق ذي الغطاء المغلق والصمام البوابي/الصمام الكروي في تطبيقات الوسائط المتعددة عنصر المقارنة صمام بوابة / صمام كروي تقليدي صمام DVS المنزلق المغلق طريقة ال...

ما هي عملية تصنيع صمامات البوابة وفقًا لمعيار ISO 15761؟ من المواد الخام إلى اختبار الضغط
ما هي عملية تصنيع صمامات البوابة وفقًا لمعيار ISO 15761؟ من المواد الخام إلى اختبار الضغط
2026-04-30

المعيار ISO 15761 هو معيار لصمامات الصلب ذات التجويف الصغير المستخدمة في صناعة النفط والغاز، ويغطي أحجامًا من DN 15 إلى DN 100 وفئات ضغط من الفئة 150 إلى الفئة 2500. وهو ينطبق على صمام بوابة صمامات كروية وصمامات فحص. لا تُصنّع هذه الصمامات في خطوة واحدة، بل عبر سلسلة تصنيع متتابعة. وتؤثر جودة كل مرحلة بشكل مباشر على المرحلة التي تليها. ويساعد فهم هذه السلسلة على تحديد المشكلات الحرجة بكفاءة أكبر أثناء اختيار الصمامات، ومراجعة الامتثال، وتقييم الموردين. عملية التصنيع الكاملة الخطوة الأولى: اختيار المواد تحدد المادة شروط الخدمة المطبقة، وهي نقطة البداية للعملية بأكملها. تشمل المواد الشائعة بموجب معيار ISO 15761 ما يلي: ● الفولاذ الكربوني للاستخدامات العامة في قطاع النفط والغاز ● فولاذ كربوني منخفض الحرارة للاستخدام في ظروف التبريد الشديد أو درجات الحرارة المنخفضة (مثل تطبيقات الغاز الطبيعي المسال). ● الفولاذ المقاوم للصدأ للوسائط المسببة للتآكل إذا كانت الخدمة تحتوي على كبريتيد الهيدروجين (H₂S)، فيجب أن تتوافق المواد أيضًا مع معيار NACE MR0175 / ISO 15156 لمنع تشقق الإجهاد الناتج عن الكبريتيد. يُطبق هذا الشرط بشكل مستقل عن معيار ISO 15761. لا يمكن تعويض اختيار المواد غير الصحيح من خلال التحكم اللاحق في العملية. الخطوة الثانية: التشكيل تحدد هذه الخطوة الجودة الداخلية لجسم الصمام. تتضمن عملية التشكيل بالدق تشكيل المعدن المسخن تحت الضغط، مما ينتج عنه بنية داخلية كثيفة ذات احتمالية أقل للعيوب. وهي تُفضل عادةً للتطبيقات التي تتطلب ضغطًا عاليًا أو موثوقية عالية. بالنسبة للفئة 800 وما فوق، أجسام مزورة يتم اختيارها بشكل شائع في الممارسة الهندسية لتقليل مخاطر العيوب الداخلية وتحسين الموثوقية الهيكلية، على الرغم من أن الاختيار النهائي يعتمد على مواصفات المشروع. الخطوة 3: التشغيل الآلي بعد التشكيل، يتم إجراء عمليات تشغيل دقيقة لتلبية متطلبات الأبعاد والختم. تُعدّ معالجة سطح منع التسرب نقطة تحكم حاسمة. يجب أن تخضع أسطح التلامس بين المقعد والقرص لعمليات معالجة وصقل متعددة لتحقيق مستوى التسطيح والخشونة السطحية المطلوبين، مما يؤثر بشكل مباشر على أداء الإغلاق. يجب أن يستوفي سطح ساق الصمام متطلبات الخشونة المنخفضة لضمان استقرار إحكام الحشوة على المدى الطويل. فالخشونة المفرطة تُسرّع من تآكل الحشوة وقد تؤدي إلى تسرب خارجي أثناء التشغيل. الخطوة الرابعة: اللحام (التغطية السطحية الصلبة لأسطح منع التسرب) تُستخدم هذه العملية لتحسين أداء سطح الختم. بالنسبة للتطبيقات المقاومة للتآكل أو الصدأ، يتم عادةً تغطية أسطح منع التسرب بسبائك صلبة مثل الستيليت لتحسين المقاومة. أثناء اللحام، يجب التحكم في كمية الحرارة المُدخلة ومعدل التخفيف لمنع الخلط المفرط للمادة الأساسية، مما قد يقلل من صلابة السطح. عادةً ما يُشترط أن تُلبي طبقة التصليد السطحي نطاق صلابة مُحدد (على سبيل المثال، عادةً ما تكون صلابة ستلايت ≥ 35-45 HRC). يجب أن تتم هذه العملية بواسطة لحامين مؤهلين، مع مواصفات إجراءات اللحام (WPS) وسجلات تأهيل الإجراءات (PQR) والوثائق القابلة للتتبع. الخطوة 5: المعالجة الحرارية تُحسّن المعالجة الحرارية خصائص المواد وتُخفف الإجهاد المتبقي. إنها عملية إلزامية. تضمن المعالجة الحرارية بعد التشكيل أن تستوفي المادة الخصائص الميكانيكية المطلوبة وتزيل الإجهاد الداخلي. وبدونها، تبقى القوة والمتانة غير مؤكدتين. تُعدّ المعالجة الحرارية بعد اللحام (PWHT) ضرورية عادةً لتخفيف الإجهاد المتبقي الناتج عن...

خمسة آلاف ومائتان واحد
加载中...

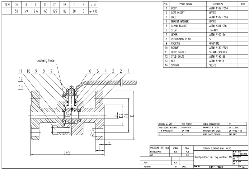
صمام الكرة العائمة المطروق DN50 PN40 F304 ISO 17292 RF

صمام الكرة العائمة المطروق DN50 PN40 مصنوع وفقًا لمعيار ISO 17292. جسم الصمام مصنوع من مادة ASTM A182 F304. يتميز بخصائص هيكلية: تجويف كامل، كرة عائمة، مقاوم للحريق والكهرباء الساكنة، وساق مانعة للانفجار. طريقة توصيله هي التردد اللاسلكي، ويعمل بعجلة يدوية.

  • دفع:

    30% when order confirmed, 70% before shipment
  • أصل المنتج:

    china
  • اللون:

    Customization
  • ميناء الشحن:

    Shanghai, China
  • المهلة:

    30~60 days Ex Works after order confirmation
  • Material:

    ASTM A182 F304 ASTM A182 F304
  • Method of Operation:

    H.W.
الاستفسار الآن
تفاصيل المنتج

وصف المنتج

يكتب

صمام الكرة العائمة المطروقة

مقاس

DN50

ضغط

بي إن 40

اتصال

ترددات الراديو

عملية

واجب منزلي

مادة الجسم

ASTM A182 F304

معيار التصميم

ISO17292

وجها لوجه

EN 558

ينتهي الاتصال

EN 1092-1 ب

رمز الاختبار والتفتيش

EN12266

درجة حرارة

-29 ~ 120 درجة مئوية

الوسيلة المناسبة

المياه والنفط والغاز

سمات

1. مصنوع من الفولاذ المقاوم للصدأ F304 المزور، مما يوفر مقاومة ممتازة للتآكل والمتانة.

2. يتوافق تصميم صمام الكرة العائمة مع ISO 17292 مع أطراف RF للإغلاق المحكم والتحكم الموثوق به في التدفق.

الرسم الفني

RF Forged Floating Ball Valve

فحص الأبعاد

RF Forged Floating Ball Valve

اختبار الضغط

RF Forged Floating Ball Valve

لوحة الاسم والتغليف

RF Forged Floating Ball Valve

تقرير التفتيش

Forged Floating Ball Valve Forged Floating Ball Valve Forged Floating Ball Valve Forged Floating Ball Valve

اترك رسالة

إذا كنت مهتما في منتجاتنا و تريد أن تعرف المزيد من التفاصيل,يرجى ترك رسالة هنا وسوف نقوم بالرد عليك بأسرع ما يمكن.

منتجات ذات صله
فئة 150 صمام الكرة العائمة
الألومنيوم البرونزية العائمة الكرة صمام 1 بوصة 150 رطل

صمام الكرة العائمة 1 بوصة مصنوع من الألومنيوم البرونزي c95800. الصمام الكرة المجوفة المخفض لديه ذراع تشغيل ، شفة الترددات اللاسلكية ، الجسم من نوع قطعتين. تفاصيل سريعة نوع صمام الكرة بحجم 1 " الضغط انسي 150 اعمال بناء يطفو على السطح   كرة ، 2 قطعة جسم ، دخول جانبي ، تجويف مخفض الإتصال ذات حواف   النهاية عملية رافعة   عملية الجسم   مواد الألومنيوم   البرونزية astm b148 c95800 وسائل الإعلام w.o.g التعديلات المتاحة لصمام الكرة - الضغط الاسمي حجم الصمام منفذ مخفض & أمبير ؛ ميناء كامل -مادة الجسم ، الكرة ، الساق ، المقعد ، التعبئة ، الترباس والجوز - تشغيل الصمامات (رافعة ، علبة تروس ، محرك هوائي أو هيدروليكي أو كهربائي) نوع الاتصال النهائي -متوفر الجذعية الموسعة - طلاء و أمبير حسب الطلب. التعبئة والتغليف - تعديل ميناء التصريف تغليف ديرفوس التعبئة الجيدة تعني الانطباع الأول الجيد. تخيل فقط كيف تشعر بشكل مختلف عند رؤية صندوقين أدناه؟ وسوف تعرف السبب الذي يجعلنا نقدر التعبئة والتغليف في Dervos. في dervos ، نتأكد- 1. كل صمام نظيف وجاف. ماذا نفعل؟ تنظيف الصمام قبل التعبئة - إضافة زيت مقاوم للصدأ -إضافة غطاء شفة 2. أي ضرر للصمامات في التسليم. كيف يمكننا تحقيق ذلك؟ -تثبيت الصمام بأسلاك الحديد - فصل الصمام بمادة ناعمة طبقة الصمام مع الخشب الرقائقي 3. مربع قوي وعلامة الشحن واضحة

قطعتين صمام الكرة الصلب
الصب 2 قطعة الكرة صمام 4 بوصة فئة 150 وجع

نوع قطعة 2 صمام الكرة العائمة لديه منفذ كامل ، تصميم آمن من الحرائق ، جذع مضاد للانفجار ، شفة ansi 150 وعملية رافعة. تم تصميم صمام الكرة الكربونية الفولاذية مع جسم a1616 wcb ، f316 الساق والكرة ، مقعد ناعم ptfe. تفاصيل سريعة نوع صمام الكرة بحجم 4 " الضغط 150 رطل اعمال بناء نوع عائم   كرة ، قطعتين من الجسم ، تتحمل كامل الإتصال رفع   شفة الوجه عملية مفتاح الربط   عملية الجسم   مواد فولاذ صلب   WCB تقليم   مواد SS316 & أمبير ؛ ptfe معيار التصميم واجهة برمجة التطبيقات 6 د الضغط   & أمبير ؛ كود مؤقت اسمي ب 16.34 وجها لوجه Asme b16.10 النهاية   الإتصال Asme b16.5 تفتيش   الشفرة واجهة برمجة التطبيقات 6 د درجة الحرارة   نطاق -29 ℃ ~ + 125 ℃ وسائل الإعلام الماء والنفط   والغاز المواد و أمبير ؛ البعد لا جزء اسم كربون   الصلب ل astm غير القابل للصدأ   الصلب ل astm WCB lcb راجع 8 CF 8M راجع 3 CF3M 1 الجسم a216 wcb a352 lcb a351 cf8 a351 cf8m a351 cf3 a351 cf3m 2 بونيه الجوز أ 194 2 ساعة أ 194 4 أ 194 8 3 بونيه الترباس أ 193 ب 7 A320 l7 أ 193 ب 8 4 قبعة a216 wcb a352 lcb a351 cf8 a351 cf8m a351 cf3 a351 cf3m 5 طوقا ss دوامة الجرح / الجرافيت أو   ss الجرح اللولبي / ptfe 6 كرة a105 / ep.cr أو f6 a182 f6 a351 cf8 a351 cf8m a351 cf3 a351 cf3m 7 حلقة مقعد rptfe أو بوم 8 ربيع صغير الفولاذ المقاوم للصدأ 9 كرة صغيرة a182 f304 a182 f316l 10 إيقاف a182 f6 a182 f6 a182 f304 a182 f316 a182 f304l a182 f316l 11 مقعد الجذعية السليكوون 12 التعبئة الجذعية السليكوون أو الجرافيت 13 السدادة a182 f6 a182 f304 a182 f316 a182 f304l a182 f316l 14 الترباس الغدة أ 193 ب 7 أ 193 ب 8 15 شفة galnd a216 wcb a351 cf8 16 لوحة تحديد المواقع صلب 17 صنم a216 wcb كانت المادة   وفقًا لمعيار ASTM الفئة 150 د مم 15 20 25 40 50 65 80 100 150 200 250 NPS في 0.5 0.75 1 1.5 2 2.5 3 4 6 8 10 ل (الترددات اللاسلكية) مم 108 117 127 165 178 191 203 229 394 457 533 في 4.25 4.6 5 6.5 7 7.5 8 9 15.5 18 21 ل 1 (وزن الجسم) مم 140 152 165 190 216 241 283 305 457 521 559 في 5.5 6 6.5 7.48 8.5 9.5 11.13 12 18 20.5 22 ل 2 (رتج) مم 119 129.7 139.7 178 191 203 216 241 406 470 546 في 4.69 5.11 5.5 6.9 7.5 8 8.5 9.5 16 18.5 21.5 ح مم 66 74 87 105 132 152 182 215 250 285 495 في 2.6 2.9 3.48 4.2 5.28 6.08 7.28 8.6 10 11.4 19.5 افعل (ث) مم 130 130 160 230 400 400 600 850 1100 1500 * 350 في 5.1 5.11 6.3 9 15.74 15.74 23.62 33.46 43.3 59 13.8 الترددات اللاسلكية (كلغ) & emsp؛ 2.3 3 4.5 7 15 20 25 40 97 160 240 وزن الجسم (كجم) & emsp؛ 2.0 2.5 3.8 5.8 12 17 21 36 92.8 154 227 * تعمل معدات دودة أو المحرك الكهربائي اختبارات خاصة & أمبير ؛ عمليات التفتيش بالإضافة إلى الاختبار الهيدروليكي المنتظم واختبار الهواء ، يمكن لـ Dervos أيضًا إجراء اختبارات خاصة وفقًا لطلبات العملاء ، مثل اختبار pt ، اختبار rt ، اختبار ut ، اختبار المبردة ، اختبار التسرب المنخفض ، اختبار مقاومة الحرائق ، واختبار الصلابة وما إلى ذلك .

صمام الكرة dn100 wcb
الدين الكرة صمام dn100 pn16 wcb العائمة الكرة التدفئة سترة

الدين الكرة صمام كامل المسام الترددات اللاسلكية تعويم الكرة النار دليل على مكافحة ساكنة رافعة WCB الجسم A105 + ENP الكرة 17-4ph الجذعية f304 + ni55 مقعد X750 لحام الربيع شفة التدفئة سترة DN100 PN16 تفاصيل سريعة نوع صمام الكرة بحجم dn100 ضغط التصميم pn16 اعمال بناء صمام الكرة العائمة نوع الاتصال شفة الوجه المرفوعة نوع العملية رافعة مواد الجسم WCB مادة الكرة a105 + ni60 المواد الجذعية 17-4 ساعة مواد المقعد f304 + ni55 كود التصميم en12516-1 وجها لوجه البعد en558-1 نهاية الاتصال en1092-1 b1 الضغط & أمبير ؛ مؤقت en 12266 متوسط الماء والنفط والغاز الأصل الصين

الشركة المصنعة صمام الكرة 6 api
api 6d صمام الكرة العائمة 2 بوصة 600 lb الجذعية الموسعة a105

تم تصميم صمام الكرة 6i api مع جذع ممتد للاستخدام الخاص ، مثل صمام الكرة تحت الأرض أو درجة حرارة منخفضة تطبيق. يمكن تخصيص طول الساق الممتد حسب العميل طلب. تفاصيل سريعة نوع صمام الكرة بحجم 2 بوصة الضغط الفئة 600 اعمال بناء انشق، مزق   الجسم ، دخول جانبي ، نوع عائم ، تصميم آمن من الحرائق ، نظام مضاد للكهرباء الإستاتيكية ،   الجذعية المضادة للانفجار ، غطاء المحرك الممتد الإتصال شفة الترددات اللاسلكية وضعية التشغيل رافعة مواد الجسم a105n تقليم المواد ss304 الكرة والساق ، مقعد rptfe تصميم & أمبير ؛ صناعة واجهة برمجة التطبيقات 6 د الضغط & أمبير ؛ كود مؤقت اسمي ب 16.34 من النهاية إلى النهاية Asme b16.10 نهاية الاتصال Asme b16.5 تفتيش api 6d ،   api 598 نطاق درجة حرارة -29 ℃ ~ + 200 ℃ متوسط نفط،   الماء والغاز عملية مراقبة الجودة في dervos فحص الصب: نحن يمكن معرفة مشكلة المواد الخام ، مثل الصب الرديء ، غير المشروط سمك الجدار ، التركيب الكيميائي وهلم جرا ، مما يضمن أنك لن تفعل ذلك يتم خداعهم. التفتيش بالقطع: -التأكد من دقة بالقطع -تجد من خطأ بالقطع في أقرب وقت ممكن ، لكسب المزيد من الوقت للإصلاح ، إعادة صنع الفحص النهائي: - أنشطة التفتيش النهائي وتشمل الوثيقة وسجل مراقبة الجودة المراجعة ، الفحص البصري ، فحص البعد ، اختبار الضغط ، الطلاء والتعبئة التحقق من - توفير الوقت والتكلفة: لست بحاجة إلى الحضور والتفتيش شخصيًا ويمكن تقديم جميع الوثائق كدليل. سوف تقرير التفتيش تقدم مجاناً بما في ذلك: -شهادة اختبار مطحنة 10204 3.1 -تقرير التفتيش ، يوضح عملية التفتيش بأكملها

 الصلب مزورة a105 صمام الكرة npt
dn25 pn100 مزورة الصلب الكرة npt a105 صمام

dn25 pn100 مزورة الصلب a105 طريقة اتصال npt 2 قطعة البناء كامل المسام رافعة عملية العائمة الكرة سلامة الجسم النار وغطاء المحرك a105 الكرة a182 f304 حلقة مقعد ptfe الجذعية a182 f304 الجذعية o ring viton التعبئة الجرافيت الغدة الفولاذ المقاوم للصدأ تصميم وتصنيع asme b16.34 وجها ل وجه تصميم تصنيع قياسي تصنيع برغي وأبعاد قياسية ansi b1.20.1 فحص واختبار api598 تصميم السلامة من الحرائق api 607 تفاصيل سريعة نوع صمام الكرة بحجم dn25 الضغط pn100 اعمال بناء 2 قطعة الإتصال npt وضعية التشغيل رافعة مواد الجسم أ 105 التغطية أ 105 تصميم & أمبير ؛ صناعة اسمي ب 16.34 من النهاية إلى النهاية Asme b16.10 نهاية الاتصال ansi b1.20.1 تفتيش api 598 نطاق درجة حرارة -29 ℃ ~ + 538 ℃ متوسط النفط والماء والغاز

خمسة آلاف ومائتان واحد
2 قطعة صمام الكرة العائمة wcb 150lb 4 inch تتحمل تجويف

يحتوي الصمام الكروي العائم المكون من قطعتين ، والمصنوع وفقًا لـ api 6a ، على تصميم منخفض التجويف ، وتصميم آمن للحريق ، وجذع مانع للانفجار. مع مقعد rptfe وخاتم ptfe o ، فإن صمام wcb 4 بوصة هو شهادة لخدمتك.

خمسة آلاف ومائتان واحد
JIS 2 قطعة صمام الكرة العائمة RF×معاهدة عدم انتشار الأسلحة النووية 25A 16K

هذه الكرة صمام تصميم ASME B16.34, ملامح اثنين اتصال مختلفة الطرق-جانب واحد من أجل RF وعلى الجانب الآخر معاهدة عدم انتشار الأسلحة النووية. فإن صمام الكرة العائمة ، PTFE مقعد ، SCS13 الجسم وغيرها من الميزات ممتازة أداء الختم.

خمسة آلاف ومائتان واحد
2 بوصة 600LB API6D صمام الكرة RF تتحمل كامل 2 قطعة نوع

مزورة الصلب صمام الكرة مصنوعة من A105 الجسم 17-4PH تقليم مع RTJ شفة نهاية ذراع التشغيل. هذا العائمة الكرة صمام ملامح ختم موثوقة الأداء وسهولة التشغيل.

خمسة آلاف ومائتان واحد
الفولاذ المقاوم للصدأ 2 قطعة نوع صمام الكرة 1-1/2 بوصة 800 £

مصنوعة من F316, العائمة الكرة صمام تصميم بموجب قانون ASME B16.34. صمام يتكون من اثنين من قطعة الجسم ، الكرة العائمة ، رافعة التشغيل مع ختم موثوقة الأداء الصغيرة عزم الدوران.

صمام الكرة العائمة المصنوع من الفولاذ المطروق
صمام الكرة العائمة DN25 PN16 مصنوع من الفولاذ المطروق ASTM ISO 17292

صمام الكرة العائمة من الفولاذ المطروق DN25 PN16 مصنوع وفقًا لمعيار ISO17292. جسم الصمام مصنوع من مادة ASTM-A105. يتميز بهيكل منقسم، كرة عائمة، تجويف كامل، مقاوم للحريق، مضاد للكهرباء الساكنة، وساق مقاومة للانفجار. طريقة توصيله هي الترددات الراديوية، ويعمل بعجلة يدوية.

خمسة آلاف ومائتان واحد
1 بوصة ثلاث قطع صمام الكرة اليدوي تتحمل كامل

مصنوع من CF8M ، تم تصميم الصمام المكون من 2 جهاز كمبيوتر وفقًا لـ ASME B16.34. مختلط مع 15 بالمائة من الألياف الزجاجية ، RPTFE مقعد الصمام أكثر تأهلاً لتحمل درجة حرارة عالية وظروف عمل عالية التآكل

خمسة آلاف ومائتان واحد
مشفه صمام الكرة الطرفية ، ASTM A350 LF6 ، CL600 ، 1 / 2 بوصة ، قطعتين

china ذات حواف منتج الصمام الكروي الطرفي ، تقدم Dervos بشفة صمام الكرة الطرفية ، ASTM A350 LF6 ، فئة 600 ، 1 / 2 بوصة ، قطعتان ، تزوير ، API 608 ، BS 5351 ، ASME B16.34.

اترك رسالة

    إذا كنت مهتما في منتجاتنا و تريد أن تعرف المزيد من التفاصيل,يرجى ترك رسالة هنا وسوف نقوم بالرد عليك بأسرع ما يمكن.

الصفحة الرئيسية

منتجات

حول

اتصل