العربية

العربية

Get a Quote
منتجات

منتوجات جديدة

أخبار الشركة

Differences Between Wide-Body and Single-Piece Ball Valves
Differences Between Wide-Body and Single-Piece Ball Valves
2026-02-06

Wide-body ball valves and single-piece ball valves are both types of ball valves used for controlling the on/off flow of medium in pipelines.   Both wide-body and single-piece ball valves feature a one-piece (integral) body design, unlike split-body designs. This differs from two-piece and three-piece ball valves, which have segmented valve bodies.   For internally threaded wide-body ball valves, the valve body is made from round or hexagonal stock, using either bar material or forged components. The ball core features a reduced-diameter design and is inserted from one side of the valve body. The stem uses an internal anti-blowout structure. Flat surfaces are machined on both the inlet and outlet sides of the body to facilitate assembly of the ball valve and allow the use of wrenches during pipeline installation.   In wide-body ball valves, the stem stuffing box is relatively shallow, and the internal packing volume is limited, resulting in a moderate sealing performance of the stem. Therefore, these valves are more suitable for low-pressure medium applications. In contrast, two-piece and three-piece ball valves feature stem stuffing box structures that provide reliable sealing for high-pressure medium applications.   The structure of flanged wide-body ball valves is essentially the same as that of internally threaded wide-body ball valves. Typically, the flange is connected to the intermediate valve body via threaded fasteners, although some designs utilize a forged one-piece structure.   Externally threaded wide-body ball valves can use a union-type structure, where the union is directly welded to the pipeline and connects to the external threads on the valve body. This design allows for easy disassembly and reassembly during valve maintenance or replacement without requiring separate unions on the pipeline.   The valve bodies of single-piece internally threaded ball valves and single-piece flanged ball valves are manufactured using casting processes, with the ball core featuring a reduced-diameter design. The stem uses an internal anti-blowout structure. The inlet and outlet ends of single-piece internally threaded ball valves have a hexagonal shape, similar to conventional internally threaded valves, to facilitate wrench operation and secure installation.   In single-piece flanged ball valves, the flange and valve body are cast as a single unit, eliminating the need to machine and assemble the flange separately as in wide-body flanged ball valves. This approach reduces cost and simplifies the manufacturing process.   Single-piece wafer-style ball valves have a shorter valve body length, making them more suitable for pipelines with limited space.   Wide-body and single-piece ball valves both use a reduced-diameter ball design, resulting in higher flow resistance compared with two-piece and three-piece ball valves. The main differences are as follows:   Valve Body Manufacturing Process ● Wide-bo...

تصميم صمام البوابة الإسفيني ومبدأ منع التسرب
تصميم صمام البوابة الإسفيني ومبدأ منع التسرب
2026-01-30

في صمام البوابة الإسفيني، تكون أسطح منع التسرب على شكل إسفين، وتشكل زاوية محددة بالنسبة لمحور البوابة. يدفع ساق الصمام البوابة إلى الأسفل لإغلاقها. ومع ازدياد قوة دفع الساق، تزداد القوة العمودية المؤثرة على أسطح منع التسرب الإسفينية، مما يُحدث تأثير إحكام قسري. يُحسّن هذا التصميم أداء منع التسرب بشكل ملحوظ في ظروف الضغط المنخفض. أثناء الفتح، تنفصل أسطح منع التسرب للبوابة عن المقعد على الفور، مما يساعد على تقليل التآكل على أسطح منع التسرب ويطيل عمر خدمة الصمام. المعايير المطبقة لـ صمامات البوابة الإسفينية تُصنع صمامات البوابة الإسفينية عادةً وفقًا للمعايير التالية: ● GB/T 12234-2019 – صمامات بوابة فولاذية ذات غطاء مثبت بمسامير لصناعات البترول والغاز الطبيعي ● GB/T 12232-2005 – صمامات بوابة من الحديد الزهر ذات حواف للأغراض العامة ● معيار API 600 (2015) – الفولاذ صمام بوابة صناعات البترول والغاز الطبيعي أنواع صمامات البوابة الإسفينية تتوفر صمامات البوابة الإسفينية عادةً بثلاثة تكوينات للبوابة: بوابة إسفينية صلبة، بوابة إسفينية مرنة، بوابة إسفينية مزدوجة. تعتمد البوابة المرنة ذات الشكل الإسفيني والبوابة المزدوجة ذات الشكل الإسفيني على تشوه مُتحكم به لأسطح منع التسرب لتحقيق تلامس أفضل مع مقعد الصمام. يُعزز هذا التصميم موثوقية منع التسرب ويمنع بشكل فعال انحشار البوابة أو تعطلها الناتج عن تغيرات درجة الحرارة، مما يضمن التشغيل السلس حتى في ظل ظروف حرارية متقلبة. تصميم صمام البوابة المنزلقة المتوازية ومبدأ منع التسرب في صمام البوابة المنزلقة المتوازية، تكون أسطح منع التسرب عند طرفي مدخل ومخرج البوابة موازية لمحورها المركزي. في الصمامات أحادية البوابة، يتم منع التسرب بشكل أساسي عن طريق دفع الوسيط للبوابة أو المقعد العائم إلى موضعه. أما في الصمامات ثنائية البوابة، فيمكن منع التسرب باستخدام نوابض أو آلية تمدد بين البوابتين. وخلال عمليتي الفتح والإغلاق، تبقى أسطح منع التسرب للبوابة والمقعد على اتصال دائم، مما يضمن منع تسرب موثوق. المعايير المطبقة على صمامات البوابة المنزلقة المتوازية تشمل المعايير الشائعة لصمامات البوابة المنزلقة المتوازية ما يلي: ● GB/T 23300-2009 – صمامات البوابة المنزلقة المتوازية ● JB/T 5298-2016 – صمامات بوابة منزلقة متوازية فولاذية لخطوط الأنابيب ● معيار API 6D – صمامات خطوط الأنابيب لصناعات البترول والغاز الطبيعي أنواع وميزات صمامات البوابة المنزلقة المتوازية تتوفر صمامات البوابة المنزلقة المتوازية بتكوينات أحادية البوابة وثنائية البوابة. ● قد تحتوي البوابات على فتحات لتدفق المياه أو تكون مصمتة. تتوافق البوابات ذات فتحات تدفق المياه مع القطر الداخلي للمقعد، مما يسهل تنظيف وتصريف خط الأنابيب. ● يمكن ضبط نظام منع التسرب عند طرف المدخل أو طرف المخرج أو عند كلا الطرفين، وذلك حسب متطلبات التطبيق. يضمن هذا التصميم المرونة في ترتيبات منع التسرب مع الحفاظ على التشغيل الموثوق به أثناء الخدمة. مقارنة بين الاثنين 1. المعايير المطبقة يتم تصنيع صمامات البوابة الإسفينية وصمامات البوابة المنزلقة المتوازية وفقًا لمعايير صناعية مختلفة. 2. هندسة البوابات تتميز صمامات البوابة الإسفينية ببوابة على شكل إسفين. تحتوي صمامات البوابة المنزلقة المتوازية على بوابة مسطحة، والتي قد تتضمن فتحات للتدفق لتسهيل عملية التنظيف بالخنادق أو تنظيف خطوط الأنابيب. 3. متطلبات عزم دوران ساق المقود تعتمد صمامات البوابة الإسفينية على قوة دفع ساق الصمام لأسفل لدفع البوابة الإسفين...

تحليل أسباب تلف سطح منع التسرب للصمامات
تحليل أسباب تلف سطح منع التسرب للصمامات
2026-01-23

عادةً ما ينتج تلف أسطح منع التسرب في الصمامات عن عدة عوامل، منها اختيار المواد، وظروف التشغيل، وممارسات التشغيل، والصيانة. فيما يلي ملخص مُصنّف لأكثر الأسباب شيوعًا: 1. التلف الميكانيكي ● ارتدِ: تؤدي الجسيمات الصلبة الموجودة في الوسط (مثل الرمل أو خبث اللحام) إلى تآكل سطح الختم، مما ينتج عنه خدوش أو أخاديد. ● الاحتكاك الكاشط : التآكل الاحتكاكي الناتج عن الحركة النسبية لأسطح منع التسرب أثناء صمام الفتح والإغلاق، وخاصة في أزواج الإحكام المعدنية. ● أضرار الاصطدام: تشوه سطح الختم الناتج عن اصطدام السوائل عالية السرعة أو الفتح والإغلاق السريع للصمام، مما يؤدي إلى تحميل الصدمات. 2. التآكل الكيميائي ● تآكل الوسائط: تهاجم الوسائط الحمضية أو القلوية أو المؤكسدة مادة سطح الختم بشكل مباشر، مثل تآكل المعادن الناتج عن أيونات كبريتيد الهيدروجين أو الكلوريد. ● التآكل الكهروكيميائي : عندما تتعرض أزواج الإحكام المصنوعة من معادن مختلفة للإلكتروليت، قد يحدث التآكل الجلفاني بسبب تكوين الخلية الكهروكيميائية. ● التآكل والتآكل: يؤدي التأثير المشترك للوسائط المسببة للتآكل والتدفق عالي السرعة إلى تسريع فقدان المواد على سطح الختم. 3. التلف الحراري ●الإجهاد الحراري: تؤدي التقلبات المتكررة في درجة الحرارة إلى تمدد وانكماش حراري متكرر لسطح الختم، مما يؤدي إلى التشقق أو التشوه. ● الأكسدة في درجات الحرارة العالية: عند درجات الحرارة المرتفعة، قد يتعرض سطح الختم للأكسدة أو التصلب أو الاحتراق، كما هو شائع في تطبيقات صمامات البخار. ●الصدمة الحرارية: يمكن أن يؤدي التعرض المفاجئ لوسائط ذات درجات حرارة عالية أو منخفضة إلى تشقق سطح الختم، كما هو الحال أثناء التكثيف السريع أو دخول الوسائط الباردة. 4. التركيب والتشغيل غير السليمين ● عدم محاذاة التركيب: قد يؤدي تركيب الصمامات بشكل غير صحيح أو الإجهاد المفرط للأنابيب إلى تحميل غير متساوٍ على أسطح منع التسرب. ● الإفراط في الشد: قد يؤدي التحميل المسبق المفرط المطبق على ساق الصمام أو البراغي إلى سحق أو تشويه سطح منع التسرب، خاصة في الصمامات ذات المقاعد اللينة أو الحشيات المانعة للتسرب اللينة. ● عملية تشغيل خشنة: يمكن أن يتسبب الفتح والإغلاق السريع أو قوة التشغيل المفرطة في حدوث أضرار ناتجة عن الصدمات لأسطح منع التسرب. 5. عيوب المواد ● اختيار المواد بشكل غير مناسب: تفتقر مادة سطح الختم إلى مقاومة كافية لوسائط المعالجة أو درجات الحرارة العالية أو التآكل، مثل استخدام الفولاذ الكربوني في الخدمة الحمضية. ● عيوب التصنيع: تؤدي العيوب في طبقة التغطية الصلبة أو الطبقة العلوية، بما في ذلك المسامية أو شوائب الخبث أو المعالجة الحرارية غير السليمة، إلى تقليل مقاومة التآكل وأداء منع التسرب بشكل عام. 6. ظروف التشغيل غير الطبيعية ●التجويف / الوميض: تؤدي تقلبات الضغط في السائل إلى توليد فقاعات بخار تنهار وتؤثر على سطح الختم، وهي ظاهرة شائعة في الصمامات المثبتة في اتجاه مجرى المضخات. ●التكلس / الترسيب: تتراكم الشوائب الموجودة في الوسط على سطح الختم، مما يعيق الإغلاق المحكم، مثل ترسبات الكالسيوم أو رواسب البوليمر. 7. الصيانة غير الكافية ● نقص التشحيم: التصلب أو زيادة الاحتكاك صمام تمنع مكونات الجذع أو المحرك التلامس الصحيح لأسطح منع التسرب. ● عدم إجراء فحص دوري: لا يتم اكتشاف الأضرار الطفيفة أو معالجتها في الوقت المناسب، مما يسمح لها بالانتشار إلى فشل واسع النطاق في سطح الختم. ● التنظيف غير السليم: تتسبب المواد الغريبة التي تترك وراءها أثناء الصيانة، مثل الخدو...

خمسة آلاف ومائتان واحد
加载中...

صمام بوابة من الفولاذ المقاوم للصدأ EN1984 DN150 PN40 EN 1.4571

  • دفع:

    30% when order confirmed, 70% before shipment
  • أصل المنتج:

    china
  • اللون:

    Customization
  • ميناء الشحن:

    Shanghai, China
  • المهلة:

    30~60 days Ex Works after order confirmation
  • Material:

    X6CrNiMoTi17-12-2
  • Method of Operation:

    hand wheel
الاستفسار الآن
تفاصيل المنتج

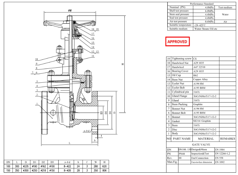
صمام البوابة المصنوع من الفولاذ المقاوم للصدأ DN150 PN40 مُصنّع وفقًا لمعيار EN 1984. جسم الصمام مصنوع من سبيكة X6CrNiMoTi17-12-2. يُستخدم الفولاذ المقاوم للصدأ EN 1.4571 (AISI 316Ti) على نطاق واسع في التطبيقات ذات درجات الحرارة المتوسطة إلى العالية، حيث تكون مقاومة التآكل بين الحبيبات والتآكل الكلوريدي المعتدل مطلوبة، وخاصة في الأنظمة الملحومة التي لا تخضع لمعالجة حرارية بعد اللحام. طريقة توصيله هي EN558، وهو مزود بعجلة يدوية. operation mode.

Product Parameters

Type

Stainless Steel Gate Valve

Size

DN150

Pressure

PN40

Connection

EN 558

Operation

Hand Wheel

Body Material

X6CrNiMoTi17-12-2

Design Norm

EN 1984

Face to Face dimension

EN 1092

End connection

EN 558

Test & Inspection Code

EN 12266-1,2

Temperature

-29 ~ 425 °C

Applicable Medium

Water, Oil and Gas

Features

1.EN 1.4571 stainless steel construction provides strong resistance to pitting and stress corrosion in aggressive media.

2.DN150 PN40 configuration designed to EN 1984 standard ensures stable operation and tight isolation in medium-pressure pipelines.

Technical Drawing

PN40 Stainless Steel Gate Valve

Dimension Checking

PN40 Stainless Steel Gate Valve

Pressure Testing

PN40 Stainless Steel Gate Valve

Spectrum

PN40 Stainless Steel Gate Valve

Nameplate & Packing

PN40 Stainless Steel Gate Valve

اترك رسالة

إذا كنت مهتما في منتجاتنا و تريد أن تعرف المزيد من التفاصيل,يرجى ترك رسالة هنا وسوف نقوم بالرد عليك بأسرع ما يمكن.

منتجات ذات صله
صمام بوابة ذو حواف من الفولاذ المقاوم للصدأ
صمام بوابة من الفولاذ المقاوم للصدأ DIN 3352 PN16 OS&Y

تم تصميم صمام البوابة CF8M المصنوع من الفولاذ المقاوم للصدأ مع وصلة شفة وتشغيل عجلة يدوية وفقًا لمعايير DIN 3352. يتميز صمام البوابة ذو المنفذ الكامل PN16 DN200 بهيكل OS&Y وإسفين مرن ومقعد قابل للاستبدال. مواصفات التصميم التصميم والتصنيع: DIN 3352 البعد من النهاية إلى النهاية: DIN3202 نهاية الشفة: EN1092-1 الاختبار والفحص: EN12266-1/2 ميزة التصميم -تصميم تتحمل كامل - معدلات تدفق فائقة وفقدان احتكاك صغير - انخفاض قيمة عزم الدوران عند إغلاق وفتح الصمام - إسفين مرن لجلوس أفضل وسهولة التشغيل - لمسة نهائية ناعمة وختم فائق لوجه المقعد - يتم تصنيع كل صمام برقم محدد على الجسم لسهولة التتبع تفاصيل سريعة يكتب بوابة صمام مقاس الاسم المميز 200 ضغط ب.ن 16 بناء انسحب غطاء محرك السيارة، الجذع الصاعد، المسمار الخارجي والنير اتصال شفة اتصال عملية عقارب مادة الجسم غير القابل للصدأ الصلب CF8M TrimMaterial الفولاذ المقاوم للصدأ نطاق درجة الحرارة -268 ″~+648 ″ واسطة المياه والنفط والغاز أصل الصين تغليف ديرفوس يعد التغليف جزءًا مهمًا لا يمكننا إهماله أبدًا. لدى Dervos عملية تغليف لكل طلب لضمان تسليم الطلب بشكل آمن وواضح.

خمسة آلاف ومائتان واحد
صمام بوابة 4 بوصة 150 رطل API603 من الفولاذ المقاوم للصدأ HW-OP OS&Y CF8M

صمام البوابة 4 بوصة 150LB مصنوع وفقًا لـ API 603 معيار. جسم الصمام مصنوع من ASTM A351 CF8M+STL. لديها الخصائص الهيكلية لغطاء الترباس والإسفين المرن والساق المرتفعة. إنه يتوافق الاختبار والفحص مع API 598 و وضع التشغيل الخاص به هو تشغيل عقارب.

خمسة آلاف ومائتان واحد
DN200 PN40 صمام البوابة الفولاذي المقاوم للصدأ EN1984 HW-OP BB RF OS&Y

صمام البوابة DN200 PN40 مصنوع وفقًا لـ EN1984 معيار. جسم الصمام مصنوع من 1.4571+STL. لديها الهيكلية خصائص غطاء الترباس، البوابة المرنة، الجذع المرتفع والقوس. اتصالها الوضع هو EN1092-1/B. ولها وضع تشغيل عجلة اليد.

خمسة آلاف ومائتان واحد
DIN DN125 PN16 صمام البوابة الفولاذ المقاوم للصدأ HW-OP BB RF

يتم تصنيع صمام البوابة DN125 PN16 وفقًا لـ DIN 3352 معيار. جسم الصمام مصنوع من 1.4408. لديها الهيكلية خصائص غطاء الترباس، ارتفاع الجذع، إسفين مرن، مع SS316 سترة عازلة وطول هيكلي 325 ملم. وضع الاتصال الخاص به هو RF EN1092-1 B1. ولها وضع تشغيل عجلة اليد.

خمسة آلاف ومائتان واحد
2 "150LB الفولاذ المقاوم للصدأ بوابة صمام RF CF3 API600 عقارب

صمام البوابة 2 بوصة 150LB مصنوع وفقًا لـ API 600 معيار. جسم الصمام مصنوع من A351 CF3. لديها الهيكلية خصائص غطاء الترباس، وارتفاع قوس الجذعية. وضع الاتصال الخاص به هو RF. ولها وضع تشغيل عقارب.

خمسة آلاف ومائتان واحد
صمام بوابة مزدوج من الفولاذ المقاوم للصدأ DN100 PN40 5A EN 1984

صمام البوابة المزدوج DN100 PN40 5A مصنوع من الفولاذ المقاوم للصدأ، ومصنوع وفقًا لمعيار EN 1984. جسم الصمام مصنوع من مادة ASTM A995 5A+STL. يتميز بخصائص هيكلية: تجويف كامل، غطاء مُثبت بمسامير، ساق صاعدة مع نير، وتد مرن. وضعية التوصيل هي EN1092-1 B1، ويعمل بعجلة يدوية.

خمسة آلاف ومائتان واحد
صمام بوابة من الفولاذ المقاوم للصدأ DN100 PN40 EN 1.4571 EN1984

صمام البوابة المصنوع من الفولاذ المقاوم للصدأ DN100 PN40 مُصنّع وفقًا لمعيار EN 1984. جسم الصمام مصنوع من سبيكة X6CrNiMoTi17-12-2. يُستخدم الفولاذ المقاوم للصدأ EN 1.4571 (AISI 316Ti) على نطاق واسع في التطبيقات ذات درجات الحرارة المتوسطة إلى العالية، حيث تكون مقاومة التآكل بين الحبيبات والتآكل الكلوريدي المعتدل مطلوبة، وخاصة في الأنظمة الملحومة التي لا تخضع لمعالجة حرارية بعد اللحام. طريقة توصيله هي EN558، وهو مزود بعجلة يدوية. operation mode. Product Parameters Type Stainless Steel Gate Valve Size DN100 Pressure PN40 Connection EN 558 Operation Hand Wheel Body Material X6CrNiMoTi17-12-2 Design Norm EN 1984 Face to Face dimension EN 1092 End connection EN 558 Test & Inspection Code EN 12266-1,2 Temperature -29 ~ 425°C Applicable Medium Water, Oil and Gas Features 1.Made from EN 1.4571 stainless steel, offering excellent corrosion resistance and high-temperature stability for PN40 pressure applications. 2.Gate valve design compliant with EN 1984 ensures reliable shutoff and long service life in industrial piping systems. Technical Drawing Dimension Checking Pressure Testing Spectrum Nameplate & Packing

API 602 DN25 PN40 Stainless Steel Gate Valve F316Ti EN1092-1 B1

DN25 PN40 Flange Gate Valve is made according to API602 standard. The valve body is made of A182-F316Ti. Its connection mode is EN1092-1 B1. And it has Hand Wheel operation mode.   Product Parameters   Type Stainless Steel Gate Valve Size DN25 Pressure PN40 Connection EN1092-1 B1 Operation Hand Wheel Body Material A182-F316Ti Design Norm API 602 Flange dimension EN 1092 Material conform AISI/ASTM Test & Inspection Code EN 12266 Temperature -29 ~ 120°C Applicable Medium Water, Oil and Gas   Features 1.F316Ti stainless steel body provides enhanced resistance to intergranular corrosion and elevated-temperature service. 2.DN25 PN40 gate valve designed to API 602 with EN1092-1 B1 flange ensures stable operation and tight isolation in process pipelines.   Technical Drawing Dimension Checking Pressure Testing Spectrum Inspection Report

صمام العالم
اتصال RF، صمام كروي فولاذي مُشكل، 1 بوصة 600 رطل، الهيكل A105N، API602

تم تصنيع الصمام الكروي 1 بوصة 600 رطل وفقًا لمعيار API 602. جسم الصمام مصنوع من ASTM A105N+STL. إنه يتميز بالخصائص الهيكلية لغطاء الترباس، من النوع المباشر. وضع الاتصال الخاص به هو RF. ولديه وضع تشغيل العجلة اليدوية .

صمام عائم
صمام كرة عائم مصبوب 2 بوصة × 1 1/2 بوصة 150 رطل API6D HW

صمام الكرة العائمة المصبوب بقطر 2 بوصة × 1 1/2 بوصة، وزن 150 رطلاً، مصنوع وفقًا لمعيار API6D. جسم الصمام مصنوع من مادة ASTM A494 CU5MCUC. يتميز بخصائص هيكلية تتمثل في تجويف منخفض، وكرة عائمة. طريقة توصيله هي RTJ، ويعمل بعجلة يدوية.

الشركة المصنعة صمام الكرة 6 api
api 6d صمام الكرة العائمة 2 بوصة 600 lb الجذعية الموسعة a105

تم تصميم صمام الكرة 6i api مع جذع ممتد للاستخدام الخاص ، مثل صمام الكرة تحت الأرض أو درجة حرارة منخفضة تطبيق. يمكن تخصيص طول الساق الممتد حسب العميل طلب. تفاصيل سريعة نوع صمام الكرة بحجم 2 بوصة الضغط الفئة 600 اعمال بناء انشق، مزق   الجسم ، دخول جانبي ، نوع عائم ، تصميم آمن من الحرائق ، نظام مضاد للكهرباء الإستاتيكية ،   الجذعية المضادة للانفجار ، غطاء المحرك الممتد الإتصال شفة الترددات اللاسلكية وضعية التشغيل رافعة مواد الجسم a105n تقليم المواد ss304 الكرة والساق ، مقعد rptfe تصميم & أمبير ؛ صناعة واجهة برمجة التطبيقات 6 د الضغط & أمبير ؛ كود مؤقت اسمي ب 16.34 من النهاية إلى النهاية Asme b16.10 نهاية الاتصال Asme b16.5 تفتيش api 6d ،   api 598 نطاق درجة حرارة -29 ℃ ~ + 200 ℃ متوسط نفط،   الماء والغاز عملية مراقبة الجودة في dervos فحص الصب: نحن يمكن معرفة مشكلة المواد الخام ، مثل الصب الرديء ، غير المشروط سمك الجدار ، التركيب الكيميائي وهلم جرا ، مما يضمن أنك لن تفعل ذلك يتم خداعهم. التفتيش بالقطع: -التأكد من دقة بالقطع -تجد من خطأ بالقطع في أقرب وقت ممكن ، لكسب المزيد من الوقت للإصلاح ، إعادة صنع الفحص النهائي: - أنشطة التفتيش النهائي وتشمل الوثيقة وسجل مراقبة الجودة المراجعة ، الفحص البصري ، فحص البعد ، اختبار الضغط ، الطلاء والتعبئة التحقق من - توفير الوقت والتكلفة: لست بحاجة إلى الحضور والتفتيش شخصيًا ويمكن تقديم جميع الوثائق كدليل. سوف تقرير التفتيش تقدم مجاناً بما في ذلك: -شهادة اختبار مطحنة 10204 3.1 -تقرير التفتيش ، يوضح عملية التفتيش بأكملها

صمام فحص من نوع رقاقة مزدوجة اللوحة
صمام فحص من نوع رقاقة مزدوجة اللوحة مقاس 24 بوصة ووزن 150 رطلاً API 594 WCB

صمام فحص ثنائي الصفائح من نوع رقاقة، مقاس 24 بوصة، وزن 150 رطل، مصنوع وفقًا لمعيار API 594. جسم الصمام مصنوع من A216 WCB+SS316. يتميز بخصائص هيكلية لنوع رقاقة ثنائي الصفائح، وتصميم جسم رقاقة. طريقة توصيله هي: حافة مزدوجة، ASME B16.5.

اترك رسالة

    إذا كنت مهتما في منتجاتنا و تريد أن تعرف المزيد من التفاصيل,يرجى ترك رسالة هنا وسوف نقوم بالرد عليك بأسرع ما يمكن.

الصفحة الرئيسية

منتجات

حول

اتصل